Qui troverai tutte le parti e i disegni disponibili di “Hikoki B23S”. Da qui puoi ordinare direttamente tutte le parti desiderate. Molte parti devono essere ordinate dal produttore, a seconda della marca, ciò richiede da una a quattro settimane. Tutte le informazioni che abbiamo sono sul nostro sito web, non possiamo consigliarti su ciò di cui hai bisogno, per questo dovrai restituire la macchina per la riparazione. Nota quanto segue al momento dell’ordinazione:
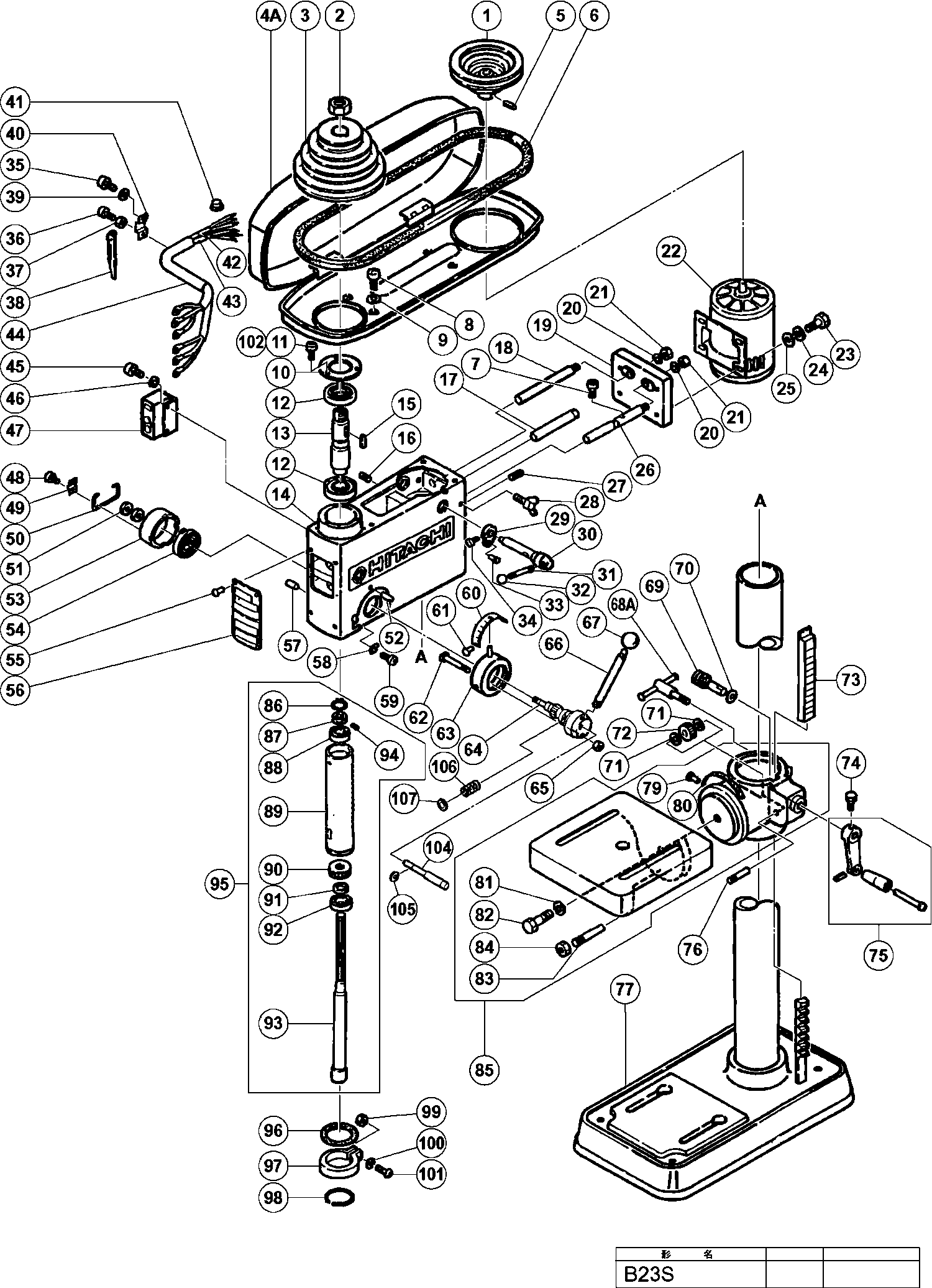
Disegni tecnici di Hikoki B23S
Elenco parti di Hikoki B23S
| Pos. | Descrizione | Prezzo IVA escl | Prezzo IVA incl | |
| I prezzi indicati sono comprensivi di IVA | ||||
| Nessuna informazione disponibile, non ordinabile | ||||
| *14 | 305650 | |||
| Rondella di molla M6 (vecchio 949455z, 10 pezzi) | ||||
| *24 | 949455 | 1.05 | 1.28 | |
| Rondella M6 (10 Pezzi) | ||||
| *25 | 949432 | 1.05 | 1.28 | |
| Giunzione di saldatura 50091 (10 pezzi) | ||||
| *41 | 959140 | 3.30 | 4.03 | |
| Nessuna informazione disponibile, non ordinabile | ||||
| *43 | 500243Z | |||
| Puleggia (a) | ||||
| 1 | 988315 | 52.66 | 64.25 | |
| Nessuna informazione disponibile, non ordinabile | ||||
| 2 | 932424 | |||
| PULLY | ||||
| 3 | 932485 | 66.94 | 81.67 | |
| Nessuna informazione disponibile, non ordinabile | ||||
| 4A | 932470 | |||
| Vite di regolazione esagonale M6x10 | ||||
| 5 | 968247 | 1.04 | 1.27 | |
| Nessuna informazione disponibile, non ordinabile | ||||
| 6 | 932473 | |||
| Vite esagonale incassata M6x12 (vecchio 949657z,10 | ||||
| 7 | 949657 | 3.00 | 3.66 | |
| Nessuna informazione disponibile, non ordinabile | ||||
| 8 | 949254 | |||
| Rondella di molla M6 (vecchio 949455z, 10 pezzi) | ||||
| 9 | 949455 | 1.05 | 1.28 | |
| Nessuna informazione disponibile, non ordinabile | ||||
| 10 | 932442 | |||
| Vite della macchina M5x8 (10 pezzi) | ||||
| 11 | 949235 | 1.05 | 1.28 | |
| Cuscinetto a sfera 6207vvcmps2s | ||||
| 12 | 6207VV | 17.46 | 21.30 | |
| Nessuna informazione disponibile, non ordinabile | ||||
| 13 | 932423 | |||
| Nessuna informazione disponibile, non ordinabile | ||||
| 14 | 988320 | |||
| Nessuna informazione disponibile, non ordinabile | ||||
| 15 | 932447 | |||
| Nessuna informazione disponibile, non ordinabile | ||||
| 16 | 932445 | |||
| Nessuna informazione disponibile, non ordinabile | ||||
| 17 | 949887 | |||
| Nessuna informazione disponibile, non ordinabile | ||||
| 18 | 988310 | |||
| Nessuna informazione disponibile, non ordinabile | ||||
| 19 | 932591 | |||
| Rondella di sicurezza M12 (10 pezzi) | ||||
| 20 | 949463 | 1.65 | 2.01 | |
| Dado autobloccante M12 (10 pz) | ||||
| 21 | 949574 | 3.00 | 3.66 | |
| BOUT M8X20 (10 STUKS) (OUD 949624Z, | ||||
| 23 | 949624 | 1.50 | 1.83 | |
| BOLT M6X20 (10 PCS) | ||||
| 23 | 949676 | 1.26 | 1.54 | |
| Rondella di sicurezza M8 (10 pezzi) | ||||
| 24 | 949457 | 1.05 | 1.28 | |
| Rondella di molla M6 (vecchio 949455z, 10 pezzi) | ||||
| 24 | 949455 | 1.05 | 1.28 | |
| Rondella M6 (10 Pezzi) | ||||
| 25 | 949432 | 1.05 | 1.28 | |
| Rondella M8 (10 Pezzi) | ||||
| 25 | 949433 | 1.05 | 1.28 | |
| Nessuna informazione disponibile, non ordinabile | ||||
| 26 | 932489 | |||
| INBUSBOUT M10X18 *TD5-5-4* | ||||
| 27 | 932446 | 1.00 | 1.22 | |
| Nessuna informazione disponibile, non ordinabile | ||||
| 28 | 988325 | |||
| Nessuna informazione disponibile, non ordinabile | ||||
| 29 | 932148 | |||
| Nessuna informazione disponibile, non ordinabile | ||||
| 30 | 988321 | |||
| Nessuna informazione disponibile, non ordinabile | ||||
| 31 | 932461 | |||
| Nessuna informazione disponibile, non ordinabile | ||||
| 32 | 932462 | |||
| Nessuna informazione disponibile, non ordinabile | ||||
| 33 | 932147 | |||
| Vite della macchina M6x20 (10 pezzi) | ||||
| 34 | 949258 | 1.65 | 2.01 | |
| Nessuna informazione disponibile, non ordinabile | ||||
| 35 | 949254 | |||
| Vite della macchina M6x22 (10 pezzi) | ||||
| 36 | 949259 | 1.65 | 2.01 | |
| Dado M6 (10pcs) | ||||
| 37 | 949556 | 1.05 | 1.28 | |
| Nessuna informazione disponibile, non ordinabile | ||||
| 38 | 932482 | |||
| Rondella di molla M6 (vecchio 949455z, 10 pezzi) | ||||
| 39 | 949455 | 1.05 | 1.28 | |
| Nessuna informazione disponibile, non ordinabile | ||||
| 40 | 932479 | |||
| Giunzione di saldatura 50092 (10 pezzi) | ||||
| 41 | 959141 | 3.75 | 4.58 | |
| Giunzione di saldatura 50091 (10 pezzi) | ||||
| 41 | 959140 | 3.30 | 4.03 | |
| Nessuna informazione disponibile, non ordinabile | ||||
| 42 | 988312 | |||
| Nessuna informazione disponibile, non ordinabile | ||||
| 43 | 951164 | |||
| Nessuna informazione disponibile, non ordinabile | ||||
| 45 | 949254 | |||
| Rondella di molla M6 (vecchio 949455z, 10 pezzi) | ||||
| 46 | 949455 | 1.05 | 1.28 | |
| Interruttore | ||||
| 47 | 951111 | 29.29 | 35.73 | |
| SCHAKELAAR | ||||
| 47 | 951112 | 26.46 | 32.28 | |
| Vite macchina M4x6 (10 pezzi) | ||||
| 48 | 949214 | 1.05 | 1.28 | |
| Nessuna informazione disponibile, non ordinabile | ||||
| 49 | 932459 | |||
| Nessuna informazione disponibile, non ordinabile | ||||
| 50 | 932483 | |||
| Nessuna informazione disponibile, non ordinabile | ||||
| 51 | 949575 | |||
| Nessuna informazione disponibile, non ordinabile | ||||
| 52 | 932444 | |||
| Nessuna informazione disponibile, non ordinabile | ||||
| 53 | 932457 | |||
| Molla (a) | ||||
| 54 | 932458 | 9.30 | 11.35 | |
| Rivetto D2,5x4,8 (10 pezzi) | ||||
| 55 | 949510 | 1.04 | 1.27 | |
| Nessuna informazione disponibile, non ordinabile | ||||
| 57 | 932592 | |||
| Nessuna informazione disponibile, non ordinabile | ||||
| 57A | 312021 | |||
| INDICATORE | ||||
| 58 | 932456 | 1.04 | 1.27 | |
| Nessuna informazione disponibile, non ordinabile | ||||
| 59 | 949254 | |||
| SCHAAL | ||||
| 60 | 932455 | 1.00 | 1.22 | |
| Rivetto D2,5x4,8 (10 pezzi) | ||||
| 61 | 949510 | 1.04 | 1.27 | |
| Nessuna informazione disponibile, non ordinabile | ||||
| 62 | 988319 | |||
| Nessuna informazione disponibile, non ordinabile | ||||
| 63 | 932454 | |||
| Nessuna informazione disponibile, non ordinabile | ||||
| 64 | 988316 | |||
| Dado Speciale M8 | ||||
| 65 | 932593 | 1.35 | 1.65 | |
| Nessuna informazione disponibile, non ordinabile | ||||
| 66 | 988317 | |||
| Nessuna informazione disponibile, non ordinabile | ||||
| 67 | 988318 | |||
| Nessuna informazione disponibile, non ordinabile | ||||
| 68A | 998156 | |||
| INGRANAGGIO | ||||
| 69 | 932313 | 7.05 | 8.60 | |
| SLUITRING | ||||
| 70 | 932314 | 1.00 | 1.22 | |
| RING | ||||
| 71 | 932317 | 1.00 | 1.22 | |
| Nessuna informazione disponibile, non ordinabile | ||||
| 72 | 932316 | |||
| Nessuna informazione disponibile, non ordinabile | ||||
| 73 | 988313 | |||
| BOLT M6X14 (10 PCS) (OLD 949612Z) | ||||
| 74 | 949612 | 1.00 | 1.22 | |
| Nessuna informazione disponibile, non ordinabile | ||||
| 75 | 932595 | |||
| Nessuna informazione disponibile, non ordinabile | ||||
| 76 | 932315 | |||
| Nessuna informazione disponibile, non ordinabile | ||||
| 77 | 932598 | |||
| Rivetto D2,5x4,8 (10 pezzi) | ||||
| 79 | 949510 | 1.04 | 1.27 | |
| Nessuna informazione disponibile, non ordinabile | ||||
| 80 | 932426 | |||
| VEERRING M16 (10STUKS) | ||||
| 81 | 949464 | 1.38 | 1.68 | |
| BOUT | ||||
| 82 | 932322 | 1.62 | 1.98 | |
| KONUS PIN | ||||
| 83 | 932425 | 1.74 | 2.12 | |
| Dado M8 (10 Pezzi) | ||||
| 84 | 949558 | 1.05 | 1.28 | |
| Nessuna informazione disponibile, non ordinabile | ||||
| 85 | 932422 | |||
| Anello di ritenzione tipo C | ||||
| 86 | 948310 | 1.35 | 1.65 | |
| Nessuna informazione disponibile, non ordinabile | ||||
| 87 | 932416 | |||
| Cuscinetto a sfere 6204vvcmps2s | ||||
| 88 | 6204VV | 9.15 | 11.16 | |
| Nessuna informazione disponibile, non ordinabile | ||||
| 90 | 939431 | |||
| DISTANCE WASHER (B) | ||||
| 91 | 932434 | 1.00 | 1.22 | |
| Cuscinetto a sfere 6005VV | ||||
| 92 | 6005VV | 9.75 | 11.90 | |
| Nessuna informazione disponibile, non ordinabile | ||||
| 94 | 932418 | |||
| Nessuna informazione disponibile, non ordinabile | ||||
| 95 | 988314 | |||
| PAKKING | ||||
| 96 | 932437 | 1.74 | 2.12 | |
| STOPPERHOUDER | ||||
| 97 | 932438 | 4.20 | 5.12 | |
| RING | ||||
| 98 | 932439 | 1.00 | 1.22 | |
| Dado M6 (10pcs) | ||||
| 99 | 949556 | 1.05 | 1.28 | |
| Rondella di molla M6 (vecchio 949455z, 10 pezzi) | ||||
| 100 | 949455 | 1.05 | 1.28 | |
| Vite della macchina M6x30 (10 pezzi) | ||||
| 101 | 949262 | 1.80 | 2.20 | |
| Rondella di molla M5 (10 pezzi) | ||||
| 102 | 949454 | 1.04 | 1.27 | |
| Nessuna informazione disponibile, non ordinabile | ||||
| 104 | 988410 | |||
| Rondella | ||||
| 105 | 673489 | 1.04 | 1.27 | |
| Nessuna informazione disponibile, non ordinabile | ||||
| 106 | 988810 | |||
| Anello M4 (10 pezzi) | ||||
| 107 | 949423 | 1.05 | 1.28 | |
| Nessuna informazione disponibile, non ordinabile | ||||
| 901 | 950266 | |||
| Nessuna informazione disponibile, non ordinabile | ||||
| 902 | 950267 | |||
| Nessuna informazione disponibile, non ordinabile | ||||
| 903 | 950262 | |||
| Nessuna informazione disponibile, non ordinabile | ||||
| 904 | 950265 | |||
| Nessuna informazione disponibile, non ordinabile | ||||
| 905 | 930733 | |||
| Nessuna informazione disponibile, non ordinabile | ||||
| 906 | 930904 | |||