Qui troverai tutte le parti e i disegni disponibili di “Hikoki B13R”. Da qui puoi ordinare direttamente tutte le parti desiderate. Molte parti devono essere ordinate dal produttore, a seconda della marca, ciò richiede da una a quattro settimane. Tutte le informazioni che abbiamo sono sul nostro sito web, non possiamo consigliarti su ciò di cui hai bisogno, per questo dovrai restituire la macchina per la riparazione. Nota quanto segue al momento dell’ordinazione:
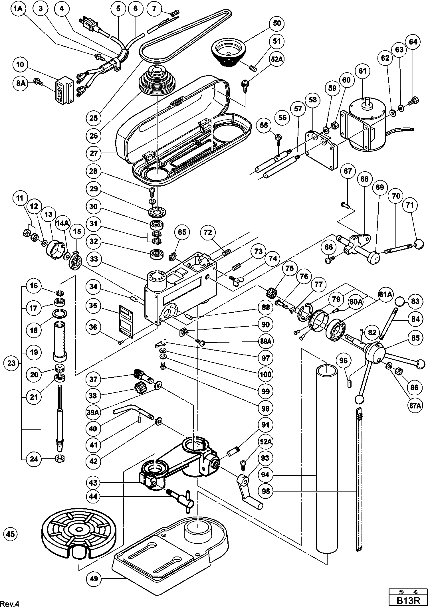
Disegni tecnici di Hikoki B13R
Elenco parti di Hikoki B13R
| Pos. | Descrizione | Prezzo IVA escl | Prezzo IVA incl | |
| I prezzi indicati sono comprensivi di IVA | ||||
| Clip di Nylon | ||||
| *3 | 968300 | 1.65 | 2.01 | |
| Nessuna informazione disponibile, non ordinabile | ||||
| *5 | 951164 | |||
| Nessuna informazione disponibile, non ordinabile | ||||
| *6 | 951117 | |||
| Giunzione di saldatura 50091 (10 pezzi) | ||||
| *7 | 959140 | 3.30 | 4.03 | |
| Vite meccanica (con rondelle) M4x10 (nero) | ||||
| 1A | 304043 | 1.05 | 1.28 | |
| Clip di Nylon | ||||
| 3 | 968300 | 1.65 | 2.01 | |
| Nessuna informazione disponibile, non ordinabile | ||||
| 5 | 951164 | |||
| Nessuna informazione disponibile, non ordinabile | ||||
| 6 | 951117 | |||
| Giunzione di saldatura 50091 (10 pezzi) | ||||
| 7 | 959140 | 3.30 | 4.03 | |
| Vite per Macchina (con rondelle) M6x12 (nero) | ||||
| 8A | 307232 | 1.05 | 1.28 | |
| Interruttore | ||||
| 10 | 951111 | 29.29 | 35.73 | |
| SCHAKELAAR | ||||
| 10 | 951112 | 26.46 | 32.28 | |
| Dado autobloccante M12 (10 pz) | ||||
| 11 | 949574 | 3.00 | 3.66 | |
| Rondella M12 (Vecchio 949437z, 10 Pezzi) | ||||
| 12 | 949437 | 1.95 | 2.38 | |
| VEERKAP | ||||
| 13 | 932350 | 1.00 | 1.22 | |
| RING (D) | ||||
| 14A | 932364 | 1.00 | 1.22 | |
| Molla | ||||
| 15 | 932351 | 7.05 | 8.60 | |
| Anello di sicurezza D15 (10 pezzi) | ||||
| 16 | 939544 | 2.13 | 2.59 | |
| Cuscinetto a sfere 6002 Vv C7mfa | ||||
| 17 | 6002VV | 7.35 | 8.97 | |
| RUBBER RING | ||||
| 18 | 951102 | 1.00 | 1.22 | |
| Nessuna informazione disponibile, non ordinabile | ||||
| 20 | 939286 | |||
| Cuscinetto a sfera 6203vvcmps2s | ||||
| 21 | 6203VV | 7.80 | 9.52 | |
| AS KOMPLEET (ZIE 951535) | ||||
| 23 | 951121 | 148.61 | 181.30 | |
| NUT (D) | ||||
| 24 | 950067 | 1.26 | 1.54 | |
| V-SNAAR | ||||
| 25 | 973230 | 22.82 | 27.84 | |
| Puleggia (b) | ||||
| 26 | 951104 | 69.99 | 85.38 | |
| SNAARDEKSEL | ||||
| 27 | 950138 | 37.07 | 45.23 | |
| Vite M4X14 | ||||
| 28 | 951122 | 1.05 | 1.28 | |
| Coperchio del cuscinetto RTS 400 REQ | ||||
| 29 | 951103 | 1.95 | 2.38 | |
| Cuscinetto a sfere 6005VV | ||||
| 30 | 6005VV | 9.75 | 11.90 | |
| Rondella elastica | ||||
| 31 | 965469 | 1.05 | 1.28 | |
| Cuscinetto a sfere 6005VV | ||||
| 32 | 6005VV | 9.75 | 11.90 | |
| Testa (vecchio 951114) | ||||
| 33 | 951160 | 260.29 | 317.55 | |
| Nessuna informazione disponibile, non ordinabile | ||||
| 34 | 975984 | |||
| Rivetto D2,5x4,8 (10 pezzi) | ||||
| 36 | 949510 | 1.04 | 1.27 | |
| INGRANAGGIO | ||||
| 37 | 932313 | 7.05 | 8.60 | |
| TANDWIEL | ||||
| 38 | 932112 | 3.18 | 3.88 | |
| Nessuna informazione disponibile, non ordinabile | ||||
| 39A | 975081 | |||
| SCHROEF | ||||
| 40 | 950124 | 5.28 | 6.44 | |
| Spinotto D5x25 (10 Pezzi) | ||||
| 41 | 949681 | 3.60 | 4.39 | |
| Rondella M12 (Vecchio 949437z, 10 Pezzi) | ||||
| 42 | 949437 | 1.95 | 2.38 | |
| Nessuna informazione disponibile, non ordinabile | ||||
| 43 | 305662 | |||
| Nessuna informazione disponibile, non ordinabile | ||||
| 44 | 932382 | |||
| Nessuna informazione disponibile, non ordinabile | ||||
| 45 | 932301 | |||
| Piastra di base KS 60 | ||||
| 49 | 951120 | 179.44 | 218.91 | |
| Puleggia (a) | ||||
| 50 | 951530 | 38.36 | 46.80 | |
| Vite di regolazione esagonale M6x10 | ||||
| 51 | 968247 | 1.04 | 1.27 | |
| Vite da macchina (con rondelle) M6x16 | ||||
| 52A | 300197 | 1.05 | 1.28 | |
| Vite esagonale incassata M6x12 (vecchio 949657z,10 | ||||
| 55 | 949657 | 3.00 | 3.66 | |
| Nessuna informazione disponibile, non ordinabile | ||||
| 56 | 951161 | |||
| ROD | ||||
| 57 | 951107 | 5.40 | 6.59 | |
| PLAAT | ||||
| 58 | 951106 | 8.04 | 9.81 | |
| Rondella di sicurezza M12 (10 pezzi) | ||||
| 59 | 949463 | 1.65 | 2.01 | |
| Dado autobloccante M12 (10 pz) | ||||
| 60 | 949574 | 3.00 | 3.66 | |
| Anello M6 (vecchio 949425z , 10 pezzi) | ||||
| 62 | 949425 | 1.05 | 1.28 | |
| Vite M6x12 (10 pezzi) | ||||
| 64 | 949611 | 1.05 | 1.28 | |
| Rondella elastica D10 (10 pezzi) | ||||
| 65 | 939540 | 1.95 | 2.38 | |
| Vite della macchina M6x20 (10 pezzi) | ||||
| 66 | 949258 | 1.65 | 2.01 | |
| Nessuna informazione disponibile, non ordinabile | ||||
| 67 | 932147 | |||
| Nessuna informazione disponibile, non ordinabile | ||||
| 68 | 932158 | |||
| Nessuna informazione disponibile, non ordinabile | ||||
| 69 | 951162 | |||
| Nessuna informazione disponibile, non ordinabile | ||||
| 70 | 932461 | |||
| Nessuna informazione disponibile, non ordinabile | ||||
| 71 | 932462 | |||
| Nessuna informazione disponibile, non ordinabile | ||||
| 72 | 949879 | |||
| INBUSSTELSCHROEF M10X10 | ||||
| 73 | 950141 | 1.00 | 1.22 | |
| VLEUGELSCHROEF M8X25 (10 STUKS) | ||||
| 74 | 949413 | 6.54 | 7.98 | |
| TANDWIEL | ||||
| 75 | 932112 | 3.18 | 3.88 | |
| BLOKKINGBOUT | ||||
| 76 | 932348 | 2.34 | 2.85 | |
| Nessuna informazione disponibile, non ordinabile | ||||
| 77 | 950087 | |||
| Nessuna informazione disponibile, non ordinabile | ||||
| 79 | 950086 | |||
| Rivetto D2,5x4,8 (10 pezzi) | ||||
| 80A | 949510 | 1.04 | 1.27 | |
| Nessuna informazione disponibile, non ordinabile | ||||
| 81A | 333924 | |||
| Pin D4x8 (10 pezzi) | ||||
| 82 | 949483 | 2.40 | 2.93 | |
| Leva | ||||
| 83 | 932344 | 1.35 | 1.65 | |
| Nessuna informazione disponibile, non ordinabile | ||||
| 83A | 944772 | |||
| Leva | ||||
| 84 | 950135 | 5.85 | 7.14 | |
| HANDGREEPHOUDER | ||||
| 85 | 951105 | 64.79 | 79.04 | |
| Dado Speciale M8 | ||||
| 86 | 932593 | 1.35 | 1.65 | |
| Rondella M8 (10 Pezzi) | ||||
| 87A | 949433 | 1.05 | 1.28 | |
| ROL PIN D6X16 (10 STUKS) | ||||
| 88 | 949785 | 1.74 | 2.12 | |
| PIN (OLD 305581) | ||||
| 88 | 951534 | 1.00 | 1.22 | |
| Vite a Macchina M5X16 (10 Pezzi) | ||||
| 89A | 949239 | 1.05 | 1.28 | |
| INDICATOR (B) | ||||
| 90 | 950088 | 1.00 | 1.22 | |
| TANDWIELAS | ||||
| 91 | 950125 | 1.98 | 2.42 | |
| Vite della macchina M6x16 (10 pezzi) | ||||
| 92A | 949256 | 1.35 | 1.65 | |
| Nessuna informazione disponibile, non ordinabile | ||||
| 93 | 305661 | |||
| TANDHEUGEL | ||||
| 95 | 950121 | 19.91 | 24.29 | |
| Spinotto D6x40 (10 Pezzi) | ||||
| 96 | 949686 | 6.75 | 8.24 | |
| STRISCIA | ||||
| 97 | 323094 | 3.30 | 4.03 | |
| Vite della macchina M5x12 (10 pezzi) | ||||
| 98 | 949237 | 1.05 | 1.28 | |
| Rondella di molla M5 (10 pezzi) | ||||
| 99 | 949454 | 1.04 | 1.27 | |
| Rondella di blocco M5 (vecchio 949424z , 10 pezzi) | ||||
| 100 | 949424 | 1.05 | 1.28 | |