Qui troverai tutte le parti e i disegni disponibili di “Festool 10036595 ( TS60KEBQ230VEU )”. Da qui puoi ordinare direttamente tutte le parti desiderate. Molte parti devono essere ordinate dal produttore, a seconda della marca, ciò richiede da una a quattro settimane. Tutte le informazioni che abbiamo sono sul nostro sito web, non possiamo consigliarti su ciò di cui hai bisogno, per questo dovrai restituire la macchina per la riparazione. Nota quanto segue al momento dell’ordinazione:
A causa di una riorganizzazione interna a Festool, gli ordini Festool non verranno consegnati prima della seconda metà di gennaio 2026.
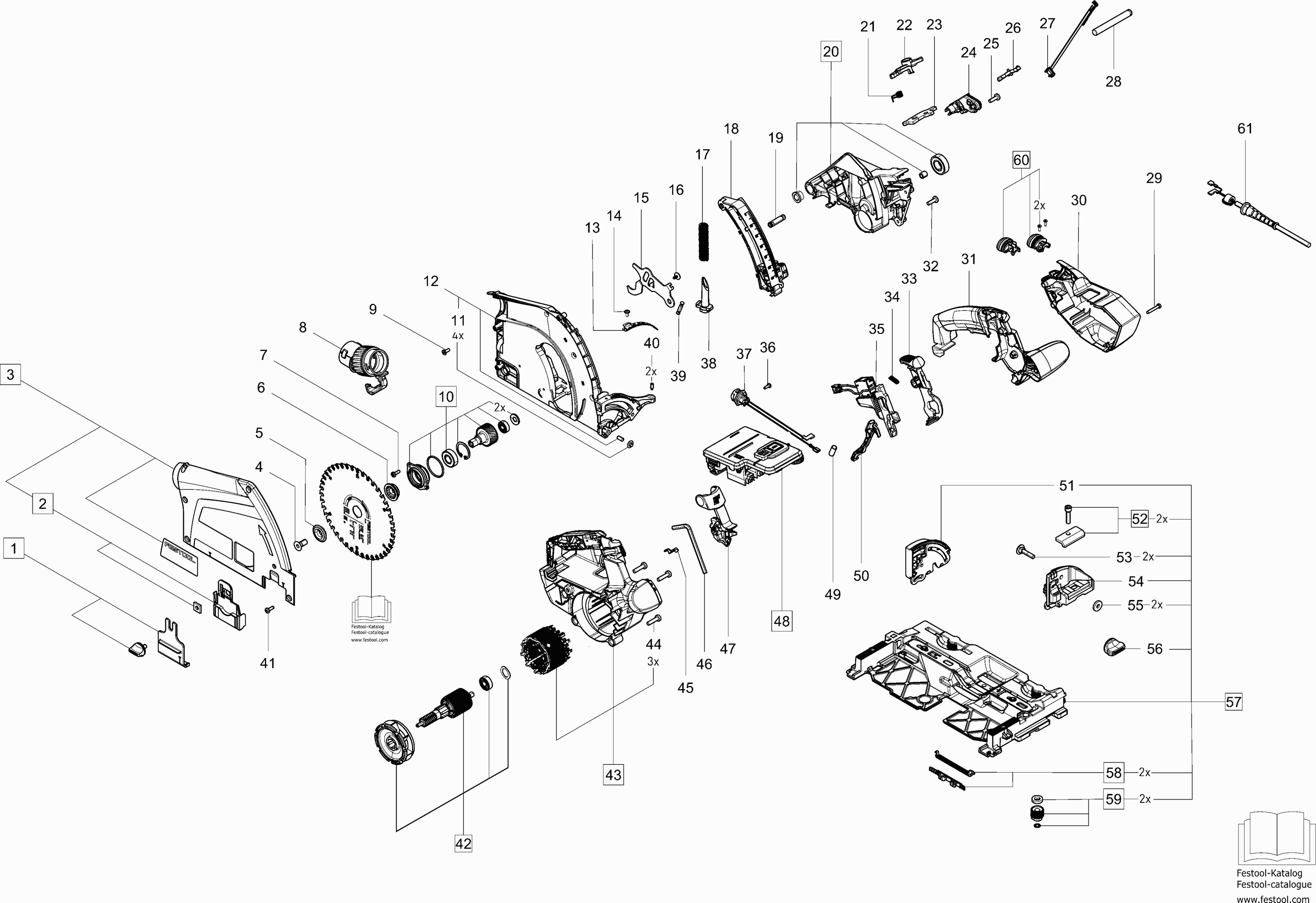
Disegni tecnici di Festool 10036595 ( TS60KEBQ230VEU )
Elenco parti di Festool 10036595 ( TS60KEBQ230VEU )
| Pos. | Descrizione | Prezzo IVA escl | Prezzo IVA incl | |
| I prezzi indicati sono comprensivi di IVA | ||||
| Guardia di Scheggia TS 60 ET-BG | ||||
| 1 | 10679064 | 30.13 | 36.76 | |
| Vetro di osservazione TS 60 ET-BG | ||||
| 2 | 10679065 | 29.64 | 36.16 | |
| Coperchio TS 60 ET-BG | ||||
| 3 | 10679066 | 64.37 | 78.53 | |
| Vite zincata M8x18-010.9 | ||||
| 4 | 10372628 | 1.39 | 1.70 | |
| Flangia Contrapposta TS 60 ET-BG | ||||
| 5 | 10703933 | 39.32 | 47.97 | |
| Anello di serraggio TS 60 ET-BG | ||||
| 6 | 10703934 | 32.43 | 39.56 | |
| Vite a testa ovale M6x50 DIN 7985-4.8 | ||||
| 7 | 476787 | 1.39 | 1.70 | |
| Pezzo angolare TS 60 ET-BG | ||||
| 8 | 10703935 | 36.18 | 44.14 | |
| Vite in zinco REMF-4,0x12-T20 TS 60 | ||||
| 9 | 10366897 | 1.39 | 1.70 | |
| Unità di azionamento TS 60 ET-BG | ||||
| 10 | 10679067 | 72.84 | 88.86 | |
| Bussola di collegamento TS 60 | ||||
| 11 | 10452562 | 1.39 | 1.70 | |
| Cappuccio di protezione TS 60 ET-BG | ||||
| 12 | 10679068 | 77.44 | 94.48 | |
| Scala TS 60 ET-BG | ||||
| 13 | 10703936 | 32.79 | 40.00 | |
| Vite a testa cilindrica | ||||
| 14 | 401063 | 1.39 | 1.70 | |
| Braccio di rilevamento TS 60 | ||||
| 15 | 10329811 | 6.47 | 7.89 | |
| Vite a testa ovale 3,5 x 8 mm | ||||
| 16 | 400688 | 1.39 | 1.70 | |
| Molla compressione | ||||
| 17 | 459187 | 1.92 | 2.34 | |
| Fermo profondità TS 60 ET-BG mm | ||||
| 18 | 10703938 | 39.93 | 48.71 | |
| Molla di trazione TS 60 ET-BG | ||||
| 19 | 10703939 | 27.95 | 34.10 | |
| Cambio TS 60 ET-BG | ||||
| 20 | 10679069 | 88.45 | 107.91 | |
| Molla TS 60 ET-BG | ||||
| 21 | 10703940 | 29.52 | 36.01 | |
| Maniglia di bloccaggio TS 60 ET-BG | ||||
| 22 | 10703941 | 27.95 | 34.10 | |
| Maniglia TS 60 ET-BG | ||||
| 23 | 10703942 | 29.28 | 35.72 | |
| Scatola dell'interruttore TS 60 ET-BG | ||||
| 24 | 10703943 | 28.07 | 34.25 | |
| Vite a testa ovale M6x50 DIN 7985-4.8 | ||||
| 25 | 10016393 | 6.94 | 8.47 | |
| Tasto di inclinazione TS 60 ET-BG | ||||
| 26 | 10703944 | 27.71 | 33.81 | |
| Interruttore TS 60 ET-BG | ||||
| 27 | 10703945 | 38.84 | 47.38 | |
| Bullone | ||||
| 28 | 464215 | 2.90 | 3.54 | |
| Vite a testa piana REMF-4,0x25-FK10-T20schw | ||||
| 29 | 10452873 | 1.39 | 1.70 | |
| Coperchio della scatola TS 60 ET-BG | ||||
| 30 | 10703947 | 35.33 | 43.10 | |
| Kit della scatola TS 60 ET-BG | ||||
| 31 | 10703948 | 40.78 | 49.75 | |
| Vite a testa ovale M6x50 DIN 7985-4.8 | ||||
| 32 | 10016393 | 6.94 | 8.47 | |
| Pulsante TS 60 ET-BG | ||||
| 33 | 10703949 | 29.40 | 35.87 | |
| Molla di compressione TS 60 | ||||
| 34 | 10573215 | 1.32 | 1.61 | |
| Unità di Commutazione TS 60 ET-BG | ||||
| 35 | 10703950 | 17.91 | 21.85 | |
| Vite a testa ovale 3,5 x 10 mm | ||||
| 36 | 219031 | 7.32 | 8.93 | |
| Alloggiamento della Spina TS 60 ET-BG | ||||
| 37 | 10703951 | 39.93 | 48.71 | |
| Perno TS 60 ET-BG | ||||
| 38 | 10703952 | 28.07 | 34.25 | |
| Molla TS 60 | ||||
| 39 | 10288521 | 1.32 | 1.61 | |
| Perno filettato ISO 4028 M5x12 Precote 2 | ||||
| 40 | 10366894 | 1.32 | 1.61 | |
| Vite a testa piatta TT2K-4,0x12-10.9-T20 | ||||
| 41 | 10366886 | 1.39 | 1.70 | |
| Rotor TS 60 ET-BG | ||||
| 42 | 10679070 | 173.76 | 211.99 | |
| Casa motore TS 60 ET-BG | ||||
| 43 | 10679071 | 112.77 | 137.58 | |
| Vite a testa bombata 3,0 x 12 mm | ||||
| 44 | 219069 | 1.39 | 1.70 | |
| Pezzo di serraggio LHS 2 225 EQI | ||||
| 45 | 10260539 | 1.39 | 1.70 | |
| Cacciavite SW 5 DIN911 | ||||
| 46 | 202752 | 1.39 | 1.70 | |
| Maniglia TS 60 ET-BG | ||||
| 47 | 10703954 | 28.92 | 35.28 | |
| ELECTRONIC TS 60 230V ET-BG | ||||
| 48 | 10682604 | 170.49 | 208.00 | |
| Molla di compressione TS 60 | ||||
| 49 | 10398705 | 1.39 | 1.70 | |
| Bullone di arresto TS 60 ET-BG | ||||
| 50 | 10703956 | 31.58 | 38.53 | |
| Segmento oscillante TS 60 ET-BG | ||||
| 51 | 10703957 | 36.18 | 44.14 | |
| Accoppiamento TS 60 ET-BG | ||||
| 52 | 10703953 | 30.37 | 37.05 | |
| vite di serraggio M6x29,5 / TS 60 | ||||
| 53 | 10171470 | 1.32 | 1.61 | |
| Segmento oscillante TS 60 ET-BG | ||||
| 54 | 10703958 | 40.29 | 49.15 | |
| Disco | ||||
| 55 | 402935 | 1.39 | 1.70 | |
| Manopola Rotante TS 60 | ||||
| 56 | 10196079 | 4.30 | 5.25 | |
| Piastra di guida TS 60 ET-BG | ||||
| 57 | 10679072 | 135.04 | 164.75 | |
| Scarpe di guida TS 60 ET-BG | ||||
| 58 | 10679073 | 28.92 | 35.28 | |
| Ruota di regolazione KS 60 | ||||
| 59 | 200174 | 24.56 | 29.96 | |