Qui troverai tutte le parti e i disegni disponibili di “Festool 583208 ( SR201E-AS )”. Da qui puoi ordinare direttamente tutte le parti desiderate. Molte parti devono essere ordinate dal produttore, a seconda della marca, ciò richiede da una a quattro settimane. Tutte le informazioni che abbiamo sono sul nostro sito web, non possiamo consigliarti su ciò di cui hai bisogno, per questo dovrai restituire la macchina per la riparazione. Nota quanto segue al momento dell’ordinazione:
A causa di una riorganizzazione interna a Festool, gli ordini Festool non verranno consegnati prima della seconda metà di gennaio 2026.
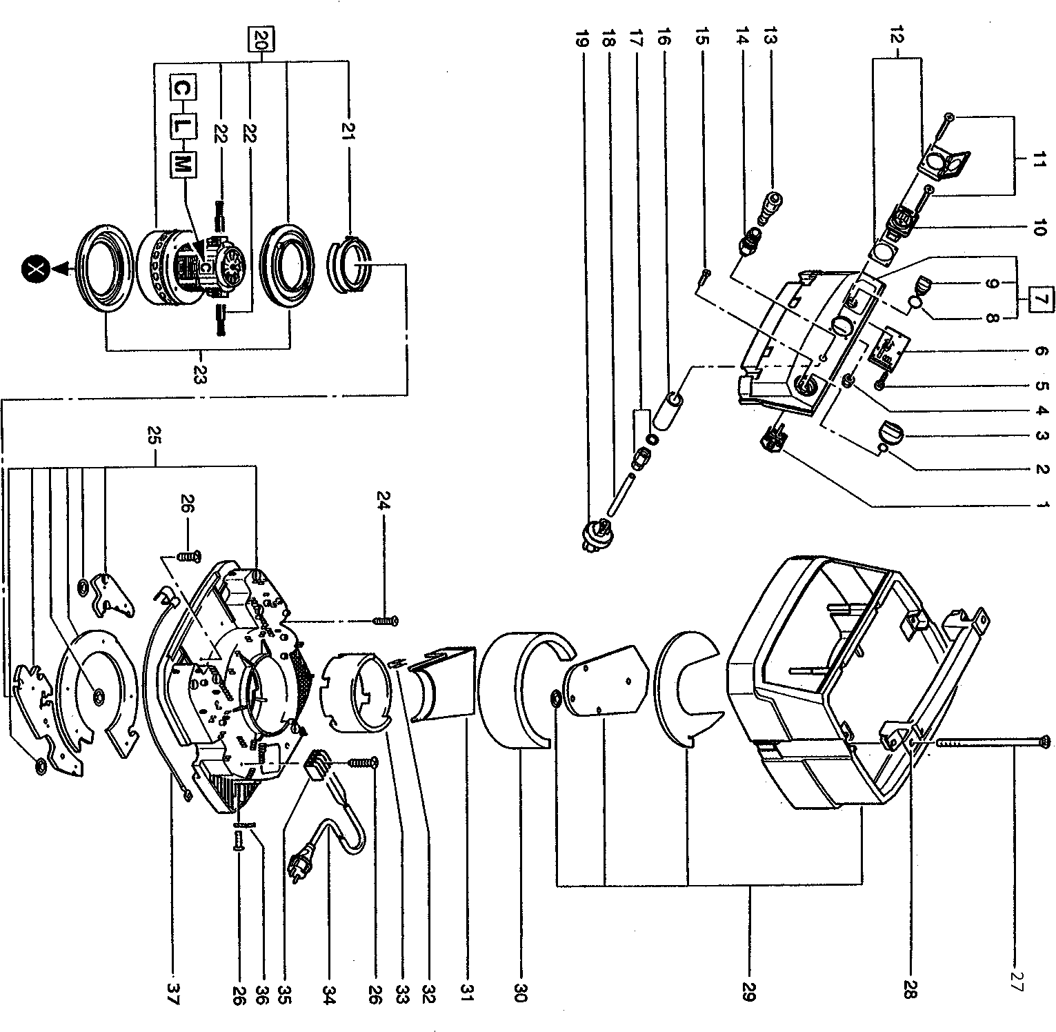
Disegni tecnici di Festool 583208 ( SR201E-AS )
Elenco parti di Festool 583208 ( SR201E-AS )
| Pos. | Descrizione | Prezzo IVA escl | Prezzo IVA incl | |
| I prezzi indicati sono comprensivi di IVA | ||||
| Nessuna informazione disponibile, non ordinabile | ||||
| 1 | xxx | |||
| Anello O | ||||
| 2 | 625308 | 9.43 | 11.50 | |
| Non più disponibile, nessuna sostituzione | ||||
| 3 | 445234 | |||
| Nessuna informazione disponibile, non ordinabile | ||||
| 5 | xxx | |||
| Nessuna informazione disponibile, non ordinabile | ||||
| 6 | xxx | |||
| Nessuna informazione disponibile, non ordinabile | ||||
| 7 | xxx | |||
| Nessuna informazione disponibile, non ordinabile | ||||
| 8 | 222037 | |||
| Non più disponibile, nessuna sostituzione | ||||
| 9 | 445241 | |||
| Presa Eu | ||||
| 10 | 445235 | 43.44 | 53.00 | |
| Nessuna informazione disponibile, non ordinabile | ||||
| 11 | xxx | |||
| Copertura TURBO II | ||||
| 12 | 200504 | 12.83 | 15.65 | |
| Vite a svasatura M4 x 12 | ||||
| 15 | 228555 | 1.39 | 1.70 | |
| Motore 230 V | ||||
| 20 | 490755 | 288.71 | 352.23 | |
| Nessuna informazione disponibile, non ordinabile | ||||
| 21 | 490668 | |||
| SPAZZOLA 12X8 M. MOLLA U-CONTATTO | ||||
| 22 | 625316 | 52.64 | 64.22 | |
| Spazzola Rimovibile (coppia) 230v | ||||
| 22 | 452876 | 43.92 | 53.58 | |
| Nessuna informazione disponibile, non ordinabile | ||||
| 23 | 490668 | |||
| Nessuna informazione disponibile, non ordinabile | ||||
| 24 | 412054 | |||
| STRISCIA | ||||
| 25 | 487119 | 186.82 | 227.92 | |
| Nessuna informazione disponibile, non ordinabile | ||||
| 26 | 412094 | |||
| Vite a brugola a testa svasata | ||||
| 27 | 445248 | 3.77 | 4.60 | |
| Nessuna informazione disponibile, non ordinabile | ||||
| 28 | xxx | |||
| Nessuna informazione disponibile, non ordinabile | ||||
| 29 | xxx | |||
| Nessuna informazione disponibile, non ordinabile | ||||
| 30 | xxx | |||
| Nessuna informazione disponibile, non ordinabile | ||||
| 31 | xxx | |||
| Nessuna informazione disponibile, non ordinabile | ||||
| 32 | xxx | |||
| Nessuna informazione disponibile, non ordinabile | ||||
| 33 | xxx | |||
| Cavo 7,5 m Eu | ||||
| 34 | 452078 | 70.42 | 85.91 | |
| Nessuna informazione disponibile, non ordinabile | ||||
| 35 | xxx | |||
| Nessuna informazione disponibile, non ordinabile | ||||
| 36 | xxx | |||
| Nessuna informazione disponibile, non ordinabile | ||||
| 37 | xxx | |||
| Nessuna informazione disponibile, non ordinabile | ||||
| 101 | xxx | |||
| Nessuna informazione disponibile, non ordinabile | ||||
| 102 | xxx | |||
| Nessuna informazione disponibile, non ordinabile | ||||
| 103 | xxx | |||
| Nessuna informazione disponibile, non ordinabile | ||||
| 104 | 412054 | |||
| Nessuna informazione disponibile, non ordinabile | ||||
| 105 | xxx | |||
| Nessuna informazione disponibile, non ordinabile | ||||
| 106 | xxx | |||
| Nessuna informazione disponibile, non ordinabile | ||||
| 107 | xxx | |||
| Nessuna informazione disponibile, non ordinabile | ||||
| 108 | 485808 | |||
| Non più disponibile, nessuna sostituzione | ||||
| 109 | 412092 | |||
| Nessuna informazione disponibile, non ordinabile | ||||
| 115 | 500677 | |||
| Nessuna informazione disponibile, non ordinabile | ||||
| 116 | 202346 | |||
| Nessuna informazione disponibile, non ordinabile | ||||
| 118 | xxx | |||
| Nessuna informazione disponibile, non ordinabile | ||||
| 119 | 412039 | |||
| Nessuna informazione disponibile, non ordinabile | ||||
| 120 | xxx | |||
| Nessuna informazione disponibile, non ordinabile | ||||
| 121 | xxx | |||
| Nessuna informazione disponibile, non ordinabile | ||||
| 122 | 487070 | |||
| Nessuna informazione disponibile, non ordinabile | ||||
| 123 | xxx | |||
| Disco DIN 125-A-4,3-140 HV | ||||
| 124 | 200576 | 1.39 | 1.70 | |
| Non più disponibile, nessuna sostituzione | ||||
| 125 | 438702 | |||
| Nessuna informazione disponibile, non ordinabile | ||||
| 126 | xxx | |||
| Non più disponibile, nessuna sostituzione | ||||
| 127 | 445211 | |||
| Tappo di plastica CT MINI ET-BG | ||||
| 128 | 445210 | 7.46 | 9.10 | |
| Non più disponibile, nessuna sostituzione | ||||
| 129 | 445209 | |||
| Ruota pivotante | ||||
| 130 | 625333 | 19.24 | 23.47 | |
| Nessuna informazione disponibile, non ordinabile | ||||
| 131 | xxx | |||
| Nessuna informazione disponibile, non ordinabile | ||||
| 132 | xxx | |||