Qui troverai tutte le parti e i disegni disponibili di “Festool 485828 ( RW900E )”. Da qui puoi ordinare direttamente tutte le parti desiderate. Molte parti devono essere ordinate dal produttore, a seconda della marca, ciò richiede da una a quattro settimane. Tutte le informazioni che abbiamo sono sul nostro sito web, non possiamo consigliarti su ciò di cui hai bisogno, per questo dovrai restituire la macchina per la riparazione. Nota quanto segue al momento dell’ordinazione:
A causa di una riorganizzazione interna a Festool, gli ordini Festool non verranno consegnati prima della seconda metà di gennaio 2026.
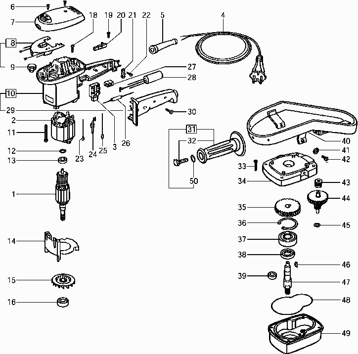
Disegni tecnici di Festool 485828 ( RW900E )
Elenco parti di Festool 485828 ( RW900E )
| Pos. | Descrizione | Prezzo IVA escl | Prezzo IVA incl | |
| I prezzi indicati sono comprensivi di IVA | ||||
| Indotto 230 V | ||||
| 1 | 491884 | 144.84 | 176.70 | |
| Magnete del campo 230 V | ||||
| 2 | 491885 | 55.30 | 67.47 | |
| Interruttore di montaggio | ||||
| 3 | 486317 | 15.00 | 18.30 | |
| Cavo Eu | ||||
| 4 | 457603 | 24.80 | 30.26 | |
| Guaina di protezione del cavo | ||||
| 5 | 432436 | 1.39 | 1.70 | |
| Vite a testa ovale 3,5 x 10 mm | ||||
| 6 | 219031 | 7.32 | 8.93 | |
| Non più disponibile, nessuna sostituzione | ||||
| 7 | 450552 | |||
| Elettronica di controllo TURBO II | ||||
| 8 | 488954 | 92.32 | 112.63 | |
| Nessuna informazione disponibile, non ordinabile | ||||
| 9 | 453703 | |||
| Telaio del motore AG 125-14 DE | ||||
| 10 | 487834 | 37.51 | 45.76 | |
| Vite a testa ovale PT-4,0x50-KT15 | ||||
| 11 | 228707 | 1.39 | 1.70 | |
| RONDELLA 14x21,8x0,3 L+MN 1100 | ||||
| 12 | 203777 | 1.39 | 1.70 | |
| Cuscinetto a sfere a gola 608 D1 MC3 E U152 J2 HA1 | ||||
| 13 | 10775821 | 5.09 | 6.21 | |
| Disco guida aria HK 85 | ||||
| 14 | 434430 | 2.11 | 2.57 | |
| Ventola Sunon PMD2412PMB1-A | ||||
| 15 | 441731 | 3.56 | 4.34 | |
| CUSCINETTO A SFERE OSC 18 | ||||
| 16 | 401601 | 8.05 | 9.82 | |
| Vite a testa ovale M4x20-TAPTITE-T15 | ||||
| 18 | 228569 | 1.39 | 1.70 | |
| Vite a testa ovale 3,5 x 10 mm | ||||
| 19 | 219031 | 7.32 | 8.93 | |
| Portaspazzole con carbonio (coppia) 230V | ||||
| 20 | 488915 | 17.54 | 21.40 | |
| Morsetto per cavo RTK-S | ||||
| 21 | 431899 | 1.39 | 1.70 | |
| Vite a testa svasata 3,5 x 16 mm | ||||
| 22 | 228663 | 1.39 | 1.70 | |
| Conduttore flessibile KL | ||||
| 23 | 440586 | 1.51 | 1.84 | |
| Morsetto a U | ||||
| 24 | 443331 | 1.51 | 1.84 | |
| Nessuna informazione disponibile, non ordinabile | ||||
| 25 | 440585 | |||
| CONDENSATORE | ||||
| 28 | 436753 | 11.55 | 14.09 | |
| COPERTURA | ||||
| 29 | 451402 | 6.26 | 7.64 | |
| Vite a testa ovale PT-4,0x20-KT15 | ||||
| 30 | 228567 | 1.39 | 1.70 | |
| Maniglia TSC 55 | ||||
| 31 | 203755 | 18.51 | 22.58 | |
| Bullone esagonale M10 x 30 | ||||
| 32 | 400159 | 1.39 | 1.70 | |
| Vite a testa ovale M4x20-TAPTITE-T15 | ||||
| 33 | 228569 | 1.39 | 1.70 | |
| Coperchio del cuscinetto RTS 400 REQ | ||||
| 34 | 487492 | 54.09 | 65.99 | |
| INGRANAGGIO | ||||
| 35 | 435670 | 64.74 | 78.98 | |
| Anello di bloccaggio | ||||
| 36 | 771487 | 1.39 | 1.70 | |
| CUSCINETTO A SFERE OSC 18 | ||||
| 37 | 789921 | 10.10 | 12.32 | |
| Anello di tenuta albero | ||||
| 38 | 410653 | 16.34 | 19.93 | |
| Boccola LEX 3 | ||||
| 39 | 436623 | 3.04 | 3.71 | |
| Rondella | ||||
| 40 | 483903 | 96.56 | 117.80 | |
| Nessuna informazione disponibile, non ordinabile | ||||
| 41 | xxx | |||
| Vite a testa cilindrica M6 x 18 | ||||
| 42 | 223541 | 1.39 | 1.70 | |
| CUSCINETTO A RULLINI | ||||
| 43 | 483149 | 15.73 | 19.19 | |
| INGRANAGGIO | ||||
| 44 | 484487 | 61.95 | 75.58 | |
| Disco | ||||
| 45 | 435669 | 1.98 | 2.42 | |
| Chiave a gola | ||||
| 46 | 200773 | 1.39 | 1.70 | |
| Albero Motore | ||||
| 47 | 435671 | 56.39 | 68.80 | |
| Corda di imballaggio EAA EW/DW Turbo/A ET-BG | ||||
| 48 | 438515 | 3.24 | 3.95 | |
| Scatola del cambio ISC 240 ET-BG | ||||
| 49 | 487491 | 55.66 | 67.91 | |
| Anello O | ||||
| 50 | 200920 | 1.39 | 1.70 | |