Qui troverai tutte le parti e i disegni disponibili di “Festool 486714 ( RS3E-STF230V )”. Da qui puoi ordinare direttamente tutte le parti desiderate. Molte parti devono essere ordinate dal produttore, a seconda della marca, ciò richiede da una a quattro settimane. Tutte le informazioni che abbiamo sono sul nostro sito web, non possiamo consigliarti su ciò di cui hai bisogno, per questo dovrai restituire la macchina per la riparazione. Nota quanto segue al momento dell’ordinazione:
A causa di una riorganizzazione interna a Festool, gli ordini Festool non verranno consegnati prima della seconda metà di gennaio 2026.
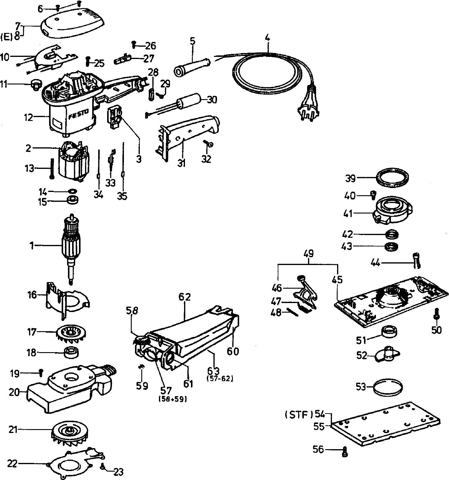
Disegni tecnici di Festool 486714 ( RS3E-STF230V )
Elenco parti di Festool 486714 ( RS3E-STF230V )
| Pos. | Descrizione | Prezzo IVA escl | Prezzo IVA incl | |
| I prezzi indicati sono comprensivi di IVA | ||||
| Indotto 230v | ||||
| 1 | 493160 | 124.75 | 152.20 | |
| Magnete del campo 230 V | ||||
| 2 | 493161 | 46.22 | 56.39 | |
| Interruttore di montaggio | ||||
| 3 | 486317 | 15.00 | 18.30 | |
| Cavo Eu | ||||
| 4 | 457600 | 24.32 | 29.67 | |
| Guaina di protezione del cavo | ||||
| 5 | 432436 | 1.39 | 1.70 | |
| Vite a testa ovale 3,5 x 10 mm | ||||
| 6 | 219031 | 7.32 | 8.93 | |
| Tappo | ||||
| 8 | 488661 | 11.78 | 14.37 | |
| Elettronica di regolazione 230 V | ||||
| 10 | 486686 | 61.47 | 74.99 | |
| Nessuna informazione disponibile, non ordinabile | ||||
| 11 | xxx | |||
| Telaio del motore AG 125-14 DE | ||||
| 12 | 487834 | 37.51 | 45.76 | |
| Vite a testa ovale PT-4,0x50-KT15 | ||||
| 13 | 228707 | 1.39 | 1.70 | |
| RONDELLA 14x21,8x0,3 L+MN 1100 | ||||
| 14 | 203777 | 1.39 | 1.70 | |
| Cuscinetto a sfere a gola 608 D1 MC3 E U152 J2 HA1 | ||||
| 15 | 10775821 | 5.09 | 6.21 | |
| Disco guida aria HK 85 | ||||
| 16 | 434430 | 2.11 | 2.57 | |
| Ventola Sunon PMD2412PMB1-A | ||||
| 17 | 441731 | 3.56 | 4.34 | |
| CUSCINETTO A SFERE OSC 18 | ||||
| 18 | 401601 | 8.05 | 9.82 | |
| Vite a testa fresata M4x10-DIN 966-4.8 | ||||
| 19 | 228572 | 1.39 | 1.70 | |
| Coperchio del cuscinetto RTS 400 REQ | ||||
| 20 | 442217 | 49.00 | 59.78 | |
| Nessuna informazione disponibile, non ordinabile | ||||
| 21 | xxx | |||
| STRISCIA | ||||
| 22 | 438717 | 4.03 | 4.92 | |
| Vite a testa ovale M4x8-TAPTITE-T15 | ||||
| 23 | 228570 | 9.17 | 11.19 | |
| Vite a testa ovale M4x20-TAPTITE-T15 | ||||
| 25 | 228569 | 1.39 | 1.70 | |
| Vite a testa ovale 3,5 x 10 mm | ||||
| 26 | 219031 | 7.32 | 8.93 | |
| Carboncillo (paio) 220-230v | ||||
| 27 | 489018 | 10.75 | 13.12 | |
| Morsetto per cavi KS 60 E | ||||
| 28 | 439288 | 1.39 | 1.70 | |
| Vite a testa svasata 3,5 x 16 mm | ||||
| 29 | 228663 | 1.39 | 1.70 | |
| CONDENSATORE | ||||
| 30 | 436753 | 11.55 | 14.09 | |
| COPERTURA | ||||
| 31 | 451402 | 6.26 | 7.64 | |
| Vite a testa ovale PT-4,0x20-KT15 | ||||
| 32 | 228567 | 1.39 | 1.70 | |
| Morsetto a U | ||||
| 33 | 443331 | 1.51 | 1.84 | |
| Nessuna informazione disponibile, non ordinabile | ||||
| 34 | 440585 | |||
| Nessuna informazione disponibile, non ordinabile | ||||
| 35 | 443878 | |||
| Anello di tenuta | ||||
| 39 | 434525 | 6.67 | 8.14 | |
| Vite a testa ovale M4 x 10 | ||||
| 40 | 228586 | 1.39 | 1.70 | |
| Cappello di aspirazione | ||||
| 41 | 438293 | 2.64 | 3.22 | |
| Non più disponibile, nessuna sostituzione | ||||
| 42 | 438173 | |||
| Nessuna informazione disponibile, non ordinabile | ||||
| 43 | xxx | |||
| PIEDE IN GOMMA | ||||
| 44 | 483723 | 7.20 | 8.78 | |
| Piastra CS 50 EB | ||||
| 45 | 486259 | 117.37 | 143.19 | |
| Piastra CS 50 EB | ||||
| 45 | 462119 | 51.42 | 62.73 | |
| FERMAGLIO PER CAVO | ||||
| 46 | 482039 | 31.22 | 38.09 | |
| Molla di torsione TSF 55 | ||||
| 47 | 434588 | 2.30 | 2.81 | |
| Spillo | ||||
| 48 | 434528 | 1.92 | 2.34 | |
| Piastra CS 50 EB | ||||
| 49 | 486259 | 117.37 | 143.19 | |
| Vite a testa ovale DIN 7985-M4x8-8.8-T15 | ||||
| 50 | 228735 | 1.39 | 1.70 | |
| CUSCINETTO A SFERE OSC 18 | ||||
| 51 | 228756 | 9.50 | 11.59 | |
| Camme LEX 3 125/3 | ||||
| 52 | 451089 | 26.50 | 32.33 | |
| Tappo | ||||
| 53 | 435290 | 1.78 | 2.17 | |
| STICK-FIX SCHUU SSH-STF 93X175/8 | ||||
| 54 | 483905 | 29.00 | 35.38 | |
| Non più disponibile, nessuna sostituzione | ||||
| 55 | 489630 | |||
| Vite a testa ovale M4x10 DIN 7985 | ||||
| 56 | 228733 | 1.39 | 1.70 | |
| Adattatore del filtro CT EC/B22 R1 ET-BG | ||||
| 57 | 486759 | 15.97 | 19.48 | |
| Pulsante di rotazione M4 | ||||
| 58 | 486767 | 1.39 | 1.70 | |
| Dado esagonale M4 | ||||
| 59 | 200715 | 1.39 | 1.70 | |
| TURBOFILTER-SET TFS II-ET/RS | ||||
| 60 | 487780 | 25.00 | 30.50 | |
| Vite flangiata TSF 55 | ||||
| 61 | 444327 | 1.39 | 1.70 | |
| TURBOFILTER TF II-ET/RS/5X | ||||
| 62 | 487779 | 8.00 | 9.76 | |
| TURBOFILTER-SET TFS II-ET/RS | ||||
| 63 | 487780 | 25.00 | 30.50 | |