Qui troverai tutte le parti e i disegni disponibili di “Festool 489869 ( RO150E230V )”. Da qui puoi ordinare direttamente tutte le parti desiderate. Molte parti devono essere ordinate dal produttore, a seconda della marca, ciò richiede da una a quattro settimane. Tutte le informazioni che abbiamo sono sul nostro sito web, non possiamo consigliarti su ciò di cui hai bisogno, per questo dovrai restituire la macchina per la riparazione. Nota quanto segue al momento dell’ordinazione:
A causa di una riorganizzazione interna a Festool, gli ordini Festool non verranno consegnati prima della seconda metà di gennaio 2026.
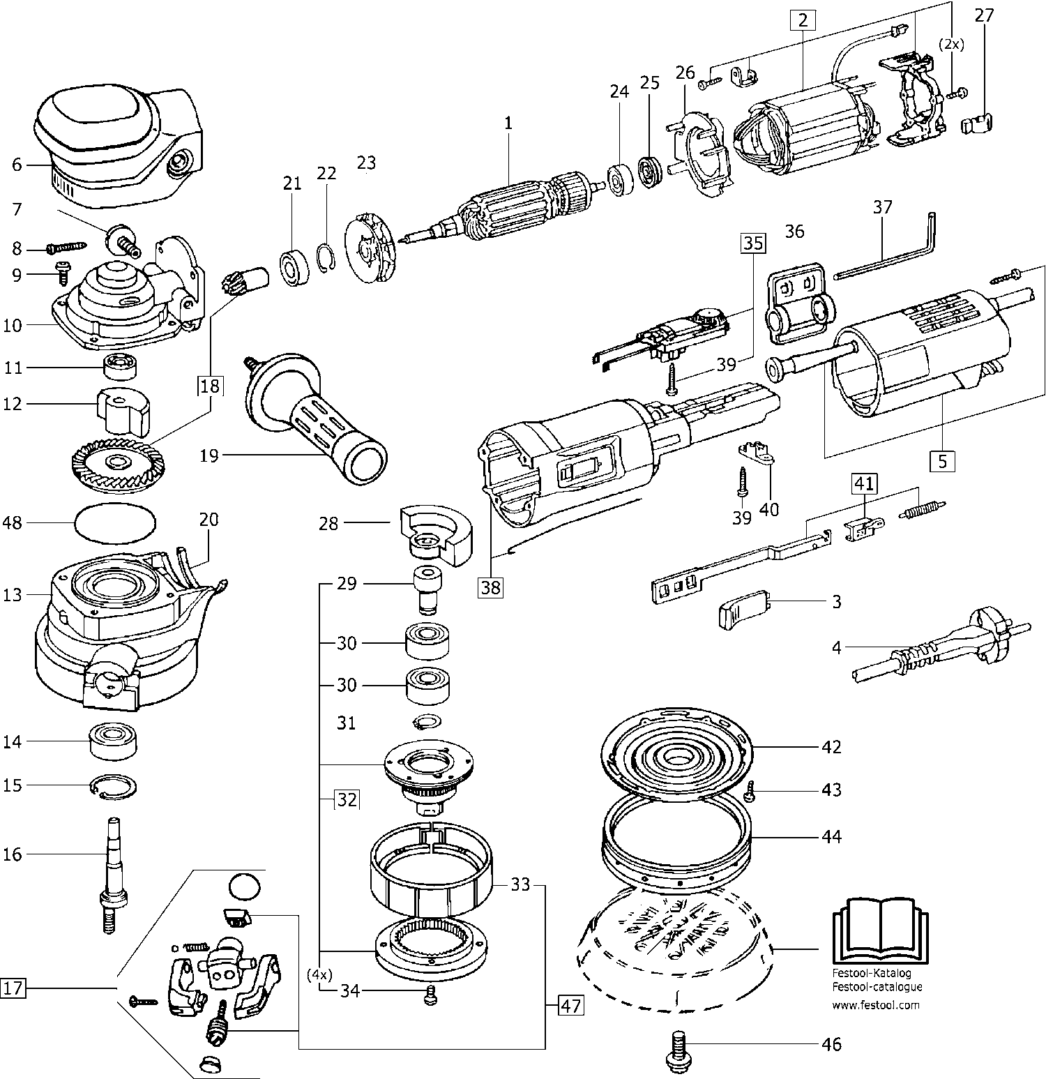
Disegni tecnici di Festool 489869 ( RO150E230V )
Elenco parti di Festool 489869 ( RO150E230V )
| Pos. | Descrizione | Prezzo IVA escl | Prezzo IVA incl | |
| I prezzi indicati sono comprensivi di IVA | ||||
| Indotto 230 V | ||||
| 1 | 492456 | 82.40 | 100.53 | |
| Magnete del campo 230 V | ||||
| 2 | 487791 | 43.44 | 53.00 | |
| Scorrimento dell'interruttore | ||||
| 3 | 446002 | 4.88 | 5.95 | |
| Cavo Eu | ||||
| 4 | 457410 | 24.32 | 29.67 | |
| Tappo | ||||
| 5 | 487674 | 23.60 | 28.79 | |
| Tappo | ||||
| 6 | 487424 | 12.34 | 15.05 | |
| Vite di Plastica | ||||
| 7 | 435103 | 2.30 | 2.81 | |
| Vite a testa bombata 3,5 x 25 mm | ||||
| 8 | 400233 | 1.39 | 1.70 | |
| Vite a testa ovale M4x10 DIN 7985 | ||||
| 9 | 400234 | 1.39 | 1.70 | |
| Scatola del cambio ISC 240 ET-BG | ||||
| 10 | 446277 | 26.74 | 32.62 | |
| CUSCINETTO A SFERE OSC 18 | ||||
| 11 | 228715 | 4.42 | 5.39 | |
| Peso PS 300 EQ | ||||
| 12 | 457184 | 17.18 | 20.96 | |
| Cassetta del rivestimento DUO 110 - Set | ||||
| 13 | 444914 | 44.53 | 54.33 | |
| CUSCINETTO A SFERE OSC 18 | ||||
| 14 | 400065 | 8.38 | 10.22 | |
| Anello di bloccaggio | ||||
| 15 | 401246 | 1.39 | 1.70 | |
| Albero eccentrico | ||||
| 16 | 445171 | 51.18 | 62.44 | |
| Interruttore | ||||
| 17 | 487800 | 39.32 | 47.97 | |
| Non più disponibile, nessuna sostituzione | ||||
| 18 | 486643 | |||
| HANDLE ZG-RO | ||||
| 19 | 487865 | 8.00 | 9.76 | |
| Nessuna informazione disponibile, non ordinabile | ||||
| 20 | xxx | |||
| CUSCINETTO A SFERE OSC 18 | ||||
| 21 | 228746 | 7.52 | 9.17 | |
| Anello di bloccaggio | ||||
| 22 | 204471 | 1.39 | 1.70 | |
| Ventola Sunon PMD2412PMB1-A | ||||
| 23 | 485108 | 7.52 | 9.17 | |
| CUSCINETTO A SFERE OSC 18 | ||||
| 24 | 228672 | 6.79 | 8.28 | |
| Anello magnetico | ||||
| 25 | 444018 | 2.11 | 2.57 | |
| Disco guida aria HK 85 | ||||
| 26 | 442901 | 4.68 | 5.71 | |
| Spazzola rimovibile (coppia) | ||||
| 27 | 492629 | 10.56 | 12.88 | |
| Nessuna informazione disponibile, non ordinabile | ||||
| 28 | xxx | |||
| Non più disponibile, nessuna sostituzione | ||||
| 29 | 451633 | |||
| CUSCINETTO A SFERE OSC 18 | ||||
| 30 | 400048 | 7.58 | 9.25 | |
| Anello di bloccaggio | ||||
| 31 | 200619 | 1.39 | 1.70 | |
| INGRANAGGIO | ||||
| 32 | 489161 | 134.43 | 164.00 | |
| Manicotto della frizione | ||||
| 33 | 451886 | 63.89 | 77.95 | |
| Vite cilindrica M4 x 6 | ||||
| 34 | 453584 | 1.39 | 1.70 | |
| Elettronica di regolazione 230 V | ||||
| 35 | 487751 | 115.68 | 141.13 | |
| Fissaggio della chiave | ||||
| 36 | 446275 | 1.98 | 2.42 | |
| Cacciavite SW 5 DIN911 | ||||
| 37 | 202752 | 1.39 | 1.70 | |
| Telaio del motore AG 125-14 DE | ||||
| 38 | 487792 | 32.55 | 39.71 | |
| Vite a testa svasata 3,5 x 16 mm | ||||
| 39 | 228663 | 1.39 | 1.70 | |
| Morsetto per cavi KS 60 E | ||||
| 40 | 439662 | 1.39 | 1.70 | |
| Telaio dell'interruttore | ||||
| 41 | 487794 | 15.00 | 18.30 | |
| Non più disponibile, nessuna sostituzione | ||||
| 42 | 484561 | |||
| Vite a testa svasata M3 x 8 | ||||
| 43 | 400235 | 1.39 | 1.70 | |
| Nessuna informazione disponibile, non ordinabile | ||||
| 44 | 444257 | |||
| Nessuna informazione disponibile, non ordinabile | ||||
| 46 | 485802 | |||
| Manicotto della frizione | ||||
| 47 | 492208 | 77.56 | 94.62 | |
| Anello O 60x1,5 NBR-70SHORE | ||||
| 48 | 233066 | 3.36 | 4.10 | |