Qui troverai tutte le parti e i disegni disponibili di “Festool 571410 ( RO1E220V )”. Da qui puoi ordinare direttamente tutte le parti desiderate. Molte parti devono essere ordinate dal produttore, a seconda della marca, ciò richiede da una a quattro settimane. Tutte le informazioni che abbiamo sono sul nostro sito web, non possiamo consigliarti su ciò di cui hai bisogno, per questo dovrai restituire la macchina per la riparazione. Nota quanto segue al momento dell’ordinazione:
A causa di una riorganizzazione interna a Festool, gli ordini Festool non verranno consegnati prima della seconda metà di gennaio 2026.
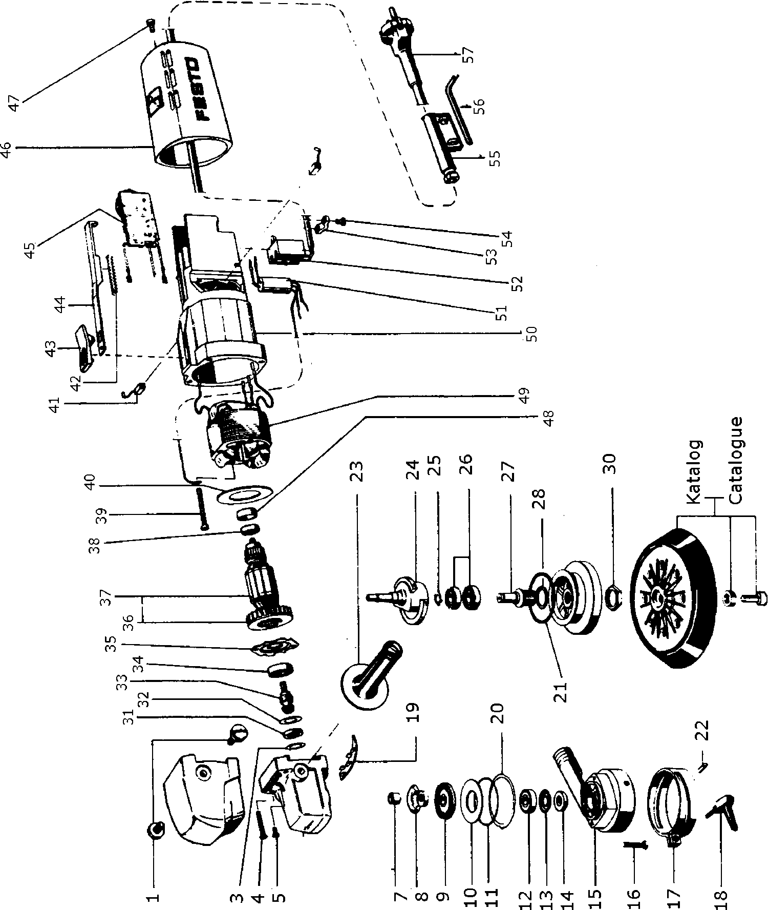
Disegni tecnici di Festool 571410 ( RO1E220V )
Elenco parti di Festool 571410 ( RO1E220V )
| Pos. | Descrizione | Prezzo IVA escl | Prezzo IVA incl | |
| I prezzi indicati sono comprensivi di IVA | ||||
| Vite di Plastica | ||||
| 1 | 435103 | 2.30 | 2.81 | |
| Disco | ||||
| 3 | 411713 | 3.30 | 4.03 | |
| Vite a lente 4,0 x 30 mm | ||||
| 4 | 412005 | 1.39 | 1.70 | |
| Vite a testa bombata M4 x 8 | ||||
| 5 | 203806 | 1.39 | 1.70 | |
| Nessuna informazione disponibile, non ordinabile | ||||
| 7 | 411848 | |||
| Nessuna informazione disponibile, non ordinabile | ||||
| 10 | xxx | |||
| Anello O | ||||
| 11 | 411702 | 1.39 | 1.70 | |
| CUSCINETTO A SFERE OSC 18 | ||||
| 12 | 400048 | 7.58 | 9.25 | |
| Nessuna informazione disponibile, non ordinabile | ||||
| 13 | xxx | |||
| Anello di tenuta | ||||
| 14 | 411711 | 2.83 | 3.45 | |
| Nessuna informazione disponibile, non ordinabile | ||||
| 15 | xxx | |||
| Nessuna informazione disponibile, non ordinabile | ||||
| 17 | xxx | |||
| Nessuna informazione disponibile, non ordinabile | ||||
| 18 | xxx | |||
| Anello di distanziamento da 0,1 mm | ||||
| 20 | 411701 | 4.49 | 5.48 | |
| Anello di distanza 0,3 mm | ||||
| 20 | 435361 | 3.50 | 4.27 | |
| Anello di riempimento 0,2 mm | ||||
| 20 | 435360 | 3.43 | 4.18 | |
| Nessuna informazione disponibile, non ordinabile | ||||
| 21 | xxx | |||
| HANDLE ZG-RO | ||||
| 23 | 487865 | 8.00 | 9.76 | |
| Nessuna informazione disponibile, non ordinabile | ||||
| 24 | xxx | |||
| Anello di bloccaggio | ||||
| 25 | 200619 | 1.39 | 1.70 | |
| CUSCINETTO A SFERE OSC 18 | ||||
| 26 | 400048 | 7.58 | 9.25 | |
| Nessuna informazione disponibile, non ordinabile | ||||
| 27 | xxx | |||
| Nessuna informazione disponibile, non ordinabile | ||||
| 28 | xxx | |||
| Nessuna informazione disponibile, non ordinabile | ||||
| 30 | xxx | |||
| Anello di tenuta | ||||
| 31 | 411711 | 2.83 | 3.45 | |
| Disco | ||||
| 32 | 411712 | 4.22 | 5.15 | |
| Nessuna informazione disponibile, non ordinabile | ||||
| 33 | xxx | |||
| CUSCINETTO A SFERE OSC 18 | ||||
| 34 | 789575 | 6.34 | 7.73 | |
| Nessuna informazione disponibile, non ordinabile | ||||
| 36 | 411694 | |||
| Nessuna informazione disponibile, non ordinabile | ||||
| 37 | xxx | |||
| CUSCINETTO A SFERE OSC 18 | ||||
| 38 | 401518 | 8.58 | 10.47 | |
| Vite a testa bombata 4,0 x 40 mm | ||||
| 39 | 219080 | 1.39 | 1.70 | |
| Guida dell'aria | ||||
| 40 | 411705 | 13.19 | 16.09 | |
| Nessuna informazione disponibile, non ordinabile | ||||
| 41 | 484694 | |||
| Nessuna informazione disponibile, non ordinabile | ||||
| 42 | xxx | |||
| Nessuna informazione disponibile, non ordinabile | ||||
| 43 | xxx | |||
| Nessuna informazione disponibile, non ordinabile | ||||
| 44 | xxx | |||
| Vite a testa bombata 4,0 x 12 mm | ||||
| 47 | 219071 | 1.39 | 1.70 | |
| Anello dell'asse | ||||
| 48 | 462385 | 4.09 | 4.99 | |
| Nessuna informazione disponibile, non ordinabile | ||||
| 49 | xxx | |||
| Non più disponibile, nessuna sostituzione | ||||
| 51 | 412010 | |||
| Interruttore 220v | ||||
| 52 | 412006 | 17.18 | 20.96 | |
| MORSETTO DEL CAVO | ||||
| 53 | 411871 | 7.73 | 9.43 | |
| Vite a testa bombata 4,0 x 12 mm | ||||
| 54 | 219071 | 1.39 | 1.70 | |
| Manicotto del cavo | ||||
| 55 | 437024 | 2.57 | 3.14 | |
| Cacciavite SW 5 DIN911 | ||||
| 56 | 202752 | 1.39 | 1.70 | |
| Cavo 220v | ||||
| 57 | 440240 | 24.32 | 29.67 | |