Qui troverai tutte le parti e i disegni disponibili di “Festool 493670 ( RAS180.03E230V-240V )”. Da qui puoi ordinare direttamente tutte le parti desiderate. Molte parti devono essere ordinate dal produttore, a seconda della marca, ciò richiede da una a quattro settimane. Tutte le informazioni che abbiamo sono sul nostro sito web, non possiamo consigliarti su ciò di cui hai bisogno, per questo dovrai restituire la macchina per la riparazione. Nota quanto segue al momento dell’ordinazione:
A causa di una riorganizzazione interna a Festool, gli ordini Festool non verranno consegnati prima della seconda metà di gennaio 2026.
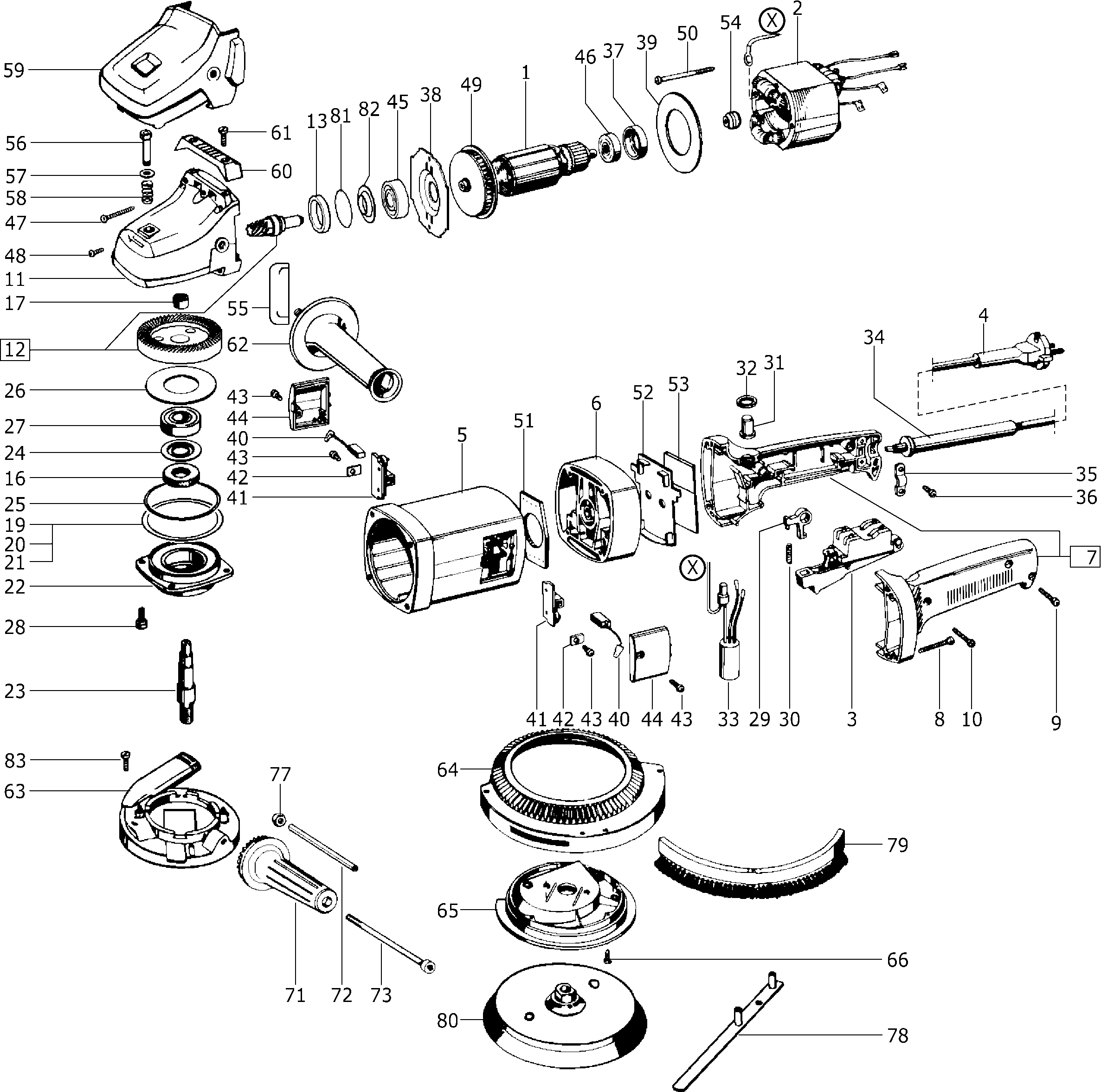
Disegni tecnici di Festool 493670 ( RAS180.03E230V-240V )
Elenco parti di Festool 493670 ( RAS180.03E230V-240V )
| Pos. | Descrizione | Prezzo IVA escl | Prezzo IVA incl | |
| I prezzi indicati sono comprensivi di IVA | ||||
| Indotto 230 V | ||||
| 1 | 440676 | 128.62 | 156.92 | |
| Magnete del campo 230 V | ||||
| 2 | 447519 | 94.74 | 115.58 | |
| Interruttore 230 V | ||||
| 3 | 437616 | 64.13 | 78.24 | |
| Cavo Eu | ||||
| 4 | 457410 | 24.32 | 29.67 | |
| Telaio del motore AG 125-14 DE | ||||
| 5 | 458226 | 110.59 | 134.92 | |
| Elettronica 230 V | ||||
| 6 | 486775 | 130.80 | 159.58 | |
| Maniglia TSC 55 | ||||
| 7 | 437611 | 82.88 | 101.11 | |
| Vite a testa ovale PT-5,0x70-KT15 | ||||
| 8 | 228714 | 2.18 | 2.66 | |
| Vite a testa bombata 4,0 x 25 mm | ||||
| 9 | 437613 | 2.11 | 2.57 | |
| Vite a lente 4,0 x 30 mm | ||||
| 10 | 412005 | 1.39 | 1.70 | |
| Scatola del cambio ISC 240 ET-BG | ||||
| 11 | 459116 | 175.81 | 214.49 | |
| Trasmissione dell'ingranaggio | ||||
| 12 | 493710 | 205.22 | 250.37 | |
| Anello di tenuta | ||||
| 13 | 469943 | 40.05 | 48.86 | |
| Anello di tenuta | ||||
| 16 | 411762 | 5.74 | 7.00 | |
| Stoccaggio di sinterizzazione | ||||
| 17 | 437615 | 14.88 | 18.15 | |
| Anello di riempimento 0,25 mm | ||||
| 19 | 474442 | 6.73 | 8.21 | |
| Anello di riempimento 0,2 mm | ||||
| 20 | 411846 | 5.09 | 6.21 | |
| Anello di distanza 0,3 mm | ||||
| 21 | 411847 | 5.41 | 6.60 | |
| Nessuna informazione disponibile, non ordinabile | ||||
| 22 | 411758 | |||
| Albero del cambio KS 60 E | ||||
| 23 | 411759 | 86.88 | 105.99 | |
| Rondella | ||||
| 24 | 411742 | 9.24 | 11.27 | |
| Anello O Anello O 68 X 2 | ||||
| 25 | 411752 | 4.09 | 4.99 | |
| Molla a disco KS 60 E | ||||
| 26 | 411761 | 15.61 | 19.04 | |
| CUSCINETTO A SFERE OSC 18 | ||||
| 27 | 401612 | 36.66 | 44.73 | |
| Vite a testa cilindrica M5 x 16 | ||||
| 28 | 200671 | 1.39 | 1.70 | |
| Gancio di commutazione | ||||
| 29 | 437617 | 9.43 | 11.50 | |
| Molla compressione | ||||
| 30 | 437618 | 2.30 | 2.81 | |
| Pulsante AGC 18 | ||||
| 31 | 437619 | 8.78 | 10.71 | |
| Rondella in feltro D 20/14 2mm | ||||
| 32 | 437620 | 2.11 | 2.57 | |
| CONDENSATORE | ||||
| 33 | 440660 | 19.96 | 24.35 | |
| Guaina di protezione del cavo | ||||
| 34 | 411745 | 13.79 | 16.82 | |
| MORSETTO DEL CAVO | ||||
| 35 | 411747 | 4.42 | 5.39 | |
| Vite a testa bombata 4,0 x 12 mm | ||||
| 36 | 219071 | 1.39 | 1.70 | |
| Anello dell'asse | ||||
| 37 | 462385 | 4.09 | 4.99 | |
| Coperchio del cuscinetto RTS 400 REQ | ||||
| 38 | 462208 | 15.49 | 18.90 | |
| Guida dell'aria | ||||
| 39 | 411756 | 12.46 | 15.20 | |
| Spazzola di carbone (paio) 230v | ||||
| 40 | 485202 | 38.12 | 46.51 | |
| Porta spazzole 230 V | ||||
| 41 | 437610 | 17.54 | 21.40 | |
| VALVOLA | ||||
| 42 | 437624 | 4.42 | 5.39 | |
| Vite a testa bombata 4,0 x 12 mm | ||||
| 43 | 219071 | 1.39 | 1.70 | |
| Coperchio porta carbone (coppia) | ||||
| 44 | 462218 | 11.35 | 13.85 | |
| CUSCINETTO A SFERE OSC 18 | ||||
| 45 | 469944 | 24.56 | 29.96 | |
| CUSCINETTO A SFERE OSC 18 | ||||
| 46 | 401518 | 8.58 | 10.47 | |
| Vite a testa cilindrica 5,0 x 35 mm | ||||
| 47 | 437626 | 2.11 | 2.57 | |
| Vite a testa bombata M4 x 8 | ||||
| 48 | 203806 | 1.39 | 1.70 | |
| Ala | ||||
| 49 | 437627 | 14.04 | 17.13 | |
| Vite a testa cilindrica 4,0 x 55 mm | ||||
| 50 | 437628 | 1.45 | 1.77 | |
| Piastra di tenuta | ||||
| 51 | 437629 | 6.60 | 8.05 | |
| STRISCIA | ||||
| 52 | 440655 | 6.60 | 8.05 | |
| Piastra di tenuta | ||||
| 53 | 440656 | 4.49 | 5.48 | |
| Anello magnetico | ||||
| 54 | 441386 | 23.11 | 28.19 | |
| Deflettore d'aria | ||||
| 55 | 442102 | 4.36 | 5.32 | |
| Pulsante | ||||
| 56 | 486703 | 25.29 | 30.85 | |
| Anello O | ||||
| 57 | 443249 | 2.11 | 2.57 | |
| Molla compressione | ||||
| 58 | 443247 | 2.11 | 2.57 | |
| Tappo | ||||
| 59 | 444211 | 53.97 | 65.84 | |
| Elenco di riposo | ||||
| 60 | 486706 | 20.21 | 24.66 | |
| vite cilindrica M4 X 12 | ||||
| 61 | 774303 | 1.39 | 1.70 | |
| HANDLE ZG-RO | ||||
| 62 | 487865 | 8.00 | 9.76 | |
| Cassetta del rivestimento DUO 110 - Set | ||||
| 63 | 441308 | 77.68 | 94.77 | |
| Anello dentato | ||||
| 64 | 441309 | 25.53 | 31.15 | |
| COPERTURA | ||||
| 65 | 441311 | 14.88 | 18.15 | |
| Vite a testa fresata M4x10-DIN 966-4.8 | ||||
| 66 | 228572 | 1.39 | 1.70 | |
| Maniglia TSC 55 | ||||
| 71 | 441282 | 15.00 | 18.30 | |
| Tubo CS 50 EBG | ||||
| 72 | 441278 | 16.70 | 20.37 | |
| Vite del cilindro | ||||
| 73 | 441279 | 14.16 | 17.28 | |
| Dado esagonale DIN 439-M8 | ||||
| 77 | 200602 | 1.39 | 1.70 | |
| Chiave a foro frontale | ||||
| 78 | 441682 | 19.12 | 23.33 | |
| Spazzola per Ras | ||||
| 79 | 485274 | 52.39 | 63.92 | |
| STEUNSCHIJF ST-D180/0-M14/2F | ||||
| 80 | 485296 | 45.00 | 54.90 | |
| STEUNSCHIJF ST-STF-D180/0-M14 W | ||||
| 80 | 485253 | 45.00 | 54.90 | |
| Anello O | ||||
| 81 | 469941 | 3.83 | 4.67 | |
| Guarnizione A Tazza | ||||
| 82 | 469942 | 17.30 | 21.11 | |
| Vite del cilindro | ||||
| 83 | 219024 | 1.39 | 1.70 | |