Qui troverai tutte le parti e i disegni disponibili di “Festool 561900 ( PS1E220V )”. Da qui puoi ordinare direttamente tutte le parti desiderate. Molte parti devono essere ordinate dal produttore, a seconda della marca, ciò richiede da una a quattro settimane. Tutte le informazioni che abbiamo sono sul nostro sito web, non possiamo consigliarti su ciò di cui hai bisogno, per questo dovrai restituire la macchina per la riparazione. Nota quanto segue al momento dell’ordinazione:
A causa di una riorganizzazione interna a Festool, gli ordini Festool non verranno consegnati prima della seconda metà di gennaio 2026.
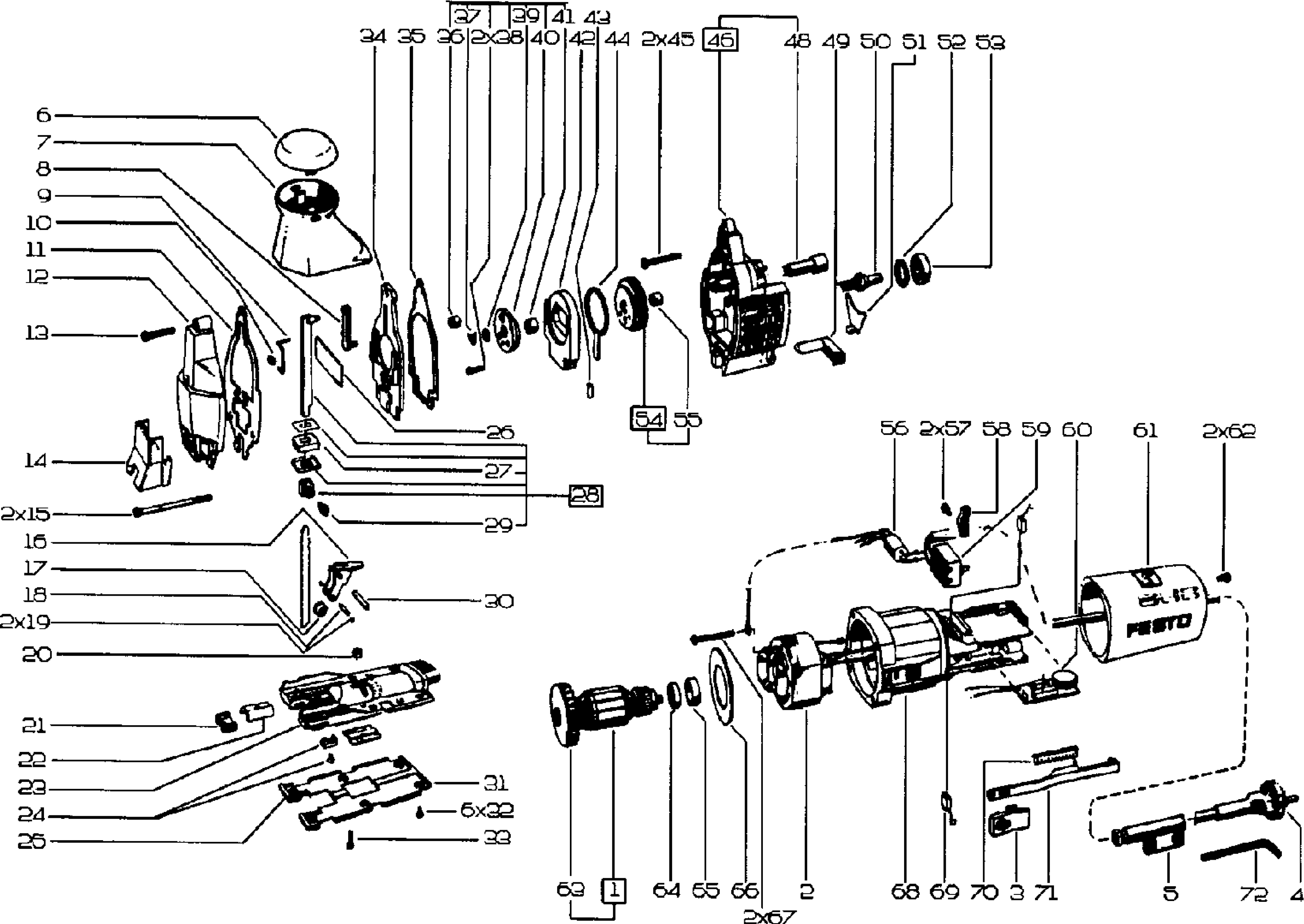
Disegni tecnici di Festool 561900 ( PS1E220V )
Elenco parti di Festool 561900 ( PS1E220V )
| Pos. | Descrizione | Prezzo IVA escl | Prezzo IVA incl | |
| I prezzi indicati sono comprensivi di IVA | ||||
| Nessuna informazione disponibile, non ordinabile | ||||
| 1 | xxx | |||
| Nessuna informazione disponibile, non ordinabile | ||||
| 2 | xxx | |||
| Nessuna informazione disponibile, non ordinabile | ||||
| 3 | xxx | |||
| Cavo 220v | ||||
| 4 | 440240 | 24.32 | 29.67 | |
| Manicotto del cavo | ||||
| 5 | 437024 | 2.57 | 3.14 | |
| Nessuna informazione disponibile, non ordinabile | ||||
| 6 | xxx | |||
| Nessuna informazione disponibile, non ordinabile | ||||
| 7 | xxx | |||
| Nessuna informazione disponibile, non ordinabile | ||||
| 8 | xxx | |||
| Nessuna informazione disponibile, non ordinabile | ||||
| 9 | xxx | |||
| Nessuna informazione disponibile, non ordinabile | ||||
| 10 | xxx | |||
| Nessuna informazione disponibile, non ordinabile | ||||
| 11 | xxx | |||
| Nessuna informazione disponibile, non ordinabile | ||||
| 12 | xxx | |||
| Vite a testa ovale DIN 7985-M4x30-8.8 | ||||
| 13 | 203760 | 1.39 | 1.70 | |
| Nessuna informazione disponibile, non ordinabile | ||||
| 14 | xxx | |||
| Nessuna informazione disponibile, non ordinabile | ||||
| 15 | xxx | |||
| Nessuna informazione disponibile, non ordinabile | ||||
| 16 | xxx | |||
| Nessuna informazione disponibile, non ordinabile | ||||
| 17 | xxx | |||
| BARRA TOMMY | ||||
| 18 | 443883 | 2.45 | 2.99 | |
| Anello di bloccaggio | ||||
| 19 | 200614 | 1.39 | 1.70 | |
| Dado quadrato DIN 557-M5-05 | ||||
| 20 | 228520 | 1.39 | 1.70 | |
| Nessuna informazione disponibile, non ordinabile | ||||
| 21 | 483372 | |||
| Nessuna informazione disponibile, non ordinabile | ||||
| 22 | xxx | |||
| Nessuna informazione disponibile, non ordinabile | ||||
| 23 | xxx | |||
| Nessuna informazione disponibile, non ordinabile | ||||
| 24 | xxx | |||
| Fondo | ||||
| 25 | 437031 | 12.46 | 15.20 | |
| Nessuna informazione disponibile, non ordinabile | ||||
| 26 | xxx | |||
| Nessuna informazione disponibile, non ordinabile | ||||
| 27 | xxx | |||
| Nessuna informazione disponibile, non ordinabile | ||||
| 28 | xxx | |||
| Vite a testa cilindrica M5 x 8 | ||||
| 29 | 204482 | 1.39 | 1.70 | |
| Spinotto cilindrico 2,5 M 6X34 | ||||
| 30 | 228519 | 1.39 | 1.70 | |
| Nessuna informazione disponibile, non ordinabile | ||||
| 31 | xxx | |||
| Nessuna informazione disponibile, non ordinabile | ||||
| 32 | xxx | |||
| Vite a testa cilindrica M5 x 16 | ||||
| 33 | 200671 | 1.39 | 1.70 | |
| Nessuna informazione disponibile, non ordinabile | ||||
| 34 | xxx | |||
| Nessuna informazione disponibile, non ordinabile | ||||
| 35 | xxx | |||
| Nessuna informazione disponibile, non ordinabile | ||||
| 36 | xxx | |||
| Disco | ||||
| 37 | 228518 | 1.39 | 1.70 | |
| Vite a testa cilindrica DIN 912-M4x16-8.8 | ||||
| 38 | 200664 | 1.39 | 1.70 | |
| Nessuna informazione disponibile, non ordinabile | ||||
| 39 | xxx | |||
| Nessuna informazione disponibile, non ordinabile | ||||
| 40 | xxx | |||
| Nessuna informazione disponibile, non ordinabile | ||||
| 41 | xxx | |||
| Nessuna informazione disponibile, non ordinabile | ||||
| 42 | xxx | |||
| Nessuna informazione disponibile, non ordinabile | ||||
| 43 | xxx | |||
| Nessuna informazione disponibile, non ordinabile | ||||
| 44 | xxx | |||
| Vite a testa bombata 4,0 x 40 mm | ||||
| 45 | 219080 | 1.39 | 1.70 | |
| Nessuna informazione disponibile, non ordinabile | ||||
| 46 | xxx | |||
| Nessuna informazione disponibile, non ordinabile | ||||
| 48 | xxx | |||
| Nessuna informazione disponibile, non ordinabile | ||||
| 49 | xxx | |||
| Nessuna informazione disponibile, non ordinabile | ||||
| 50 | xxx | |||
| Segmento di lamiera | ||||
| 51 | 443437 | 10.43 | 12.72 | |
| Nessuna informazione disponibile, non ordinabile | ||||
| 52 | xxx | |||
| CUSCINETTO A SFERE OSC 18 | ||||
| 53 | 789575 | 6.34 | 7.73 | |
| Nessuna informazione disponibile, non ordinabile | ||||
| 54 | xxx | |||
| Nessuna informazione disponibile, non ordinabile | ||||
| 55 | xxx | |||
| Non più disponibile, nessuna sostituzione | ||||
| 56 | 412010 | |||
| Vite a testa bombata 4,0 x 12 mm | ||||
| 57 | 219071 | 1.39 | 1.70 | |
| MORSETTO DEL CAVO | ||||
| 58 | 411871 | 7.73 | 9.43 | |
| Interruttore 220v | ||||
| 59 | 412006 | 17.18 | 20.96 | |
| Nessuna informazione disponibile, non ordinabile | ||||
| 60 | xxx | |||
| Nessuna informazione disponibile, non ordinabile | ||||
| 61 | xxx | |||
| Vite a testa bombata 4,0 x 12 mm | ||||
| 62 | 219071 | 1.39 | 1.70 | |
| Nessuna informazione disponibile, non ordinabile | ||||
| 63 | 411694 | |||
| CUSCINETTO A SFERE OSC 18 | ||||
| 64 | 401518 | 8.58 | 10.47 | |
| Anello dell'asse | ||||
| 65 | 462385 | 4.09 | 4.99 | |
| Guida dell'aria | ||||
| 66 | 411705 | 13.19 | 16.09 | |
| Vite a testa bombata 4,0 x 40 mm | ||||
| 67 | 219080 | 1.39 | 1.70 | |
| Nessuna informazione disponibile, non ordinabile | ||||
| 68 | xxx | |||
| Nessuna informazione disponibile, non ordinabile | ||||
| 69 | 484694 | |||
| Nessuna informazione disponibile, non ordinabile | ||||
| 70 | xxx | |||
| Nessuna informazione disponibile, non ordinabile | ||||
| 71 | xxx | |||
| Cacciavite SW 4 DIN 911 | ||||
| 72 | 202751 | 1.39 | 1.70 | |