Qui troverai tutte le parti e i disegni disponibili di “Festool 10011170 ( PL205E )”. Da qui puoi ordinare direttamente tutte le parti desiderate. Molte parti devono essere ordinate dal produttore, a seconda della marca, ciò richiede da una a quattro settimane. Tutte le informazioni che abbiamo sono sul nostro sito web, non possiamo consigliarti su ciò di cui hai bisogno, per questo dovrai restituire la macchina per la riparazione. Nota quanto segue al momento dell’ordinazione:
A causa di una riorganizzazione interna a Festool, gli ordini Festool non verranno consegnati prima della seconda metà di gennaio 2026.
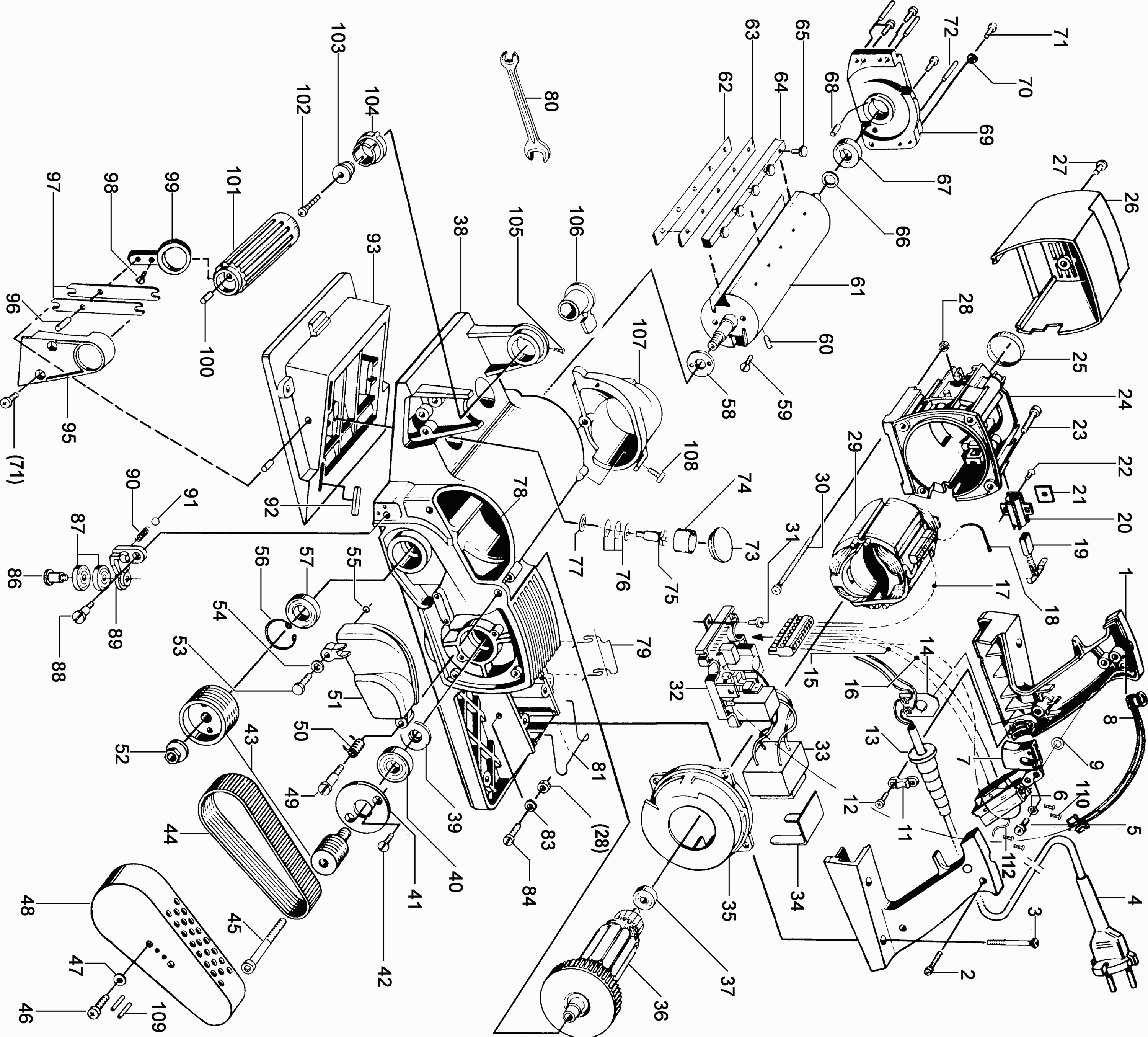
Disegni tecnici di Festool 10011170 ( PL205E )
Elenco parti di Festool 10011170 ( PL205E )
| Pos. | Descrizione | Prezzo IVA escl | Prezzo IVA incl | |
| I prezzi indicati sono comprensivi di IVA | ||||
| Maniglia TSC 55 | ||||
| 1 | 779667 | 32.91 | 40.15 | |
| Vite 4,0 x 25 mm | ||||
| 2 | 614772 | 1.39 | 1.70 | |
| Vite M4 x 40 | ||||
| 3 | 634765 | 1.39 | 1.70 | |
| Cavo di alimentazione 3x1,0 H07 RN-F EU | ||||
| 4 | 729035 | 89.66 | 109.39 | |
| Vite a lente 4 x 12 mm | ||||
| 5 | 430145 | 1.39 | 1.70 | |
| Rondella dentellata DIN 6797-A-3,2 | ||||
| 6 | 761541 | 1.39 | 1.70 | |
| Interruttore | ||||
| 7 | 779768 | 34.73 | 42.37 | |
| Display LED TXS | ||||
| 8 | 717053 | 18.27 | 22.29 | |
| Disco DIN 125-B-5,3-140 HV | ||||
| 9 | 761515 | 1.39 | 1.70 | |
| Cavo di giunzione MX 1200/2 E EF | ||||
| 10 | 779643 | 6.26 | 7.64 | |
| MORSETTO DEL CAVO | ||||
| 11 | 761618 | 1.39 | 1.70 | |
| Vite 4 x 16 mm | ||||
| 12 | 625697 | 1.39 | 1.70 | |
| Protezione del cavo 11 /11.5 | ||||
| 13 | 326135 | 1.98 | 2.42 | |
| FERMAGLIO PER CAVO | ||||
| 14 | 732785 | 25.29 | 30.85 | |
| Cavo di giunzione MX 1200/2 E EF | ||||
| 15 | 779645 | 4.30 | 5.25 | |
| Cavo di giunzione MX 1200/2 E EF | ||||
| 15 | 779642 | 2.98 | 3.64 | |
| Cavo di giunzione MX 1200/2 E EF | ||||
| 16 | 779644 | 5.94 | 7.25 | |
| Cavo di giunzione MX 1200/2 E EF | ||||
| 17 | 624009 | 11.69 | 14.26 | |
| Cavo di giunzione MX 1200/2 E EF | ||||
| 17 | 838683 | 9.17 | 11.19 | |
| Cavo di giunzione MX 1200/2 E EF | ||||
| 17 | 838682 | 6.94 | 8.47 | |
| Cavo di giunzione MX 1200/2 E EF | ||||
| 17 | 838684 | 3.50 | 4.27 | |
| Cavo flessibile | ||||
| 18 | 624008 | 5.74 | 7.00 | |
| KIT DI SERVIZIO 115V | ||||
| 19 | 627026 | 45.25 | 55.20 | |
| Portaspazzole (coppia) | ||||
| 20 | 728217 | 17.30 | 21.11 | |
| Piastra isolante | ||||
| 21 | 729000 | 1.39 | 1.70 | |
| Vite a lente 4 x 12 mm | ||||
| 22 | 430145 | 1.39 | 1.70 | |
| Vite a testa cilindrica M5 x 20 | ||||
| 23 | 761440 | 1.39 | 1.70 | |
| Supporto motore TSC 55 | ||||
| 24 | 728446 | 44.29 | 54.03 | |
| Bussola di tolleranza | ||||
| 25 | 718165 | 11.75 | 14.34 | |
| Copertura del motore | ||||
| 26 | 728519 | 17.91 | 21.85 | |
| Vite 4 x 16 mm | ||||
| 27 | 625697 | 1.39 | 1.70 | |
| Dado M4 | ||||
| 28 | 614467 | 1.39 | 1.70 | |
| Magnete del campo 230 V | ||||
| 29 | 729531 | 230.75 | 281.52 | |
| VITE C M4X35 | ||||
| 30 | 624409 | 4.22 | 5.15 | |
| Vite del cilindro | ||||
| 31 | 761435 | 1.39 | 1.70 | |
| Modulo Elettronico 230v 50hz | ||||
| 32 | 728861 | 185.13 | 225.86 | |
| TRASFORMATORE | ||||
| 33 | 838580 | 36.90 | 45.02 | |
| Coperchio del alloggiamento | ||||
| 34 | 718181 | 41.87 | 51.08 | |
| Disco guida aria HK 85 | ||||
| 35 | 728500 | 6.53 | 7.97 | |
| Indotto 230 V | ||||
| 36 | 706310 | 349.57 | 426.48 | |
| MANICOTTO | ||||
| 37 | 620010 | 8.84 | 10.78 | |
| Piastra di base KS 60 | ||||
| 38 | 648820 | 718.98 | 877.16 | |
| Anello di tenuta | ||||
| 39 | 298468 | 7.52 | 9.17 | |
| MANICOTTO | ||||
| 40 | 614869 | 10.75 | 13.12 | |
| Coperchio del cuscinetto RTS 400 REQ | ||||
| 41 | 459954 | 8.98 | 10.96 | |
| Vite a testa svasata M5 x 16 | ||||
| 42 | 414417 | 1.39 | 1.70 | |
| TRASMISSIONE A CINGHIA | ||||
| 43 | 722421 | 54.45 | 66.43 | |
| Multiple V-Cinghie | ||||
| 44 | 728829 | 62.44 | 76.18 | |
| Vite del cilindro | ||||
| 45 | 761446 | 1.39 | 1.70 | |
| Vite a testa piana M5 X 12 | ||||
| 46 | 430137 | 1.39 | 1.70 | |
| Disco DIN 125-B-5,3-140 HV | ||||
| 47 | 761515 | 1.39 | 1.70 | |
| COPERTURA DELLA SCATOLA degli INGRANAGGI | ||||
| 48 | 728608 | 58.32 | 71.15 | |
| Vite a testa cilindrica | ||||
| 49 | 433527 | 10.82 | 13.20 | |
| Molla di torsione TSF 55 | ||||
| 50 | 729817 | 2.77 | 3.38 | |
| Coperchio del alloggiamento | ||||
| 51 | 729558 | 8.05 | 9.82 | |
| Vite a testa esagonale sc DIN933 M5x12 8.8 A3F | ||||
| 52 | 430781 | 2.83 | 3.45 | |
| Vite esagonale M5 x 16 | ||||
| 53 | 412872 | 1.39 | 1.70 | |
| Disco DIN 125-B-5,3-140 HV | ||||
| 54 | 761515 | 1.39 | 1.70 | |
| Anello O | ||||
| 55 | 761588 | 1.39 | 1.70 | |
| Anello di bloccaggio | ||||
| 56 | 614792 | 1.39 | 1.70 | |
| MANICOTTO | ||||
| 57 | 615496 | 8.52 | 10.39 | |
| Disco Assiale | ||||
| 58 | 728950 | 5.28 | 6.44 | |
| Vite a testa svasata M4 x 10 | ||||
| 59 | 426695 | 1.39 | 1.70 | |
| Perno filettato M5 x 10 | ||||
| 60 | 433543 | 1.39 | 1.70 | |
| Testa di coltello | ||||
| 61 | 706183 | 288.58 | 352.07 | |
| Binario TSF 55 EBQ | ||||
| 62 | 728896 | 30.37 | 37.05 | |
| Nessuna informazione disponibile, non ordinabile | ||||
| 63 | --- | |||
| Binario TSF 55 EBQ | ||||
| 64 | 728969 | 48.28 | 58.90 | |
| SCHROEF EDH 82 | ||||
| 65 | 622581 | 3.70 | 4.51 | |
| Rondella di supporto S 12,1x21x1 DIN 988 | ||||
| 66 | 431451 | 1.39 | 1.70 | |
| CUSCINETTO A SFERE OSC 18 | ||||
| 67 | 401576 | 7.52 | 9.17 | |
| Tappo H03 Kiba DF700 | ||||
| 68 | 729841 | 1.85 | 2.26 | |
| Coperchio del cuscinetto RTS 400 REQ | ||||
| 69 | 763235 | 45.01 | 54.91 | |
| Rondella dentellata DIN 6797-A-3,2 | ||||
| 70 | 761542 | 1.39 | 1.70 | |
| Vite a testa cilindrica M5 x 16 | ||||
| 71 | 228643 | 1.39 | 1.70 | |
| Spinotto cilindrico 2,5 M 6X34 | ||||
| 72 | 412538 | 1.39 | 1.70 | |
| Tappo di gomma | ||||
| 73 | 729868 | 4.30 | 5.25 | |
| Tappo H03 Kiba DF700 | ||||
| 74 | 730329 | 1.39 | 1.70 | |
| Vite a testa cilindrica | ||||
| 75 | 426857 | 3.62 | 4.42 | |
| Molla a disco KS 60 E | ||||
| 76 | 832605 | 1.39 | 1.70 | |
| Disco | ||||
| 77 | 761527 | 1.39 | 1.70 | |
| Anello O | ||||
| 78 | 618731 | 1.39 | 1.70 | |
| Molla | ||||
| 79 | 729833 | 12.95 | 15.80 | |
| Chiave a forchetta | ||||
| 80 | 761390 | 5.09 | 6.21 | |
| Arco ISC 240 Wire | ||||
| 81 | 729825 | 9.17 | 11.19 | |
| Rondella dentellata DIN 6797-A-3,2 | ||||
| 83 | 761541 | 1.39 | 1.70 | |
| Vite del cilindro | ||||
| 84 | 761434 | 1.39 | 1.70 | |
| Vite a testa cilindrica | ||||
| 86 | 433411 | 4.62 | 5.64 | |
| MANICOTTO | ||||
| 87 | 614955 | 7.39 | 9.02 | |
| Vite a testa cilindrica | ||||
| 88 | 426857 | 3.62 | 4.42 | |
| Leva KA 65 | ||||
| 89 | 648832 | 66.91 | 81.63 | |
| Molla compressione | ||||
| 90 | 761291 | 3.56 | 4.34 | |
| Palla 6-40 CSN 02 3680 | ||||
| 91 | 614487 | 1.32 | 1.61 | |
| Chiavetta 34,8x11,5x4 | ||||
| 92 | 761576 | 1.98 | 2.42 | |
| Scorrere * | ||||
| 93 | 648831 | 155.24 | 189.39 | |
| Coperchio del alloggiamento | ||||
| 95 | 728470 | 4.42 | 5.39 | |
| Spinotto cilindrico 2,5 M 6X34 | ||||
| 96 | 413526 | 1.39 | 1.70 | |
| Leva KA 65 | ||||
| 97 | 728543 | 20.81 | 25.39 | |
| Vite a svasatura M5 x 6 | ||||
| 98 | 414611 | 1.39 | 1.70 | |
| VALVOLA | ||||
| 99 | 718238 | 48.04 | 58.61 | |
| Spinotto cilindrico 2,5 M 6X34 | ||||
| 100 | 416002 | 1.39 | 1.70 | |
| Supporto motore TSC 55 | ||||
| 101 | 728497 | 13.92 | 16.98 | |
| Vite a testa tonda 4 x 20 mm | ||||
| 102 | 431710 | 1.39 | 1.70 | |
| Boccola a flangia KS 60 E | ||||
| 103 | 717002 | 9.77 | 11.92 | |
| Supporto motore TSC 55 | ||||
| 104 | 728462 | 3.83 | 4.67 | |
| Chiodo scanalato | ||||
| 105 | 459947 | 1.39 | 1.70 | |
| FERMAGLIO PER CAVO | ||||
| 106 | 10013575 | 11.28 | 13.76 | |
| Trasportatore di trucioli | ||||
| 107 | 728594 | 8.90 | 10.86 | |
| Vite M5 x 10 | ||||
| 108 | 614459 | 1.39 | 1.70 | |
| Perno di serraggio a spirale | ||||
| 109 | 428035 | 1.39 | 1.70 | |
| VITE C M4X35 | ||||
| 110 | 767036 | 1.39 | 1.70 | |