Qui troverai tutte le parti e i disegni disponibili di “Festool 491279 ( PF1200EALUCOBOND )”. Da qui puoi ordinare direttamente tutte le parti desiderate. Molte parti devono essere ordinate dal produttore, a seconda della marca, ciò richiede da una a quattro settimane. Tutte le informazioni che abbiamo sono sul nostro sito web, non possiamo consigliarti su ciò di cui hai bisogno, per questo dovrai restituire la macchina per la riparazione. Nota quanto segue al momento dell’ordinazione:
A causa di una riorganizzazione interna a Festool, gli ordini Festool non verranno consegnati prima della seconda metà di gennaio 2026.
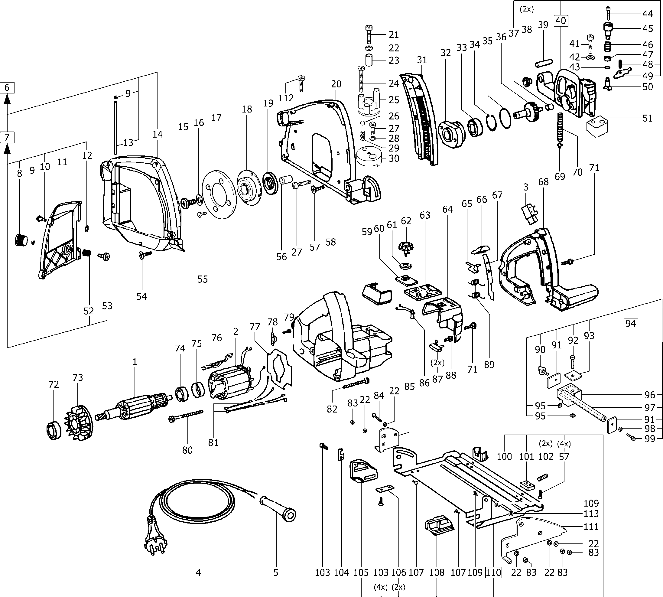
Disegni tecnici di Festool 491279 ( PF1200EALUCOBOND )
Elenco parti di Festool 491279 ( PF1200EALUCOBOND )
| Pos. | Descrizione | Prezzo IVA escl | Prezzo IVA incl | |
| I prezzi indicati sono comprensivi di IVA | ||||
| Indotto 230 V | ||||
| 1 | 493218 | 128.99 | 157.37 | |
| Magnete del campo 230 V | ||||
| 2 | 493221 | 74.90 | 91.38 | |
| Interruttore | ||||
| 3 | 490651 | 18.15 | 22.14 | |
| Cavo Eu | ||||
| 4 | 461124 | 24.32 | 29.67 | |
| Guaina di protezione del cavo | ||||
| 5 | 432436 | 1.39 | 1.70 | |
| Nessuna informazione disponibile, non ordinabile | ||||
| 6 | 491645 | |||
| VALVOLA | ||||
| 7 | 491659 | 67.16 | 81.94 | |
| Tappo H03 Kiba DF700 | ||||
| 8 | 462332 | 1.78 | 2.17 | |
| Disco | ||||
| 9 | 222490 | 1.39 | 1.70 | |
| Blocco a rotazione | ||||
| 10 | 462109 | 15.00 | 18.30 | |
| VALVOLA | ||||
| 11 | 462106 | 7.79 | 9.50 | |
| Anello di bloccaggio | ||||
| 12 | 460025 | 1.39 | 1.70 | |
| Spillo | ||||
| 13 | 462256 | 14.76 | 18.01 | |
| COPERTURA | ||||
| 14 | 462064 | 14.16 | 17.28 | |
| Vite a testa cilindrica M8 x 16 | ||||
| 15 | 200201 | 1.39 | 1.70 | |
| Disco DIN 125-B-8,4-140 HV | ||||
| 16 | 200579 | 1.39 | 1.70 | |
| TASTROL 4 MM TR-A4 | ||||
| 17 | 491539 | 37.00 | 45.14 | |
| Flangia di serraggio VN-HK 85 | ||||
| 18 | 491678 | 84.94 | 103.63 | |
| Flangia OS 400 EQ | ||||
| 19 | 462096 | 13.31 | 16.24 | |
| CAPPUCCIO PROTETTIVO | ||||
| 20 | 447207 | 55.06 | 67.17 | |
| Vite a testa cilindrica DIN 912-M6x25-10.9 | ||||
| 21 | 400859 | 1.39 | 1.70 | |
| Disco DIN 125-B-6,4-140 HV | ||||
| 22 | 200578 | 1.39 | 1.70 | |
| Boccola LEX 3 | ||||
| 23 | 436300 | 1.78 | 2.17 | |
| Vite a testa piatta M5 X 35 | ||||
| 24 | 462657 | 3.70 | 4.51 | |
| Fermata limite DF500 | ||||
| 25 | 464182 | 19.36 | 23.62 | |
| Palla | ||||
| 26 | 783305 | 1.39 | 1.70 | |
| Vite a testa cilindrica M5 x 16 | ||||
| 27 | 228643 | 1.39 | 1.70 | |
| Rondella elastica | ||||
| 28 | 200587 | 1.39 | 1.70 | |
| Molla compressione | ||||
| 29 | 436528 | 2.04 | 2.49 | |
| STRISCIA | ||||
| 30 | 464142 | 30.98 | 37.80 | |
| Segmento DF 700 | ||||
| 31 | 440495 | 8.38 | 10.22 | |
| MANICOTTO FILETTATO | ||||
| 32 | 440228 | 26.50 | 32.33 | |
| CUSCINETTO A SFERE OSC 18 | ||||
| 33 | 228659 | 8.11 | 9.89 | |
| Anello di bloccaggio | ||||
| 34 | 401246 | 1.39 | 1.70 | |
| Anello O | ||||
| 35 | 440457 | 1.39 | 1.70 | |
| Albero del cambio KS 60 E | ||||
| 36 | 461902 | 45.25 | 55.20 | |
| Cuscinetto del cilindro | ||||
| 37 | 439042 | 2.38 | 2.90 | |
| Boccola a flangia KS 60 E | ||||
| 38 | 439331 | 2.30 | 2.81 | |
| Spinotto cilindrico 2,5 M 6X34 | ||||
| 39 | 439972 | 3.17 | 3.87 | |
| Scatola del cambio ISC 240 ET-BG | ||||
| 40 | 491251 | 75.75 | 92.42 | |
| Vite cilindrica M6 x 30 | ||||
| 41 | 400377 | 1.39 | 1.70 | |
| Rondella elastica | ||||
| 42 | 200588 | 1.39 | 1.70 | |
| Anello O | ||||
| 43 | 444234 | 1.39 | 1.70 | |
| Vite a testa ovale M4 x 40 | ||||
| 44 | 228591 | 1.39 | 1.70 | |
| PULSANTE | ||||
| 45 | 440441 | 3.24 | 3.95 | |
| Molla compressione | ||||
| 46 | 201134 | 1.39 | 1.70 | |
| Rondella di supporto S 12,1x21x1 DIN 988 | ||||
| 47 | 444142 | 1.39 | 1.70 | |
| Spinotto DIN 7346-5x12-ST | ||||
| 48 | 228692 | 1.39 | 1.70 | |
| Deviazione | ||||
| 49 | 439889 | 11.02 | 13.44 | |
| Bullone | ||||
| 50 | 444114 | 8.98 | 10.96 | |
| STRISCIA | ||||
| 51 | 464143 | 31.94 | 38.97 | |
| Molla compressione | ||||
| 52 | 504165 | 1.39 | 1.70 | |
| Disco | ||||
| 53 | 491414 | 11.92 | 14.54 | |
| Vite a testa ovale M4x10 DIN 7985 | ||||
| 54 | 228738 | 1.39 | 1.70 | |
| Vite a testa svasata M5 x 8 | ||||
| 55 | 400693 | 1.39 | 1.70 | |
| Boccola LEX 3 | ||||
| 56 | 462097 | 17.91 | 21.85 | |
| Vite a svasatura 4,0 x 10 mm | ||||
| 57 | 400014 | 1.39 | 1.70 | |
| Telaio del motore AG 125-14 DE | ||||
| 58 | 446282 | 16.82 | 20.52 | |
| Copertura TURBO II | ||||
| 59 | 438607 | 4.09 | 4.99 | |
| Finestra CXS LED | ||||
| 60 | 438198 | 2.45 | 2.99 | |
| Anello di tenuta | ||||
| 61 | 438509 | 1.45 | 1.77 | |
| Ruota di regolazione KS 60 | ||||
| 62 | 440991 | 4.88 | 5.95 | |
| Elettronica di controllo TURBO II | ||||
| 63 | 488598 | 77.44 | 94.48 | |
| Tappo | ||||
| 64 | 439824 | 9.17 | 11.19 | |
| Copertura ATF 55 EB | ||||
| 65 | 451680 | 1.39 | 1.70 | |
| PULSANTE | ||||
| 66 | 434341 | 2.77 | 3.38 | |
| Leva KA 65 | ||||
| 67 | 439890 | 3.10 | 3.78 | |
| COPERTURA | ||||
| 68 | 440102 | 21.18 | 25.84 | |
| Bullone | ||||
| 69 | 440554 | 1.45 | 1.77 | |
| Molla compressione | ||||
| 70 | 440209 | 3.36 | 4.10 | |
| Vite a testa ovale PT-4,0x25-KT15 | ||||
| 71 | 228580 | 1.39 | 1.70 | |
| CUSCINETTO A SFERE OSC 18 | ||||
| 72 | 228798 | 5.68 | 6.93 | |
| Ventola Sunon PMD2412PMB1-A | ||||
| 73 | 715024 | 2.11 | 2.57 | |
| CUSCINETTO A SFERE OSC 18 | ||||
| 74 | 228559 | 4.30 | 5.25 | |
| Anello dell'asse | ||||
| 75 | 438613 | 1.39 | 1.70 | |
| Morsetto a U | ||||
| 76 | 443331 | 1.51 | 1.84 | |
| Disco guida aria HK 85 | ||||
| 77 | 457606 | 11.42 | 13.93 | |
| Morsetto per cavi KS 60 E | ||||
| 78 | 439288 | 1.39 | 1.70 | |
| Vite a testa svasata 3,5 x 16 mm | ||||
| 79 | 228663 | 1.39 | 1.70 | |
| Vite a testa ovale PT-4,0x60-KT15 | ||||
| 80 | 228708 | 1.39 | 1.70 | |
| Conduttore flessibile KL | ||||
| 81 | 438771 | 3.56 | 4.34 | |
| Conduttore flessibile KL | ||||
| 81 | 443475 | 3.56 | 4.34 | |
| Conduttore flessibile KL | ||||
| 81 | 439885 | 2.64 | 3.22 | |
| Vite del cilindro | ||||
| 82 | 203780 | 1.66 | 2.03 | |
| Dado esagonale M6 | ||||
| 83 | 228541 | 1.39 | 1.70 | |
| Vite M6 x 25 | ||||
| 84 | 772571 | 1.39 | 1.70 | |
| Indicatore DF 700 | ||||
| 85 | 462337 | 18.15 | 22.14 | |
| Bobina di filo | ||||
| 86 | 486744 | 14.88 | 18.15 | |
| Portaspazzole con carbonio (coppia) 230V | ||||
| 87 | 488915 | 17.54 | 21.40 | |
| Vite a testa ovale 3,5 x 8 mm | ||||
| 88 | 219047 | 1.39 | 1.70 | |
| Molla di torsione TSF 55 | ||||
| 89 | 439973 | 1.72 | 2.10 | |
| Manopola rotativa M6 | ||||
| 90 | 438320 | 8.90 | 10.86 | |
| STRISCIA | ||||
| 91 | 442405 | 1.92 | 2.34 | |
| Vite a testa cilindrica M6 x 20 | ||||
| 92 | 228612 | 1.39 | 1.70 | |
| STRISCIA | ||||
| 93 | 442404 | 4.15 | 5.06 | |
| Nessuna informazione disponibile, non ordinabile | ||||
| 94 | 491284 | |||
| Dado quadrato DIN 557-M6-05 | ||||
| 95 | 228566 | 1.39 | 1.70 | |
| Supporto | ||||
| 96 | 458800 | 7.39 | 9.02 | |
| Asta | ||||
| 97 | 462357 | 19.48 | 23.77 | |
| Disco DIN 125-B-5,3-140 HV | ||||
| 98 | 200577 | 1.39 | 1.70 | |
| Vite a Cilindro M5 x 12 | ||||
| 99 | 400095 | 1.39 | 1.70 | |
| Parte di Regolazione | ||||
| 100 | 442809 | 1.45 | 1.77 | |
| Parte di Regolazione | ||||
| 101 | 443971 | 1.39 | 1.70 | |
| Prigioniero M6 x 12 | ||||
| 102 | 442597 | 1.39 | 1.70 | |
| Vite a testa svasata M4 x 10 | ||||
| 103 | 228727 | 1.39 | 1.70 | |
| Indicatore DF 700 | ||||
| 104 | 439275 | 2.04 | 2.49 | |
| Segmento orientabile | ||||
| 105 | 438855 | 2.30 | 2.81 | |
| Barra filettata | ||||
| 106 | 439789 | 1.85 | 2.26 | |
| Vite a testa piatta M6 x 12 | ||||
| 107 | 228592 | 1.39 | 1.70 | |
| Segmento orientabile | ||||
| 108 | 438856 | 1.92 | 2.34 | |
| Vite a testa cilindrica | ||||
| 109 | 444362 | 1.39 | 1.70 | |
| STRISCIA | ||||
| 110 | 484685 | 50.34 | 61.41 | |
| Indicatore DF 700 | ||||
| 111 | 464179 | 20.09 | 24.51 | |
| Vite a testa cilindrica M5 x 16 | ||||
| 112 | 228617 | 1.39 | 1.70 | |
| Disco DIN 125-B-8,4-140 HV | ||||
| 113 | 219049 | 1.39 | 1.70 | |