Qui troverai tutte le parti e i disegni disponibili di “Festool 692047 ( LEX125/7/G )”. Da qui puoi ordinare direttamente tutte le parti desiderate. Molte parti devono essere ordinate dal produttore, a seconda della marca, ciò richiede da una a quattro settimane. Tutte le informazioni che abbiamo sono sul nostro sito web, non possiamo consigliarti su ciò di cui hai bisogno, per questo dovrai restituire la macchina per la riparazione. Nota quanto segue al momento dell’ordinazione:
A causa di una riorganizzazione interna a Festool, gli ordini Festool non verranno consegnati prima della seconda metà di gennaio 2026.
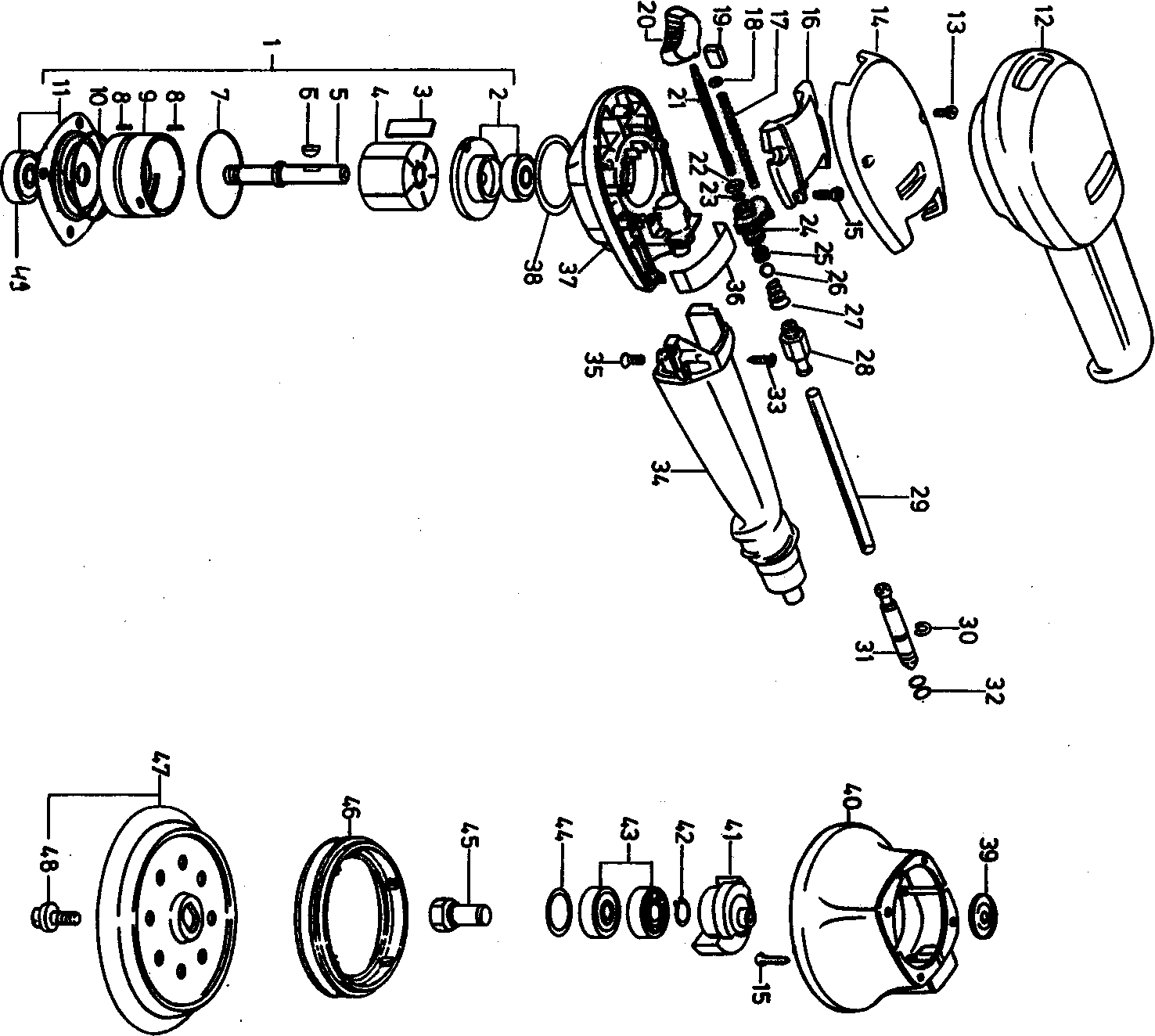
Disegni tecnici di Festool 692047 ( LEX125/7/G )
Elenco parti di Festool 692047 ( LEX125/7/G )
| Pos. | Descrizione | Prezzo IVA escl | Prezzo IVA incl | |
| I prezzi indicati sono comprensivi di IVA | ||||
| MOTORE | ||||
| 1 | 491592 | 360.82 | 440.20 | |
| Copertura del motore KS 60 E | ||||
| 2 | 630103 | 52.76 | 64.37 | |
| Lamella (5 Set) | ||||
| 3 | 491615 | 24.08 | 29.38 | |
| ROTATORE | ||||
| 4 | 491593 | 47.55 | 58.01 | |
| BARRA TOMMY | ||||
| 5 | 720089 | 26.50 | 32.33 | |
| Chiave a gola | ||||
| 6 | 466338 | 1.39 | 1.70 | |
| Anello O | ||||
| 7 | 217178 | 5.81 | 7.09 | |
| MANICOTTO FILETTATO | ||||
| 8 | 773627 | 1.39 | 1.70 | |
| Boccola del manicotto LEX 2 hone | ||||
| 9 | 10424451 | 63.04 | 76.91 | |
| Anello O 60x1,5 NBR-70SHORE | ||||
| 10 | 233066 | 3.36 | 4.10 | |
| Coperchio del alloggiamento | ||||
| 11 | 630109 | 66.79 | 81.48 | |
| Nessuna informazione disponibile, non ordinabile | ||||
| 12 | 447175 | |||
| Vite a testa ovale 4,0 x 16 mm | ||||
| 13 | 228713 | 5.94 | 7.25 | |
| Tappo | ||||
| 14 | 463536 | 3.24 | 3.95 | |
| Vite a testa ovale PT-4,0x20-KT15 | ||||
| 15 | 228567 | 1.39 | 1.70 | |
| Peso PS 300 EQ | ||||
| 16 | 462876 | 13.55 | 16.53 | |
| Molla compressione | ||||
| 17 | 720247 | 1.39 | 1.70 | |
| Nessuna informazione disponibile, non ordinabile | ||||
| 18 | xxx | |||
| Pezzo di scorrimento FSK 670 | ||||
| 19 | 720476 | 1.92 | 2.34 | |
| Pulsante rotativo D34 M6/8T blu | ||||
| 20 | 720477 | 2.83 | 3.45 | |
| Telaio dell'interruttore | ||||
| 21 | 720475 | 3.24 | 3.95 | |
| Disco | ||||
| 22 | 720602 | 2.04 | 2.49 | |
| Anello O | ||||
| 23 | 200904 | 1.39 | 1.70 | |
| PISTONE | ||||
| 24 | 720478 | 1.45 | 1.77 | |
| Anello O | ||||
| 25 | 206490 | 1.39 | 1.70 | |
| Palla | ||||
| 26 | 410290 | 4.62 | 5.64 | |
| Molla compressione | ||||
| 27 | 463317 | 1.39 | 1.70 | |
| Tubo di collegamento LRS 400 | ||||
| 28 | 10014025 | 8.90 | 10.86 | |
| Tubo | ||||
| 29 | 10014022 | 4.56 | 5.56 | |
| Anello di bloccaggio | ||||
| 30 | 203270 | 1.39 | 1.70 | |
| Tubo dell'aria compressa LRS 400 | ||||
| 31 | 10014028 | 19.12 | 23.33 | |
| Anello O 6x1-NBR-75SHORE | ||||
| 32 | 204118 | 1.39 | 1.70 | |
| Vite a testa ovale 4,0 x 16 mm | ||||
| 33 | 228713 | 5.94 | 7.25 | |
| Nessuna informazione disponibile, non ordinabile | ||||
| 34 | xxx | |||
| Vite a svasatura 4,0 x 10 mm | ||||
| 35 | 400014 | 1.39 | 1.70 | |
| Foglio | ||||
| 36 | 720617 | 2.30 | 2.81 | |
| Cassetta del rivestimento DUO 110 - Set | ||||
| 37 | 491566 | 52.88 | 64.51 | |
| Anello di tenuta | ||||
| 38 | 720246 | 2.38 | 2.90 | |
| Anello Nilos | ||||
| 39 | 782082 | 7.20 | 8.78 | |
| Cappello di aspirazione | ||||
| 40 | 463326 | 3.50 | 4.27 | |
| Camme LEX 3 125/3 | ||||
| 41 | 467930 | 58.32 | 71.15 | |
| Anello di bloccaggio | ||||
| 42 | 200619 | 1.39 | 1.70 | |
| CUSCINETTO A SFERE OSC 18 | ||||
| 43 | 400048 | 7.58 | 9.25 | |
| Disco | ||||
| 44 | 443660 | 1.39 | 1.70 | |
| Bullone di cuscinetto | ||||
| 45 | 720438 | 26.38 | 32.18 | |
| Manicotto | ||||
| 46 | 703070 | 11.09 | 13.53 | |
| STEUNSCHIJF ST-STF 125/8-M8-J H | ||||
| 47 | 492284 | 49.00 | 59.78 | |
| Vite del cilindro | ||||
| 48 | 401165 | 1.39 | 1.70 | |
| CUSCINETTO A SFERE OSC 18 | ||||
| 49 | 401600 | 11.22 | 13.69 | |