Qui troverai tutte le parti e i disegni disponibili di “Festool 488024 ( HL850EB )”. Da qui puoi ordinare direttamente tutte le parti desiderate. Molte parti devono essere ordinate dal produttore, a seconda della marca, ciò richiede da una a quattro settimane. Tutte le informazioni che abbiamo sono sul nostro sito web, non possiamo consigliarti su ciò di cui hai bisogno, per questo dovrai restituire la macchina per la riparazione. Nota quanto segue al momento dell’ordinazione:
A causa di una riorganizzazione interna a Festool, gli ordini Festool non verranno consegnati prima della seconda metà di gennaio 2026.
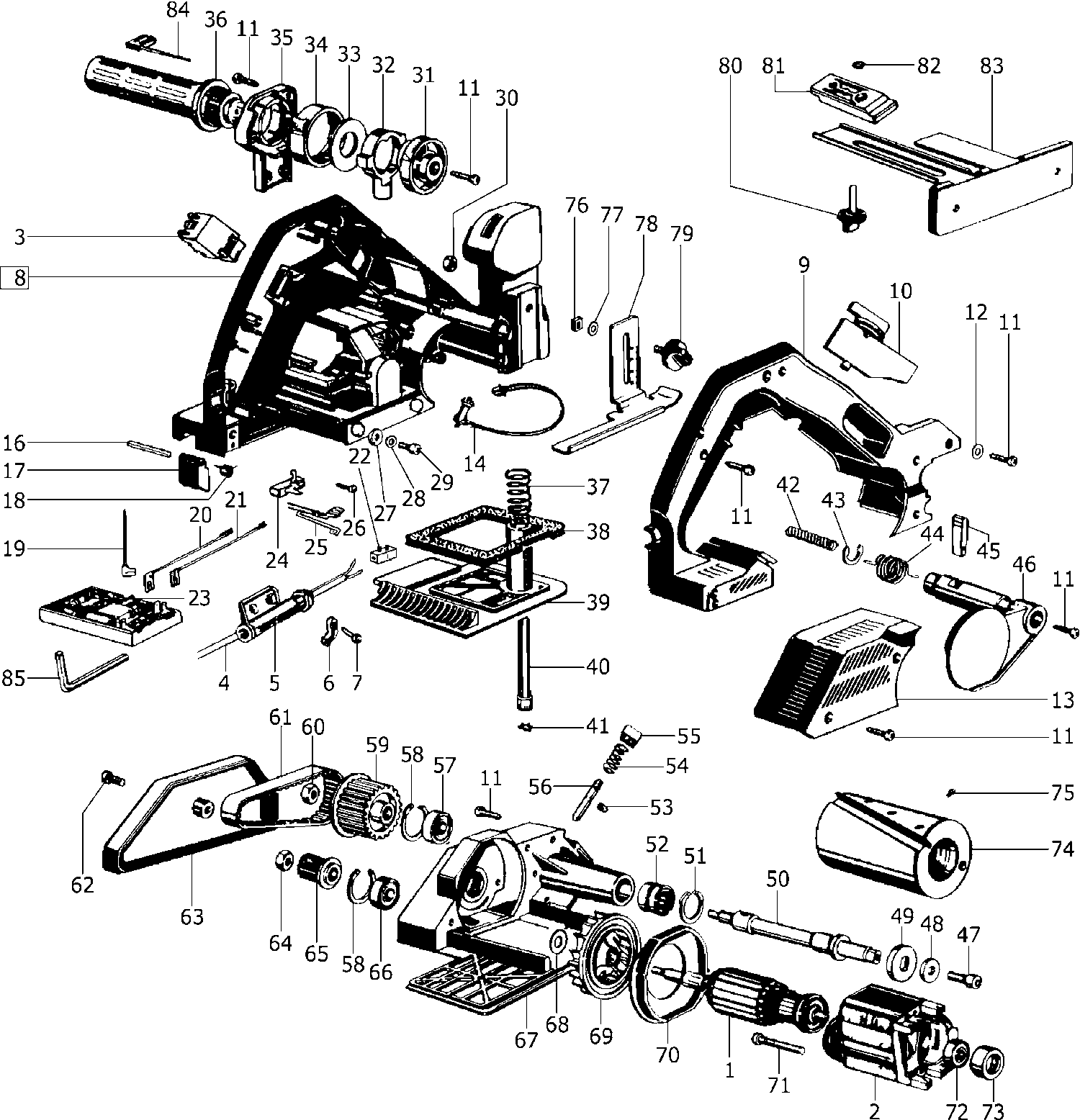
Disegni tecnici di Festool 488024 ( HL850EB )
Elenco parti di Festool 488024 ( HL850EB )
| Pos. | Descrizione | Prezzo IVA escl | Prezzo IVA incl | |
| I prezzi indicati sono comprensivi di IVA | ||||
| Indotto 230v | ||||
| 1 | 492300 | 149.80 | 182.76 | |
| Pacco campo 230v | ||||
| 2 | 492302 | 87.24 | 106.43 | |
| Interruttore freno | ||||
| 3 | 450576 | 15.97 | 19.48 | |
| Cavo Eu | ||||
| 4 | 457600 | 24.32 | 29.67 | |
| Manicotto del cavo | ||||
| 5 | 437024 | 2.57 | 3.14 | |
| Morsetto per cavi KS 60 E | ||||
| 6 | 439288 | 1.39 | 1.70 | |
| Vite a testa svasata 3,5 x 16 mm | ||||
| 7 | 228663 | 1.39 | 1.70 | |
| Telaio del motore AG 125-14 DE | ||||
| 8 | 485889 | 139.15 | 169.76 | |
| COPERTURA | ||||
| 9 | 715176 | 14.40 | 17.57 | |
| Interruttore a levetta | ||||
| 10 | 715039 | 3.10 | 3.78 | |
| Vite a testa ovale PT-4,0x20-KT15 | ||||
| 11 | 228567 | 1.39 | 1.70 | |
| Rondella elastica | ||||
| 12 | 200762 | 1.39 | 1.70 | |
| Copertura del motore KS 60 E | ||||
| 13 | 455589 | 4.42 | 5.39 | |
| Bobina di filo | ||||
| 14 | 612012 | 14.40 | 17.57 | |
| Spinotto cilindrico 2,5 M 6X34 | ||||
| 16 | 228651 | 1.39 | 1.70 | |
| PIATTO AD ANGOLO | ||||
| 17 | 715030 | 1.39 | 1.70 | |
| Molla di torsione TSF 55 | ||||
| 18 | 715033 | 1.39 | 1.70 | |
| Conduttore flessibile KL | ||||
| 19 | 449242 | 2.77 | 3.38 | |
| Conduttore flessibile KL | ||||
| 20 | 449241 | 2.30 | 2.81 | |
| Conduttore flessibile KL | ||||
| 21 | 449240 | 2.83 | 3.45 | |
| Morsetto | ||||
| 22 | 410377 | 1.39 | 1.70 | |
| Elettronica HL 850 EB 230V ET-BG | ||||
| 23 | 205136 | 103.21 | 125.92 | |
| Portaspazzole con carbonio (coppia) 230V | ||||
| 24 | 488915 | 17.54 | 21.40 | |
| Morsetto a U | ||||
| 25 | 449243 | 5.47 | 6.67 | |
| Vite a testa ovale 3,5 x 10 mm | ||||
| 26 | 219031 | 7.32 | 8.93 | |
| Rondella | ||||
| 27 | 715166 | 4.30 | 5.25 | |
| Disco DIN 125-B-5,3-140 HV | ||||
| 28 | 200577 | 1.39 | 1.70 | |
| Vite a testa ovale M6x50 DIN 7985-4.8 | ||||
| 29 | 476787 | 1.39 | 1.70 | |
| Dado esagonale DIN 934-M6-10 | ||||
| 30 | 228689 | 1.39 | 1.70 | |
| Camme LEX 3 125/3 | ||||
| 31 | 715053 | 6.79 | 8.28 | |
| Pezzo della testa OSC 18 ET-BG | ||||
| 32 | 715055 | 11.69 | 14.26 | |
| Disco | ||||
| 33 | 715037 | 2.30 | 2.81 | |
| ANELLO DI FISSAGGIO D38X1,75 | ||||
| 34 | 715054 | 2.90 | 3.54 | |
| COPERTURA | ||||
| 35 | 715051 | 2.71 | 3.31 | |
| Maniglia TSC 55 | ||||
| 36 | 715052 | 10.03 | 12.24 | |
| Molla compressione | ||||
| 37 | 715029 | 1.66 | 2.03 | |
| Piastra di tenuta | ||||
| 38 | 715022 | 4.03 | 4.92 | |
| Tavolo di regolazione | ||||
| 39 | 487656 | 43.56 | 53.14 | |
| Vite del cilindro | ||||
| 40 | 400040 | 1.39 | 1.70 | |
| Anello Dentato | ||||
| 41 | 213646 | 1.39 | 1.70 | |
| Molla compressione | ||||
| 42 | 715038 | 1.39 | 1.70 | |
| Anello semilunare | ||||
| 43 | 228656 | 1.39 | 1.70 | |
| Molla di torsione TSF 55 | ||||
| 44 | 715020 | 4.09 | 4.99 | |
| Depressore HK 85 | ||||
| 45 | 715049 | 1.39 | 1.70 | |
| Tappo | ||||
| 46 | 715048 | 4.94 | 6.03 | |
| Vite a testa cilindrica M6 x 16 | ||||
| 47 | 200685 | 1.39 | 1.70 | |
| Disco | ||||
| 48 | 402935 | 1.39 | 1.70 | |
| Flangia di serraggio VN-HK 85 | ||||
| 49 | 715036 | 1.98 | 2.42 | |
| Albero pialla | ||||
| 50 | 715015 | 34.36 | 41.92 | |
| Anello di bloccaggio | ||||
| 51 | 202930 | 1.39 | 1.70 | |
| CUSCINETTO A RULLINI | ||||
| 52 | 788849 | 26.02 | 31.74 | |
| Anello semilunare | ||||
| 53 | 229597 | 1.39 | 1.70 | |
| Molla compressione | ||||
| 54 | 715027 | 1.39 | 1.70 | |
| Tappo | ||||
| 55 | 715050 | 1.39 | 1.70 | |
| Bullone | ||||
| 56 | 715021 | 4.49 | 5.48 | |
| CUSCINETTO A SFERE OSC 18 | ||||
| 57 | 400583 | 6.79 | 8.28 | |
| Anello di bloccaggio | ||||
| 58 | 209608 | 1.92 | 2.34 | |
| Rondella dentellata DIN 6797-A-3,2 | ||||
| 59 | 715034 | 14.76 | 18.01 | |
| Dado esagonale DIN 934-M6-10 | ||||
| 60 | 228689 | 1.39 | 1.70 | |
| Cinghia Dentata Z=75 | ||||
| 61 | 714043 | 12.58 | 15.35 | |
| Vite a testa ovale M6x50 DIN 7985-4.8 | ||||
| 62 | 476787 | 1.39 | 1.70 | |
| COPERTURA DELLA SCATOLA degli INGRANAGGI | ||||
| 63 | 455585 | 5.88 | 7.17 | |
| Dado esagonale M6 | ||||
| 64 | 772997 | 1.39 | 1.70 | |
| Rondella dentellata DIN 6797-A-3,2 | ||||
| 65 | 715035 | 5.21 | 6.36 | |
| CUSCINETTO A SFERE OSC 18 | ||||
| 66 | 789575 | 6.34 | 7.73 | |
| Flangia del cuscinetto HKC 55 | ||||
| 67 | 487655 | 115.43 | 140.82 | |
| Anello di regolazione LEX 3 | ||||
| 68 | 782510 | 1.39 | 1.70 | |
| Ventola Sunon PMD2412PMB1-A | ||||
| 69 | 715024 | 2.11 | 2.57 | |
| Disco guida aria HK 85 | ||||
| 70 | 715017 | 1.45 | 1.77 | |
| Vite a testa ovale PT-4,0x50-KT15 | ||||
| 71 | 228707 | 1.39 | 1.70 | |
| CUSCINETTO A SFERE OSC 18 | ||||
| 72 | 228559 | 4.30 | 5.25 | |
| Anello dell'asse | ||||
| 73 | 438613 | 1.39 | 1.70 | |
| BEITELROL STAND HK 82 SD | ||||
| 74 | 484520 | 131.00 | 159.82 | |
| Vite prigioniera DIN 915-M4x8-45H | ||||
| 75 | 715102 | 1.39 | 1.70 | |
| Dado quadrato DIN 557-M6-05 | ||||
| 76 | 228566 | 1.39 | 1.70 | |
| Anello O | ||||
| 77 | 200052 | 1.39 | 1.70 | |
| Fermo a scanalatura | ||||
| 78 | 715040 | 8.71 | 10.63 | |
| Pulsante rotativo D34 M6/8T blu | ||||
| 79 | 436195 | 1.58 | 1.93 | |
| Pulsante girevole M6 X 28 | ||||
| 80 | 436420 | 1.85 | 2.26 | |
| Pezzo di scorrimento FSK 670 | ||||
| 81 | 715156 | 9.24 | 11.27 | |
| Anello O | ||||
| 82 | 200052 | 1.39 | 1.70 | |
| Fermata limite DF500 | ||||
| 83 | 715056 | 23.47 | 28.63 | |
| Chiave a Bussola Esagonale | ||||
| 84 | 439803 | 5.35 | 6.53 | |
| Cacciavite SW 5 DIN911 | ||||
| 85 | 202752 | 1.39 | 1.70 | |