Qui troverai tutte le parti e i disegni disponibili di “Festool 486025 ( ET2E )”. Da qui puoi ordinare direttamente tutte le parti desiderate. Molte parti devono essere ordinate dal produttore, a seconda della marca, ciò richiede da una a quattro settimane. Tutte le informazioni che abbiamo sono sul nostro sito web, non possiamo consigliarti su ciò di cui hai bisogno, per questo dovrai restituire la macchina per la riparazione. Nota quanto segue al momento dell’ordinazione:
A causa di una riorganizzazione interna a Festool, gli ordini Festool non verranno consegnati prima della seconda metà di gennaio 2026.
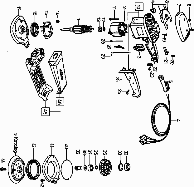
Disegni tecnici di Festool 486025 ( ET2E )
Elenco parti di Festool 486025 ( ET2E )
| Pos. | Descrizione | Prezzo IVA escl | Prezzo IVA incl | |
| I prezzi indicati sono comprensivi di IVA | ||||
| Indotto 230v | ||||
| 1 | 493135 | 128.62 | 156.92 | |
| Non più disponibile, nessuna sostituzione | ||||
| 2 | 493137 | |||
| Interruttore di montaggio | ||||
| 3 | 486317 | 15.00 | 18.30 | |
| Cavo Eu | ||||
| 4 | 457600 | 24.32 | 29.67 | |
| Nessuna informazione disponibile, non ordinabile | ||||
| 5 | xxx | |||
| Vite a testa ovale 3,5 x 10 mm | ||||
| 6 | 219031 | 7.32 | 8.93 | |
| Tappo | ||||
| 7 | 488661 | 11.78 | 14.37 | |
| Elettronica di regolazione 230 V | ||||
| 8 | 486686 | 61.47 | 74.99 | |
| Nessuna informazione disponibile, non ordinabile | ||||
| 9 | xxx | |||
| Telaio del motore AG 125-14 DE | ||||
| 10 | 487834 | 37.51 | 45.76 | |
| Vite a testa bombata 4,0 x 40 mm | ||||
| 11 | 219080 | 1.39 | 1.70 | |
| RONDELLA 14x21,8x0,3 L+MN 1100 | ||||
| 12 | 203777 | 1.39 | 1.70 | |
| Cuscinetto a sfere a gola 608 D1 MC3 E U152 J2 HA1 | ||||
| 13 | 10775821 | 5.09 | 6.21 | |
| Dado esagonale M4 | ||||
| 14 | 200715 | 1.39 | 1.70 | |
| Disco guida aria HK 85 | ||||
| 15 | 443109 | 2.57 | 3.14 | |
| Ventola Sunon PMD2412PMB1-A | ||||
| 16 | 436451 | 2.18 | 2.66 | |
| Nessuna informazione disponibile, non ordinabile | ||||
| 17 | xxx | |||
| Vite a testa ovale M4x20-TAPTITE-T15 | ||||
| 19 | 228569 | 1.39 | 1.70 | |
| Vite a testa ovale 3,5 x 10 mm | ||||
| 20 | 219031 | 7.32 | 8.93 | |
| Carboncillo (paio) 220-230v | ||||
| 21 | 489018 | 10.75 | 13.12 | |
| Morsetto per cavi KS 60 E | ||||
| 22 | 439288 | 1.39 | 1.70 | |
| Vite a testa svasata 3,5 x 16 mm | ||||
| 23 | 228663 | 1.39 | 1.70 | |
| COPERTURA | ||||
| 25 | 451402 | 6.26 | 7.64 | |
| Vite a testa ovale PT-4,0x20-KT15 | ||||
| 26 | 228567 | 1.39 | 1.70 | |
| Morsetto a U | ||||
| 27 | 443331 | 1.51 | 1.84 | |
| Nessuna informazione disponibile, non ordinabile | ||||
| 28 | 440585 | |||
| Nessuna informazione disponibile, non ordinabile | ||||
| 29 | 443878 | |||
| CUSCINETTO A SFERE OSC 18 | ||||
| 32 | 228659 | 8.11 | 9.89 | |
| Anello di bloccaggio | ||||
| 33 | 401246 | 1.39 | 1.70 | |
| Nessuna informazione disponibile, non ordinabile | ||||
| 35 | 488856 | |||
| Anello di bloccaggio | ||||
| 36 | 200619 | 1.39 | 1.70 | |
| CUSCINETTO A SFERE OSC 18 | ||||
| 37 | 400048 | 7.58 | 9.25 | |
| Disco | ||||
| 38 | 443660 | 1.39 | 1.70 | |
| Bullone di cuscinetto | ||||
| 39 | 720438 | 26.38 | 32.18 | |
| Nessuna informazione disponibile, non ordinabile | ||||
| 40 | xxx | |||
| Copertura TURBO II | ||||
| 41 | 442925 | 9.90 | 12.08 | |
| Vite a testa ovale M4x12-TAPTITE-T15 | ||||
| 42 | 228509 | 1.39 | 1.70 | |
| Manicotto | ||||
| 43 | 701156 | 7.39 | 9.02 | |
| Vite del cilindro | ||||
| 44 | 401165 | 1.39 | 1.70 | |
| TURBOFILTER-SET TFS II-ET/RS | ||||
| 45 | 487780 | 25.00 | 30.50 | |
| TURBOFILTER TF II-ET/RS/5X | ||||
| 46 | 487779 | 8.00 | 9.76 | |