Qui troverai tutte le parti e i disegni disponibili di “Festool 454819 ( CT33E )”. Da qui puoi ordinare direttamente tutte le parti desiderate. Molte parti devono essere ordinate dal produttore, a seconda della marca, ciò richiede da una a quattro settimane. Tutte le informazioni che abbiamo sono sul nostro sito web, non possiamo consigliarti su ciò di cui hai bisogno, per questo dovrai restituire la macchina per la riparazione. Nota quanto segue al momento dell’ordinazione:
A causa di una riorganizzazione interna a Festool, gli ordini Festool non verranno consegnati prima della seconda metà di gennaio 2026.
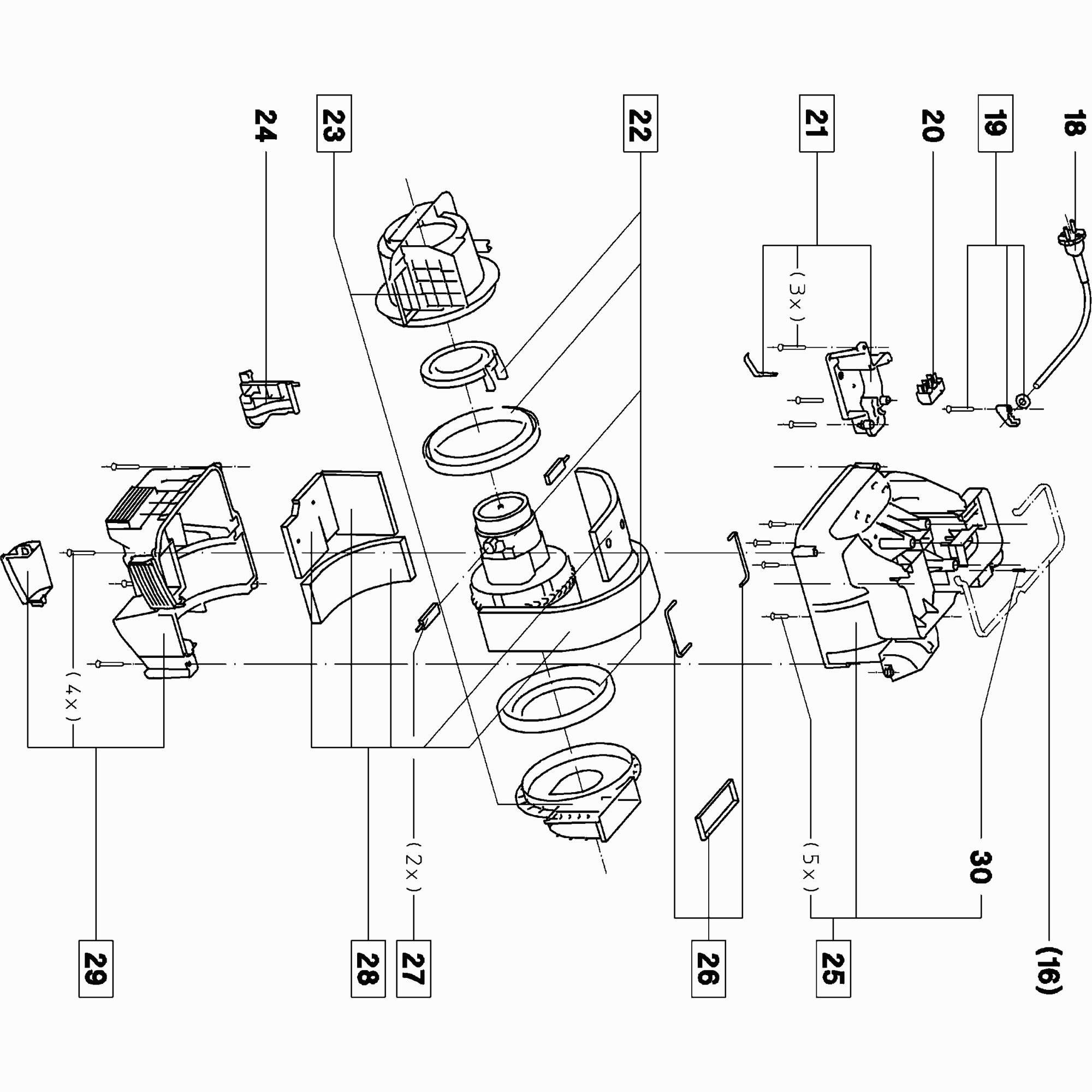
Disegni tecnici di Festool 454819 ( CT33E )
Elenco parti di Festool 454819 ( CT33E )
| Pos. | Descrizione | Prezzo IVA escl | Prezzo IVA incl | |
| I prezzi indicati sono comprensivi di IVA | ||||
| Nessuna informazione disponibile, non ordinabile | ||||
| 1 | xxx | |||
| Copertura TURBO II | ||||
| 3 | 200504 | 12.83 | 15.65 | |
| Interruttore 230 V | ||||
| 4 | 452862 | 19.60 | 23.91 | |
| Elettronica 230 V | ||||
| 5 | 456773 | 133.22 | 162.53 | |
| Nessuna informazione disponibile, non ordinabile | ||||
| 6 | 452866 | |||
| Coperchio del alloggiamento | ||||
| 7 | 452869 | 85.91 | 104.81 | |
| Nessuna informazione disponibile, non ordinabile | ||||
| 8 | xxx | |||
| Non più disponibile, nessuna sostituzione | ||||
| 9 | 452854 | |||
| Tappo | ||||
| 10 | 454966 | 134.19 | 163.71 | |
| FERMAGLIO PER CAVO | ||||
| 11 | 452858 | 14.64 | 17.86 | |
| Nessuna informazione disponibile, non ordinabile | ||||
| 12 | xxx | |||
| Maniglia TSC 55 | ||||
| 13 | 452864 | 11.79 | 14.38 | |
| Fork LHS 225 EQ | ||||
| 14 | 452021 | 8.78 | 10.71 | |
| Non più disponibile, nessuna sostituzione | ||||
| 15 | 452870 | |||
| Set di imballaggio CT MIDI I ET-BG | ||||
| 16 | 454750 | 28.31 | 34.54 | |
| Porta Filtro | ||||
| 17 | 452960 | 50.58 | 61.71 | |
| Nessuna informazione disponibile, non ordinabile | ||||
| 19 | xxx | |||
| FERMAGLIO PER CAVO | ||||
| 20 | 452099 | 6.94 | 8.47 | |
| Non più disponibile, nessuna sostituzione | ||||
| 21 | 452872 | |||
| Unità di azionamento 230-240v | ||||
| 22 | 454737 | 200.86 | 245.05 | |
| Nessuna informazione disponibile, non ordinabile | ||||
| 23 | 452873 | |||
| PIATTO AD ANGOLO | ||||
| 24 | 452091 | 2.83 | 3.45 | |
| Non più disponibile, nessuna sostituzione | ||||
| 25 | 454746 | |||
| Nessuna informazione disponibile, non ordinabile | ||||
| 26 | 454748 | |||
| Spazzola Rimovibile (coppia) 230v | ||||
| 27 | 452876 | 43.92 | 53.58 | |
| Tappetino isolante | ||||
| 28 | 454747 | 18.76 | 22.89 | |
| Tappo | ||||
| 29 | 454749 | 79.38 | 96.84 | |
| Resistore PTC DF 700 90 C | ||||
| 30 | 452149 | 6.79 | 8.28 | |
| Bullone di cuscinetto | ||||
| 31 | 452016 | 1.39 | 1.70 | |
| Contenitore KA 65 | ||||
| 101 | 452848 | 166.74 | 203.42 | |
| Nessuna informazione disponibile, non ordinabile | ||||
| 102 | 452846 | |||
| MANICOTTO | ||||
| 103 | 452847 | 15.37 | 18.75 | |
| Nessuna informazione disponibile, non ordinabile | ||||
| 104 | 452845 | |||
| Porta TURBO II ET-BG | ||||
| 105 | 452955 | 30.61 | 37.34 | |
| Nessuna informazione disponibile, non ordinabile | ||||
| 106 | xxx | |||
| Gancio del cavo | ||||
| 107 | 452837 | 19.00 | 23.18 | |
| Nessuna informazione disponibile, non ordinabile | ||||
| 108 | xxx | |||
| Pavimento | ||||
| 109 | 452003 | 16.94 | 20.67 | |
| Nessuna informazione disponibile, non ordinabile | ||||
| 110 | 452004 | |||
| Nessuna informazione disponibile, non ordinabile | ||||
| 111 | 452949 | |||
| Tirante DF 700 | ||||
| 112 | 452852 | 26.74 | 32.62 | |
| RUOTA | ||||
| 113 | 452840 | 18.76 | 22.89 | |
| Supporto | ||||
| 114 | 452841 | 152.58 | 186.15 | |
| Non più disponibile, nessuna sostituzione | ||||
| 115 | 454743 | |||
| PIEZO POLARE | ||||
| 116 | 452951 | 43.56 | 53.14 | |
| Non più disponibile, nessuna sostituzione | ||||
| 117 | 452965 | |||
| Non più disponibile, nessuna sostituzione | ||||
| 118 | 452009 | |||