Qui troverai tutte le parti e i disegni disponibili di “Festool 490598 ( CDD9,6FX )”. Da qui puoi ordinare direttamente tutte le parti desiderate. Molte parti devono essere ordinate dal produttore, a seconda della marca, ciò richiede da una a quattro settimane. Tutte le informazioni che abbiamo sono sul nostro sito web, non possiamo consigliarti su ciò di cui hai bisogno, per questo dovrai restituire la macchina per la riparazione. Nota quanto segue al momento dell’ordinazione:
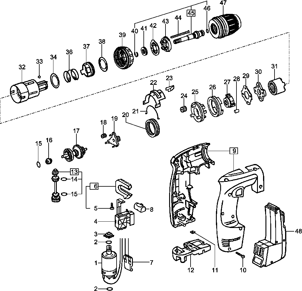
Disegni tecnici di Festool 490598 ( CDD9,6FX )
Elenco parti di Festool 490598 ( CDD9,6FX )
| Pos. | Descrizione | Prezzo IVA escl | Prezzo IVA incl | |
| I prezzi indicati sono comprensivi di IVA | ||||
| Motore 9,6v | ||||
| 1 | 489283 | 62.32 | 76.03 | |
| Nessuna informazione disponibile, non ordinabile | ||||
| 2 | xxx | |||
| Nessuna informazione disponibile, non ordinabile | ||||
| 3 | xxx | |||
| Interruttore 12v | ||||
| 4 | 451583 | 56.75 | 69.24 | |
| Nessuna informazione disponibile, non ordinabile | ||||
| 5 | xxx | |||
| Nessuna informazione disponibile, non ordinabile | ||||
| 6 | xxx | |||
| STRISCIA | ||||
| 7 | 487541 | 23.23 | 28.34 | |
| Nessuna informazione disponibile, non ordinabile | ||||
| 8 | xxx | |||
| Nessuna informazione disponibile, non ordinabile | ||||
| 9 | 491651 | |||
| Vite a lente 3,5 x 22 mm | ||||
| 10 | 400174 | 1.39 | 1.70 | |
| Nessuna informazione disponibile, non ordinabile | ||||
| 11 | xxx | |||
| Deposito di bit per Cdd | ||||
| 12 | 444905 | 3.89 | 4.75 | |
| Nessuna informazione disponibile, non ordinabile | ||||
| 13 | xxx | |||
| Nessuna informazione disponibile, non ordinabile | ||||
| 14 | xxx | |||
| Nessuna informazione disponibile, non ordinabile | ||||
| 15 | xxx | |||
| Nessuna informazione disponibile, non ordinabile | ||||
| 16 | xxx | |||
| Nessuna informazione disponibile, non ordinabile | ||||
| 17 | xxx | |||
| Nessuna informazione disponibile, non ordinabile | ||||
| 18 | xxx | |||
| Nessuna informazione disponibile, non ordinabile | ||||
| 19 | xxx | |||
| Nessuna informazione disponibile, non ordinabile | ||||
| 20 | xxx | |||
| Nessuna informazione disponibile, non ordinabile | ||||
| 21 | xxx | |||
| Nessuna informazione disponibile, non ordinabile | ||||
| 22 | xxx | |||
| Nessuna informazione disponibile, non ordinabile | ||||
| 23 | xxx | |||
| Nessuna informazione disponibile, non ordinabile | ||||
| 24 | xxx | |||
| Nessuna informazione disponibile, non ordinabile | ||||
| 25 | xxx | |||
| Nessuna informazione disponibile, non ordinabile | ||||
| 26 | xxx | |||
| Nessuna informazione disponibile, non ordinabile | ||||
| 27 | xxx | |||
| Nessuna informazione disponibile, non ordinabile | ||||
| 28 | xxx | |||
| Nessuna informazione disponibile, non ordinabile | ||||
| 29 | xxx | |||
| Nessuna informazione disponibile, non ordinabile | ||||
| 30 | xxx | |||
| Nessuna informazione disponibile, non ordinabile | ||||
| 31 | xxx | |||
| Nessuna informazione disponibile, non ordinabile | ||||
| 32 | xxx | |||
| Palla | ||||
| 33 | 200863 | 1.39 | 1.70 | |
| Nessuna informazione disponibile, non ordinabile | ||||
| 34 | xxx | |||
| Nessuna informazione disponibile, non ordinabile | ||||
| 36 | xxx | |||
| Nessuna informazione disponibile, non ordinabile | ||||
| 37 | xxx | |||
| Nessuna informazione disponibile, non ordinabile | ||||
| 38 | xxx | |||
| Nessuna informazione disponibile, non ordinabile | ||||
| 39 | xxx | |||
| Nessuna informazione disponibile, non ordinabile | ||||
| 40 | xxx | |||
| CUSCINETTO A RULLINI | ||||
| 41 | 494930 | 23.23 | 28.34 | |
| Nessuna informazione disponibile, non ordinabile | ||||
| 42 | xxx | |||
| Nessuna informazione disponibile, non ordinabile | ||||
| 43 | xxx | |||
| Nessuna informazione disponibile, non ordinabile | ||||
| 44 | xxx | |||
| Nessuna informazione disponibile, non ordinabile | ||||
| 45 | 490778 | |||
| Anello di bloccaggio | ||||
| 46 | 446416 | 1.39 | 1.70 | |
| SNELSPANBOORKOP KC 13-1/2-K-FFP | ||||
| 47 | 769067 | 70.00 | 85.40 | |
| Nessuna informazione disponibile, non ordinabile | ||||
| 48 | --- | |||