Qui troverai tutte le parti e i disegni disponibili di “Festool 486899 ( AP55 )”. Da qui puoi ordinare direttamente tutte le parti desiderate. Molte parti devono essere ordinate dal produttore, a seconda della marca, ciò richiede da una a quattro settimane. Tutte le informazioni che abbiamo sono sul nostro sito web, non possiamo consigliarti su ciò di cui hai bisogno, per questo dovrai restituire la macchina per la riparazione. Nota quanto segue al momento dell’ordinazione:
A causa di una riorganizzazione interna a Festool, gli ordini Festool non verranno consegnati prima della seconda metà di gennaio 2026.
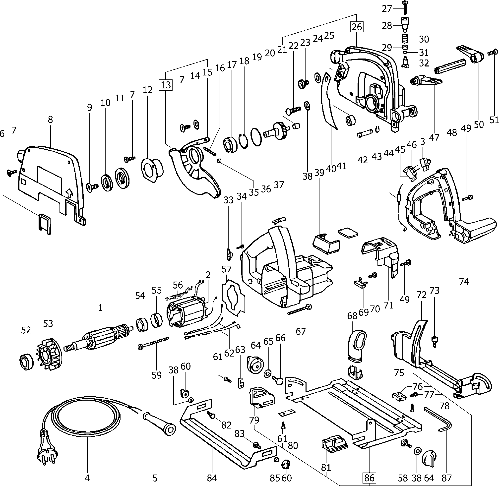
Disegni tecnici di Festool 486899 ( AP55 )
Elenco parti di Festool 486899 ( AP55 )
| Pos. | Descrizione | Prezzo IVA escl | Prezzo IVA incl | |
| I prezzi indicati sono comprensivi di IVA | ||||
| Indotto 230v | ||||
| 1 | 493219 | 157.18 | 191.76 | |
| VELDPAKKET AP 55 | ||||
| 2 | 493220 | 78.17 | 95.37 | |
| Nessuna informazione disponibile, non ordinabile | ||||
| 3 | 490843 | |||
| Cavo Eu | ||||
| 4 | 461124 | 24.32 | 29.67 | |
| Guaina di protezione del cavo | ||||
| 5 | 432436 | 1.39 | 1.70 | |
| Finestra CXS LED | ||||
| 6 | 438943 | 3.89 | 4.75 | |
| Vite a testa svasata M4 x 10 | ||||
| 7 | 228736 | 1.39 | 1.70 | |
| Nessuna informazione disponibile, non ordinabile | ||||
| 8 | xxx | |||
| Vite a testa svasata | ||||
| 9 | 439269 | 1.85 | 2.26 | |
| Flangia di contrasto VN-HK 85 | ||||
| 10 | 440089 | 5.74 | 7.00 | |
| Nessuna informazione disponibile, non ordinabile | ||||
| 11 | xxx | |||
| Nessuna informazione disponibile, non ordinabile | ||||
| 12 | xxx | |||
| Nessuna informazione disponibile, non ordinabile | ||||
| 13 | 488077 | |||
| Nessuna informazione disponibile, non ordinabile | ||||
| 14 | xxx | |||
| Nessuna informazione disponibile, non ordinabile | ||||
| 15 | xxx | |||
| Molla di tiro | ||||
| 16 | 440723 | 1.45 | 1.77 | |
| CUSCINETTO A SFERE OSC 18 | ||||
| 17 | 228659 | 8.11 | 9.89 | |
| Anello di bloccaggio | ||||
| 18 | 401246 | 1.39 | 1.70 | |
| Anello O | ||||
| 19 | 215499 | 1.39 | 1.70 | |
| Albero del cambio KS 60 E | ||||
| 20 | 441034 | 49.73 | 60.67 | |
| Cuscinetto del cilindro | ||||
| 21 | 439042 | 2.38 | 2.90 | |
| Vite a testa cilindrica | ||||
| 22 | 444362 | 1.39 | 1.70 | |
| Vite a testa cilindrica M6 x 12 | ||||
| 23 | 774326 | 1.92 | 2.34 | |
| Disco DIN 125-B-6,4-140 HV | ||||
| 24 | 228546 | 1.39 | 1.70 | |
| Buffer | ||||
| 25 | 714434 | 4.75 | 5.80 | |
| Nessuna informazione disponibile, non ordinabile | ||||
| 26 | 487572 | |||
| Vite a testa ovale M4 x 40 | ||||
| 27 | 228591 | 1.39 | 1.70 | |
| PULSANTE | ||||
| 28 | 440441 | 3.24 | 3.95 | |
| Rondella di supporto S 12,1x21x1 DIN 988 | ||||
| 29 | 444142 | 1.39 | 1.70 | |
| Molla compressione | ||||
| 30 | 201134 | 1.39 | 1.70 | |
| Anello O | ||||
| 31 | 444234 | 1.39 | 1.70 | |
| Bullone | ||||
| 32 | 444114 | 8.98 | 10.96 | |
| Morsetto per cavi KS 60 E | ||||
| 33 | 439288 | 1.39 | 1.70 | |
| Vite a testa svasata 3,5 x 16 mm | ||||
| 34 | 228663 | 1.39 | 1.70 | |
| Nessuna informazione disponibile, non ordinabile | ||||
| 35 | xxx | |||
| Telaio del motore AG 125-14 DE | ||||
| 36 | 446281 | 22.14 | 27.01 | |
| Nessuna informazione disponibile, non ordinabile | ||||
| 37 | xxx | |||
| Disco | ||||
| 38 | 402935 | 1.39 | 1.70 | |
| Copertura TURBO II | ||||
| 39 | 438607 | 4.09 | 4.99 | |
| Coltello divisorio CS 50 EBG | ||||
| 40 | 440035 | 6.53 | 7.97 | |
| Nessuna informazione disponibile, non ordinabile | ||||
| 41 | xxx | |||
| Nessuna informazione disponibile, non ordinabile | ||||
| 42 | xxx | |||
| Nessuna informazione disponibile, non ordinabile | ||||
| 43 | xxx | |||
| CONDENSATORE | ||||
| 45 | 492778 | 18.15 | 22.14 | |
| CINGHIA | ||||
| 46 | 434716 | 1.39 | 1.70 | |
| Leva KA 65 | ||||
| 47 | 486639 | 7.00 | 8.54 | |
| Dado di bloccaggio | ||||
| 48 | 438950 | 12.70 | 15.49 | |
| Vite a testa ovale PT-4,0x25-KT15 | ||||
| 49 | 228580 | 1.39 | 1.70 | |
| Leva KA 65 | ||||
| 50 | 438944 | 1.51 | 1.84 | |
| Vite a Testa Contersunk M6 X 10 | ||||
| 51 | 402365 | 1.39 | 1.70 | |
| CUSCINETTO A SFERE OSC 18 | ||||
| 52 | 228798 | 5.68 | 6.93 | |
| Ventola Sunon PMD2412PMB1-A | ||||
| 53 | 715024 | 2.11 | 2.57 | |
| CUSCINETTO A SFERE OSC 18 | ||||
| 54 | 228559 | 4.30 | 5.25 | |
| Anello dell'asse | ||||
| 55 | 438613 | 1.39 | 1.70 | |
| Morsetto a U | ||||
| 56 | 443331 | 1.51 | 1.84 | |
| Disco guida aria HK 85 | ||||
| 57 | 457606 | 11.42 | 13.93 | |
| Vite a testa cilindrica | ||||
| 58 | 444362 | 1.39 | 1.70 | |
| Vite a testa ovale PT-4,0x60-KT15 | ||||
| 59 | 228708 | 1.39 | 1.70 | |
| Manopola rotativa M6 | ||||
| 60 | 440712 | 2.51 | 3.06 | |
| Vite a testa svasata M4 x 10 | ||||
| 61 | 228727 | 1.39 | 1.70 | |
| Nessuna informazione disponibile, non ordinabile | ||||
| 62 | xxx | |||
| Indicatore DF 700 | ||||
| 63 | 439275 | 2.04 | 2.49 | |
| Pulsante rotativo D34 M6/8T blu | ||||
| 64 | 440713 | 2.71 | 3.31 | |
| Disco DIN 125-B-6,4-140 HV | ||||
| 65 | 228546 | 1.39 | 1.70 | |
| Vite a testa piatta M6 x 25 | ||||
| 66 | 228603 | 1.39 | 1.70 | |
| Vite del cilindro | ||||
| 67 | 203780 | 1.66 | 2.03 | |
| Deviaschegge | ||||
| 68 | 439696 | 7.99 | 9.75 | |
| Portaspazzole con carbonio (coppia) 230V | ||||
| 69 | 488915 | 17.54 | 21.40 | |
| Vite a testa ovale 3,5 x 8 mm | ||||
| 70 | 219047 | 1.39 | 1.70 | |
| Tappo | ||||
| 71 | 439824 | 9.17 | 11.19 | |
| Portante LA-DF 500 | ||||
| 72 | 439012 | 68.85 | 84.00 | |
| Vite a testa cilindrica M5 x 16 | ||||
| 73 | 228617 | 1.39 | 1.70 | |
| COPERTURA | ||||
| 74 | 438637 | 11.68 | 14.25 | |
| Parte di Regolazione | ||||
| 75 | 442809 | 1.45 | 1.77 | |
| Parte di Regolazione | ||||
| 76 | 443971 | 1.39 | 1.70 | |
| Prigioniero M6 x 12 | ||||
| 77 | 442597 | 1.39 | 1.70 | |
| Vite a svasatura 4,0 x 10 mm | ||||
| 78 | 400014 | 1.39 | 1.70 | |
| Segmento orientabile | ||||
| 79 | 438855 | 2.30 | 2.81 | |
| Barra filettata | ||||
| 80 | 439789 | 1.85 | 2.26 | |
| Segmento orientabile | ||||
| 81 | 438856 | 1.92 | 2.34 | |
| Vite a testa piatta M6 x 12 | ||||
| 82 | 228592 | 1.39 | 1.70 | |
| Vite a testa piatta M6 x 20 | ||||
| 83 | 228661 | 1.39 | 1.70 | |
| Tavolo di estensione KS 60 E | ||||
| 84 | 438857 | 17.54 | 21.40 | |
| Boccola Distanziatrice | ||||
| 85 | 439715 | 2.04 | 2.49 | |
| STRISCIA | ||||
| 86 | 484685 | 50.34 | 61.41 | |
| Chiave a Bussola Esagonale | ||||
| 87 | 439236 | 3.70 | 4.51 | |