Qui troverai tutte le parti e i disegni disponibili di “Fein 72212629230 ( WSG25-180 )”. Da qui puoi ordinare direttamente tutte le parti desiderate. Molte parti devono essere ordinate dal produttore, a seconda della marca, ciò richiede da una a quattro settimane. Tutte le informazioni che abbiamo sono sul nostro sito web, non possiamo consigliarti su ciò di cui hai bisogno, per questo dovrai restituire la macchina per la riparazione. Nota quanto segue al momento dell’ordinazione:
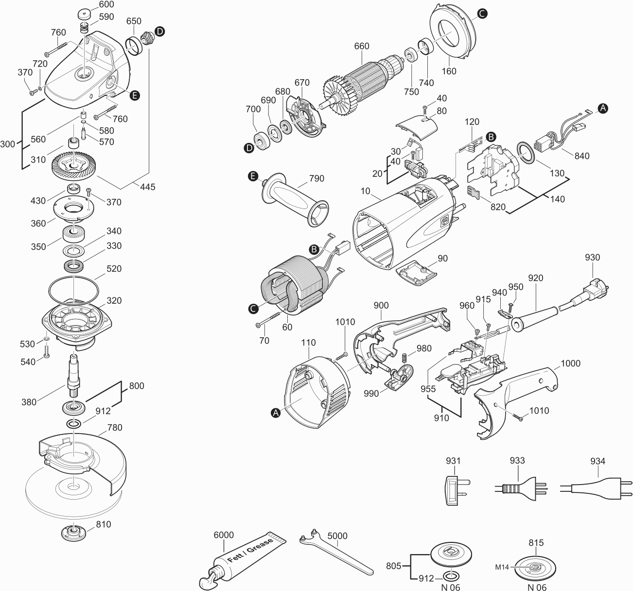
Disegni tecnici di Fein 72212629230 ( WSG25-180 )
Elenco parti di Fein 72212629230 ( WSG25-180 )
| Pos. | Descrizione | Prezzo IVA escl | Prezzo IVA incl | |
| I prezzi indicati sono comprensivi di IVA | ||||
| Custodia del motore | ||||
| 10 | 31903210002 | 48.49 | 59.16 | |
| Portaspazzole 220-230V, 50/60Hz | ||||
| 20 | 30712090019 | 18.50 | 22.57 | |
| SPAZZOLA 12X8 M. MOLLA U-CONTATTO | ||||
| 30 | 30711137006 | 11.35 | 13.85 | |
| VITE C M4X35 | ||||
| 40 | 43070027000 | 1.04 | 1.27 | |
| CAMPO 230V | ||||
| 60 | 51275005230 | 127.60 | 155.67 | |
| VITE C M4X35 | ||||
| 70 | 43072001009 | 1.04 | 1.27 | |
| Coperchio Superiore | ||||
| 80 | 32427113009 | 5.15 | 6.28 | |
| Coperchio inferiore | ||||
| 90 | 32427115001 | 7.10 | 8.66 | |
| Casa di refrigerazione | ||||
| 110 | 31207242002 | 16.59 | 20.24 | |
| SPINOTTO | ||||
| 120 | 31428132004 | 1.25 | 1.52 | |
| Staffa di arresto | ||||
| 130 | 31415092003 | 1.04 | 1.27 | |
| Elettronica TID 18 ET-BG | ||||
| 140 | 30762609990 | 142.91 | 174.35 | |
| Anello deflettore d'aria | ||||
| 160 | 31428133008 | 6.19 | 7.55 | |
| Carter del cambio WSG25-180 | ||||
| 300 | 31206134030 | 121.22 | 147.89 | |
| CUSCINETTO A RULLINI | ||||
| 310 | 41706030007 | 22.97 | 28.02 | |
| Piastra di supporto KA-UG | ||||
| 320 | 32419137000 | 38.92 | 47.48 | |
| Rondella in feltro D 20/14 2mm | ||||
| 330 | 30601110005 | 1.88 | 2.29 | |
| Disco di copertura | ||||
| 340 | 32411084009 | 2.09 | 2.55 | |
| CUSCINETTO A SFERE OSC 18 | ||||
| 350 | 41701224024 | 10.58 | 12.91 | |
| Non più disponibile, nessuna sostituzione | ||||
| 360 | 32416105008 | |||
| Vite cilindrica | ||||
| 370 | 43064002043 | 1.04 | 1.27 | |
| BARRA TOMMY | ||||
| 380 | 33406289002 | 35.09 | 42.81 | |
| Rondella | ||||
| 430 | 32601273006 | 4.10 | 5.00 | |
| Set di ingranaggi | ||||
| 445 | 33809232016 | 67.63 | 82.51 | |
| Disco | ||||
| 520 | 32624118022 | 2.51 | 3.06 | |
| Rondella di sicurezza M5 | ||||
| 530 | 42443004057 | 1.04 | 1.27 | |
| VITE C M4X35 | ||||
| 540 | 43064009054 | 1.04 | 1.27 | |
| MANICOTTO FILETTATO | ||||
| 560 | 30507230009 | 3.68 | 4.49 | |
| Spina di bloccaggio | ||||
| 570 | 30217335005 | 6.61 | 8.06 | |
| Anello di tenuta | ||||
| 580 | 40612137008 | 1.04 | 1.27 | |
| Molla a spirale | ||||
| 590 | 30901354004 | 2.09 | 2.55 | |
| Pulsante | ||||
| 600 | 32805180004 | 2.51 | 3.06 | |
| Boccola in gomma | ||||
| 650 | 30507169007 | 2.51 | 3.06 | |
| STATORE 230V | ||||
| 660 | 53275001231 | 172.26 | 210.16 | |
| Piastra di supporto KA-UG | ||||
| 670 | 32416103006 | 9.74 | 11.88 | |
| Anello di feltro | ||||
| 680 | 30601050002 | 1.04 | 1.27 | |
| Disco di tenuta | ||||
| 690 | 32411083001 | 1.25 | 1.52 | |
| CUSCINETTO A SFERE OSC 18 | ||||
| 700 | 41701213096 | 16.27 | 19.85 | |
| Rondella di sicurezza M4 | ||||
| 720 | 42443003043 | 1.04 | 1.27 | |
| Boccola in gomma | ||||
| 740 | 30507168003 | 2.51 | 3.06 | |
| CUSCINETTO A SFERE OSC 18 | ||||
| 750 | 41701207033 | 8.50 | 10.37 | |
| Bullone M8X60 | ||||
| 760 | 43070029002 | 1.04 | 1.27 | |
| Coperchio di protezione 180mm | ||||
| 780 | 31810245020 | 40.19 | 49.03 | |
| Nessuna informazione disponibile, non ordinabile | ||||
| 790 | 32119032002 | |||
| Flangia del disco di rettifica interna senza trazi | ||||
| 800 | 63801182010 | 12.25 | 14.94 | |
| Nessuna informazione disponibile, non ordinabile | ||||
| 810 | 63802052000 | |||
| Tappo | ||||
| 820 | 31415089009 | 1.04 | 1.27 | |
| MANICO INFERIORE | ||||
| 900 | 31204167000 | 11.10 | 13.54 | |
| Interruttore | ||||
| 910 | 30701278010 | 67.63 | 82.51 | |
| Interruttore | ||||
| 910 | 30701279010 | 67.63 | 82.51 | |
| Sigillo | ||||
| 912 | 40612000007 | 1.04 | 1.27 | |
| Vite cilindrica | ||||
| 915 | 43041001994 | 1.04 | 1.27 | |
| Tubo protettivo | ||||
| 920 | 31413094007 | 2.93 | 3.57 | |
| CAVO CON SPINA | ||||
| 930 | 30707387012 | 16.27 | 19.85 | |
| Sollievo dal tiro | ||||
| 940 | 32431042008 | 1.04 | 1.27 | |
| VITE C M4X35 | ||||
| 950 | 43070035002 | 1.04 | 1.27 | |
| Pezzo di connessione | ||||
| 955 | 30717203014 | 18.50 | 22.57 | |
| Vite cilindrica | ||||
| 960 | 43041016042 | 1.04 | 1.27 | |
| Molla | ||||
| 980 | 30901343007 | 1.04 | 1.27 | |
| Pulsante dell'interruttore | ||||
| 990 | 32816057007 | 2.93 | 3.57 | |
| MANICO SUPERIORE | ||||
| 1000 | 31204168008 | 11.10 | 13.54 | |
| VITE C M4X35 | ||||
| 1010 | 43070031003 | 1.04 | 1.27 | |
| Microchip RFID | ||||
| 2500 | 32217517000 | 1.25 | 1.52 | |
| Nessuna informazione disponibile, non ordinabile | ||||
| 5000 | 62910022002 | |||
| Non più disponibile, nessuna sostituzione | ||||
| 6000 | 32160003014 | |||
| Veiligheidsvoorschrift | ||||
| 9020 | 34130054061 | 1.86 | 2.27 | |