Qui troverai tutte le parti e i disegni disponibili di “Fein 72222200230 ( WSG17-70InoxR )”. Da qui puoi ordinare direttamente tutte le parti desiderate. Molte parti devono essere ordinate dal produttore, a seconda della marca, ciò richiede da una a quattro settimane. Tutte le informazioni che abbiamo sono sul nostro sito web, non possiamo consigliarti su ciò di cui hai bisogno, per questo dovrai restituire la macchina per la riparazione. Nota quanto segue al momento dell’ordinazione:
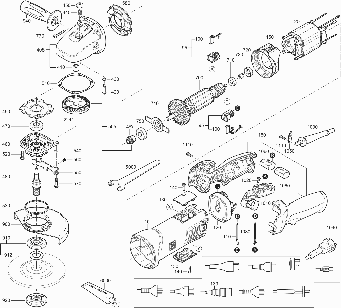
Disegni tecnici di Fein 72222200230 ( WSG17-70InoxR )
Elenco parti di Fein 72222200230 ( WSG17-70InoxR )
| Pos. | Descrizione | Prezzo IVA escl | Prezzo IVA incl | |
| I prezzi indicati sono comprensivi di IVA | ||||
| Custodia del motore | ||||
| 10 | 31903225000 | 30.62 | 37.36 | |
| CAMPO 230V | ||||
| 20 | 51279004230 | 45.30 | 55.27 | |
| Set Portaspazzole 50Hz230V | ||||
| 95 | 30712096010 | 10.16 | 12.40 | |
| Spazzola di Carbone 220-230V, 50/60Hz | ||||
| 100 | 30711158000 | 7.38 | 9.00 | |
| Regolatore di velocità 50/60H,220-230V | ||||
| 120 | 30762551990 | 89.32 | 108.97 | |
| COPERTURA | ||||
| 130 | 32427157000 | 5.57 | 6.80 | |
| VITE C M4X35 | ||||
| 140 | 43072000000 | 1.04 | 1.27 | |
| Anello deflettore d'aria | ||||
| 150 | 31428179000 | 6.41 | 7.82 | |
| Custodia del ingranaggio | ||||
| 405 | 31206147030 | 61.89 | 75.51 | |
| Bussola d'ago | ||||
| 410 | 41705019001 | 8.21 | 10.02 | |
| Spina di bloccaggio | ||||
| 420 | 30217335005 | 6.61 | 8.06 | |
| Anello di tenuta | ||||
| 430 | 40612137008 | 1.04 | 1.27 | |
| Molla compressione | ||||
| 440 | 30901357005 | 1.67 | 2.04 | |
| Pulsante AGC 18 | ||||
| 450 | 32805200008 | 2.71 | 3.31 | |
| Piastra di supporto KA-UG | ||||
| 460 | 32419154000 | 33.18 | 40.48 | |
| MANICOTTO | ||||
| 470 | 41701010054 | 7.24 | 8.83 | |
| Albero di trasmissione | ||||
| 480 | 33406284009 | 24.88 | 30.35 | |
| STRISCIA | ||||
| 490 | 32416116000 | 2.93 | 3.57 | |
| Set di ingranaggi | ||||
| 505 | 33809247010 | 33.81 | 41.25 | |
| Disco | ||||
| 510 | 32624123020 | 1.46 | 1.78 | |
| VITE C M4X35 | ||||
| 520 | 43064024043 | 1.04 | 1.27 | |
| Sigillo | ||||
| 530 | 40612000003 | 1.04 | 1.27 | |
| Rondella | ||||
| 540 | 32408450000 | 1.04 | 1.27 | |
| Leva KA 65 | ||||
| 550 | 30240332000 | 7.24 | 8.83 | |
| Molla | ||||
| 560 | 30901403000 | 1.04 | 1.27 | |
| VITE C M4X35 | ||||
| 570 | 33024077000 | 1.46 | 1.78 | |
| Anello deflettore d'aria | ||||
| 580 | 31428180000 | 4.10 | 5.00 | |
| STATORE 230V | ||||
| 700 | 53279006230 | 80.39 | 98.08 | |
| MANICOTTO | ||||
| 710 | 41701001260 | 5.77 | 7.04 | |
| Manicotto in gomma | ||||
| 720 | 30507236000 | 2.93 | 3.57 | |
| Anello magnetico | ||||
| 730 | 32172014010 | 7.66 | 9.35 | |
| STRISCIA | ||||
| 740 | 32416117000 | 2.29 | 2.79 | |
| MANICOTTO | ||||
| 750 | 41701207260 | 6.19 | 7.55 | |
| VITE C M4X35 | ||||
| 770 | 43074012000 | 1.04 | 1.27 | |
| Nuovo parafango 125mm | ||||
| 900 | 31810300000 | 17.23 | 21.02 | |
| Flangia del disco di rettifica interna senza trazi | ||||
| 910 | 63801182010 | 12.25 | 14.94 | |
| Sigillo | ||||
| 912 | 40612000007 | 1.04 | 1.27 | |
| Nessuna informazione disponibile, non ordinabile | ||||
| 920 | 63802052000 | |||
| Nessuna informazione disponibile, non ordinabile | ||||
| 940 | 32119124010 | |||
| Interruttore | ||||
| 1010 | 30701304010 | 26.48 | 32.31 | |
| Bullone | ||||
| 1020 | 43041039999 | 1.04 | 1.27 | |
| Passacavo | ||||
| 1030 | 31413282000 | 2.93 | 3.57 | |
| Cavo con spina | ||||
| 1040 | 30707544010 | 12.63 | 15.41 | |
| Pezzo di serraggio del cavo | ||||
| 1050 | 32431043002 | 1.04 | 1.27 | |
| Molla di serraggio | ||||
| 1060 | 31412063000 | 3.48 | 4.25 | |
| CAVO CON SPINA | ||||
| 1080 | 30719886010 | 2.09 | 2.55 | |
| VITE C M4X35 | ||||
| 1110 | 43072000000 | 1.04 | 1.27 | |
| Maniglia TSC 55 | ||||
| 1150 | 31204193010 | 29.03 | 35.42 | |
| Microchip RFID | ||||
| 2500 | 32217517000 | 1.25 | 1.52 | |
| Nessuna informazione disponibile, non ordinabile | ||||
| 5000 | 62910022002 | |||
| Non più disponibile, nessuna sostituzione | ||||
| 6000 | 32160003014 | |||