Qui troverai tutte le parti e i disegni disponibili di “Fein 72303200230 ( BSS1.6CE )”. Da qui puoi ordinare direttamente tutte le parti desiderate. Molte parti devono essere ordinate dal produttore, a seconda della marca, ciò richiede da una a quattro settimane. Tutte le informazioni che abbiamo sono sul nostro sito web, non possiamo consigliarti su ciò di cui hai bisogno, per questo dovrai restituire la macchina per la riparazione. Nota quanto segue al momento dell’ordinazione:
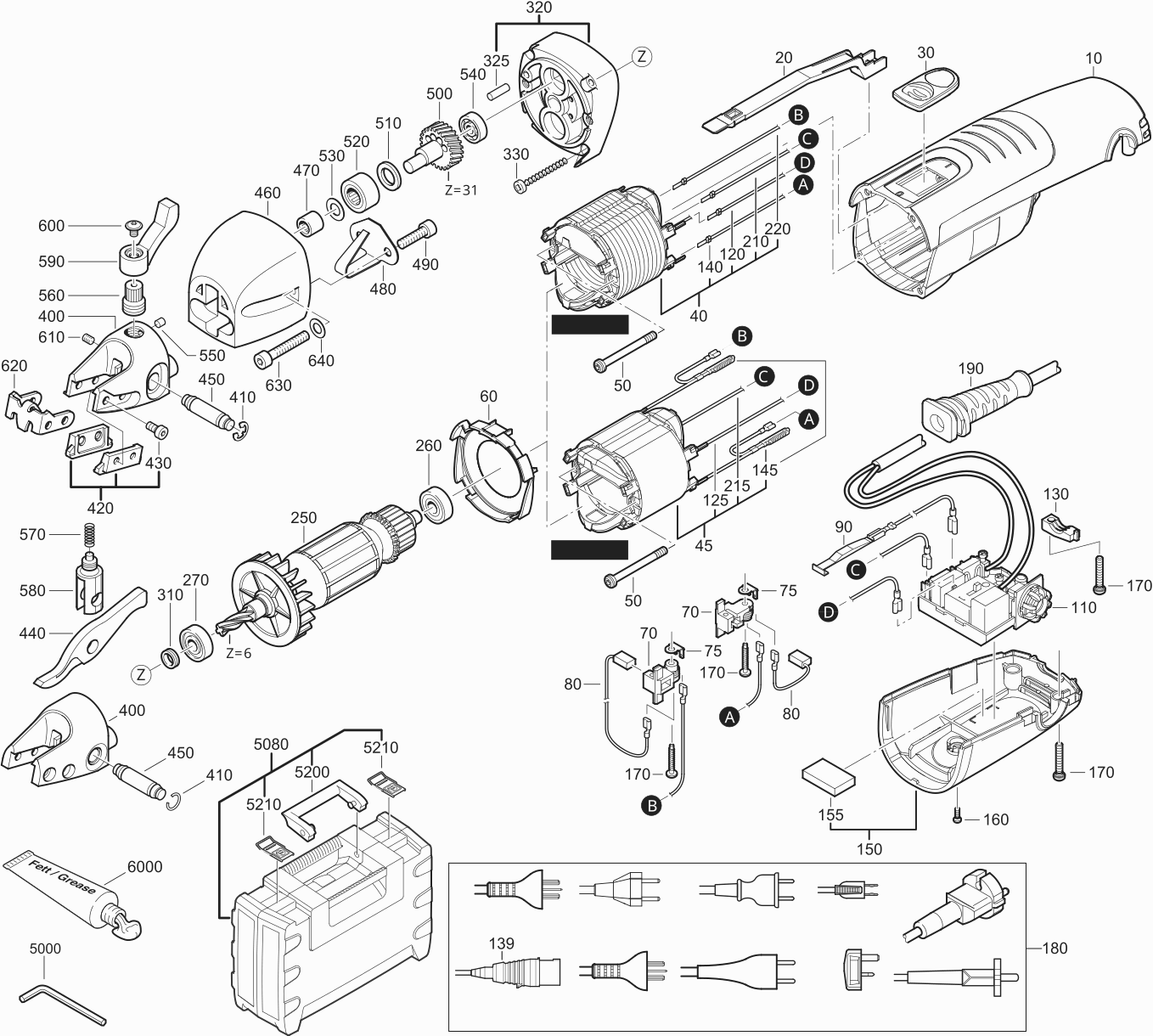
Disegni tecnici di Fein 72303200230 ( BSS1.6CE )
Elenco parti di Fein 72303200230 ( BSS1.6CE )
| Pos. | Descrizione | Prezzo IVA escl | Prezzo IVA incl | |
| I prezzi indicati sono comprensivi di IVA | ||||
| Custodia del motore | ||||
| 10 | 31901172000 | 37.00 | 45.14 | |
| Asta del cambio | ||||
| 20 | 32816066000 | 7.66 | 9.35 | |
| Interruttore OSC 18 | ||||
| 30 | 32805226000 | 2.93 | 3.57 | |
| CAMPO 230V | ||||
| 40 | 51278004230 | 50.40 | 61.49 | |
| CAMPO 230V | ||||
| 45 | 51278004230 | 50.40 | 61.49 | |
| VITE C M4X35 | ||||
| 50 | 43074005000 | 1.04 | 1.27 | |
| Anello deflettore d'aria | ||||
| 60 | 31428161000 | 4.10 | 5.00 | |
| Portaspazzole di Carbone | ||||
| 70 | 30712087015 | 6.19 | 7.55 | |
| Connettore | ||||
| 75 | 30717193000 | 1.04 | 1.27 | |
| SPAZZOLA 12X8 M. MOLLA U-CONTATTO | ||||
| 80 | 30711156000 | 6.19 | 7.55 | |
| Molla di contatto | ||||
| 90 | 32803019010 | 5.15 | 6.28 | |
| Elettronica 100-230V,50/60Hz | ||||
| 110 | 30762412990 | 65.08 | 79.40 | |
| Cavo di giunzione MX 1200/2 E EF | ||||
| 120 | 30719642010 | 1.25 | 1.52 | |
| Cavo di giunzione MX 1200/2 E EF | ||||
| 125 | 30719642010 | 1.25 | 1.52 | |
| Vite di imballaggio ATEX | ||||
| 130 | 32431045000 | 1.04 | 1.27 | |
| Smoorklep | ||||
| 145 | 30764178000 | 9.00 | 10.98 | |
| COPERTURA | ||||
| 150 | 32427127000 | 7.24 | 8.83 | |
| Staffa di arresto | ||||
| 155 | 31415099000 | 1.04 | 1.27 | |
| VITE C M4X35 | ||||
| 160 | 43074003000 | 1.04 | 1.27 | |
| VITE C M4X35 | ||||
| 170 | 43074002000 | 1.04 | 1.27 | |
| CAVO W.CONNECT 230V EU | ||||
| 180 | 30707373014 | 15.95 | 19.46 | |
| Passacavo | ||||
| 190 | 31413251000 | 2.29 | 2.79 | |
| Cavo di giunzione MX 1200/2 E EF | ||||
| 210 | 30719644010 | 1.25 | 1.52 | |
| Cavo di giunzione MX 1200/2 E EF | ||||
| 215 | 30719644010 | 1.25 | 1.52 | |
| STATORE 230V | ||||
| 250 | 53278004230 | 99.53 | 121.43 | |
| CUSCINETTO A SFERE OSC 18 | ||||
| 260 | 41701001032 | 9.05 | 11.04 | |
| MANICOTTO | ||||
| 270 | 41701007266 | 9.05 | 11.04 | |
| Rondella | ||||
| 310 | 32612125000 | 2.29 | 2.79 | |
| Flangia OS 400 EQ | ||||
| 320 | 31506394010 | 75.28 | 91.84 | |
| Perno cilindrico indurito | ||||
| 325 | 40242006007 | 1.04 | 1.27 | |
| Vite 35X30MM | ||||
| 330 | 43074004000 | 1.04 | 1.27 | |
| Testa Utensile Completa BSS1.6C | ||||
| 400 | 31308159006 | 375.14 | 457.67 | |
| Rondella di sicurezza | ||||
| 410 | 42634010006 | 1.04 | 1.27 | |
| Nessuna informazione disponibile, non ordinabile | ||||
| 420 | 31308153020 | |||
| VITE C M4X35 | ||||
| 430 | 43033090040 | 1.04 | 1.27 | |
| Nessuna informazione disponibile, non ordinabile | ||||
| 440 | 31308150009 | |||
| Bullone | ||||
| 450 | 31308156000 | 13.40 | 16.35 | |
| ALLOGGIAMENTO | ||||
| 460 | 31308154003 | 116.12 | 141.67 | |
| Bussola d'ago | ||||
| 470 | 41705006006 | 4.52 | 5.51 | |
| Molla | ||||
| 480 | 31308157004 | 14.36 | 17.52 | |
| Vite a testa cilindrica | ||||
| 490 | 43035019059 | 1.04 | 1.27 | |
| Albero Eccentrico | ||||
| 500 | 31308158011 | 108.46 | 132.32 | |
| Calza di Regolazione | ||||
| 510 | 32408385001 | 1.04 | 1.27 | |
| Rullo di Sostegno | ||||
| 520 | 41724003002 | 55.51 | 67.72 | |
| Scivolo | ||||
| 530 | 32408386004 | 1.04 | 1.27 | |
| CUSCINETTO A SFERE OSC 18 | ||||
| 540 | 41701202018 | 5.77 | 7.04 | |
| GHIERA | ||||
| 550 | 31308160008 | 2.71 | 3.31 | |
| VITE C M4X35 | ||||
| 560 | 31308161007 | 29.67 | 36.20 | |
| Molla compressione | ||||
| 570 | 30901350000 | 1.04 | 1.27 | |
| Leva KA 65 | ||||
| 580 | 31308162000 | 45.94 | 56.05 | |
| Leva KA 65 | ||||
| 590 | 31308163004 | 20.74 | 25.30 | |
| VITE C M4X35 | ||||
| 600 | 31308164002 | 1.04 | 1.27 | |
| Vite a testa cieca DIN 915-M6x8-45H | ||||
| 610 | 43045028046 | 1.04 | 1.27 | |
| Deflettore di Trucioli | ||||
| 620 | 31308165006 | 52.32 | 63.83 | |
| VITE C M4X35 | ||||
| 630 | 43035016053 | 1.04 | 1.27 | |
| Rondella elastica | ||||
| 640 | 42445002053 | 1.67 | 2.04 | |
| Microchip RFID | ||||
| 2500 | 32217517000 | 1.25 | 1.52 | |
| Nessuna informazione disponibile, non ordinabile | ||||
| 5000 | 62907015008 | |||
| Nessuna informazione disponibile, non ordinabile | ||||
| 5080 | 33901118010 | |||
| Maniglia | ||||
| 5200 | 32119122000 | 7.66 | 9.35 | |
| Morsetto in filo metallico per valigetta | ||||
| 5210 | 30232050000 | 8.63 | 10.53 | |
| Non più disponibile, nessuna sostituzione | ||||
| 6000 | 32160003083 | |||
| Veiligheidsvoorschrift | ||||
| 9020 | 34130054061 | 1.86 | 2.27 | |