Qui troverai tutte le parti e i disegni disponibili di “Fein 71050427940 ( AWBP10_ )”. Da qui puoi ordinare direttamente tutte le parti desiderate. Molte parti devono essere ordinate dal produttore, a seconda della marca, ciò richiede da una a quattro settimane. Tutte le informazioni che abbiamo sono sul nostro sito web, non possiamo consigliarti su ciò di cui hai bisogno, per questo dovrai restituire la macchina per la riparazione. Nota quanto segue al momento dell’ordinazione:
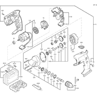
Disegni tecnici di Fein 71050427940 ( AWBP10_ )
Elenco parti di Fein 71050427940 ( AWBP10_ )
| Pos. | Descrizione | Prezzo IVA escl | Prezzo IVA incl | |
| I prezzi indicati sono comprensivi di IVA | ||||
| Custodia del motore | ||||
| 10 | 31912104020 | 39.56 | 48.26 | |
| CHIOCCIOLA | ||||
| 20 | 40242051000 | 1.04 | 1.27 | |
| Manopola di regolazione | ||||
| 30 | 32816063000 | 3.34 | 4.07 | |
| Molla a spirale AGC 18 | ||||
| 40 | 30901387000 | 1.04 | 1.27 | |
| Interruttore | ||||
| 50 | 30701318990 | 46.57 | 56.82 | |
| Rondella | ||||
| 70 | 31428172000 | 6.41 | 7.82 | |
| CUSCINETTO A SFERE OSC 18 | ||||
| 90 | 41701027250 | 7.10 | 8.66 | |
| Ruota del ventilatore | ||||
| 110 | 31004051000 | 7.38 | 9.00 | |
| MOTORE | ||||
| 115 | 54113010800 | 204.16 | 249.08 | |
| Spina 18V | ||||
| 120 | 30703054000 | 5.36 | 6.54 | |
| Custodia del ingranaggio | ||||
| 350 | 31508297010 | 60.61 | 73.94 | |
| Custodia del ingranaggio | ||||
| 355 | 31508297020 | 341.97 | 417.20 | |
| Cuscinetto intermedio | ||||
| 370 | 31506401010 | 52.32 | 63.83 | |
| Albero del trapano | ||||
| 390 | 33401085000 | 49.13 | 59.94 | |
| Chiavetta a luna G12s2/g13sd | ||||
| 400 | 40221003006 | 1.25 | 1.52 | |
| Set di ingranaggi | ||||
| 405 | 33809072017 | 127.60 | 155.67 | |
| CUSCINETTO A SFERE OSC 18 | ||||
| 430 | 41701207033 | 8.50 | 10.37 | |
| Disco | ||||
| 440 | 42446015000 | 1.04 | 1.27 | |
| Disco | ||||
| 441 | 32408346008 | 4.10 | 5.00 | |
| Anello di bloccaggio | ||||
| 450 | 42635003004 | 1.04 | 1.27 | |
| Albero di trasmissione | ||||
| 470 | 33406078004 | 27.43 | 33.46 | |
| CUSCINETTO A SFERE OSC 18 | ||||
| 480 | 41701004015 | 6.19 | 7.55 | |
| Disco | ||||
| 490 | 32408152006 | 1.46 | 1.78 | |
| Ruota dentata | ||||
| 500 | 33657012006 | 21.05 | 25.68 | |
| Ruota dentata | ||||
| 530 | 33757008007 | 34.45 | 42.03 | |
| Ruota dentata | ||||
| 540 | 33657009002 | 28.39 | 34.64 | |
| CUSCINETTO A SFERE OSC 18 | ||||
| 550 | 41701202018 | 5.77 | 7.04 | |
| Guarnizione LEX 3 | ||||
| 560 | 30610050000 | 2.51 | 3.06 | |
| Nessuna informazione disponibile, non ordinabile | ||||
| 630 | 63202044018 | |||
| Nessuna informazione disponibile, non ordinabile | ||||
| 640 | 62914002005 | |||
| COPERTURA | ||||
| 850 | 30240284000 | 3.13 | 3.82 | |
| VITE C M4X35 | ||||
| 950 | 43074010000 | 1.04 | 1.27 | |
| VITE C M4X35 | ||||
| 960 | 43072010009 | 1.04 | 1.27 | |
| Microchip RFID | ||||
| 2500 | 32217517000 | 1.25 | 1.52 | |
| Nessuna informazione disponibile, non ordinabile | ||||
| 5010 | 33901131940 | |||
| Maniglia | ||||
| 5200 | 32119122000 | 7.66 | 9.35 | |
| Morsetto in filo metallico per valigetta | ||||
| 5210 | 30232050000 | 8.63 | 10.53 | |
| Inserto in EPP | ||||
| 5300 | 33904485000 | 29.03 | 35.42 | |
| Non più disponibile, nessuna sostituzione | ||||
| 6000 | 32160003014 | |||