Qui troverai tutte le parti e i disegni disponibili di “Bosch 0601300003 ( USW(J)77 )”. Da qui puoi ordinare direttamente tutte le parti desiderate. Molte parti devono essere ordinate dal produttore, a seconda della marca, ciò richiede da una a quattro settimane. Tutte le informazioni che abbiamo sono sul nostro sito web, non possiamo consigliarti su ciò di cui hai bisogno, per questo dovrai restituire la macchina per la riparazione. Nota quanto segue al momento dell’ordinazione:
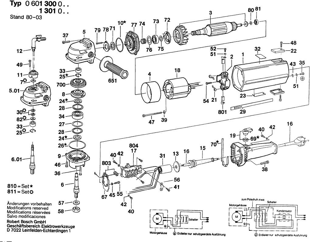
Disegni tecnici di Bosch 0601300003 ( USW(J)77 )
Elenco parti di Bosch 0601300003 ( USW(J)77 )
| Pos. | Descrizione | Prezzo IVA escl | Prezzo IVA incl | |
| I prezzi indicati sono comprensivi di IVA | ||||
| Non più disponibile, nessuna sostituzione | ||||
| 1 | 1605108042 | |||
| PORTA-SPAZZOLA | ||||
| 2 | 1604336006 | 15.71 | 19.17 | |
| Non più disponibile, nessuna sostituzione | ||||
| 3 | 1604010036 | |||
| Anello deflettore d'aria | ||||
| 4 | 1600209002 | 4.58 | 5.59 | |
| Carter del ingranaggio | ||||
| 5 | 3605806104 | 130.32 | 158.99 | |
| Mandrino di rettifica | ||||
| 6 | 1603523032 | 37.50 | 45.75 | |
| Nessuna informazione disponibile, non ordinabile | ||||
| 6/01 | 1603523091 | |||
| Rondella a tazza | ||||
| 7 | 1600109002 | 1.18 | 1.44 | |
| Rondella elastica | ||||
| 8 | 1600521013 | 7.58 | 9.25 | |
| Coperchio del cuscinetto RTS 400 REQ | ||||
| 9 | 3607030375 | 210.30 | 256.57 | |
| Anello O | ||||
| 10 | 1900210146 | 3.71 | 4.53 | |
| Flangia di collegamento | ||||
| 11 | 1600328012 | 0.83 | 1.01 | |
| Rubinetto di chiusura | ||||
| 12 | 1607415002 | 44.82 | 54.68 | |
| Disco di tenuta | ||||
| 13 | 1600113002 | 1.32 | 1.61 | |
| Maniglia TSC 55 | ||||
| 14 | 3605132048 | 67.98 | 82.94 | |
| OCCHIELLO | ||||
| 15 | 3600703011 | 2.52 | 3.07 | |
| Cavo di alimentazione | ||||
| 16 | 1607000228 | 22.88 | 27.91 | |
| Non più disponibile, nessuna sostituzione | ||||
| 17 | 1607000034 | |||
| Non più disponibile, nessuna sostituzione | ||||
| 18 | 1604220031 | |||
| Leva di Controllo | ||||
| 19 | 1602026030 | 8.48 | 10.35 | |
| Molla a spirale AGC 18 | ||||
| 21 | 1604652015 | 2.52 | 3.07 | |
| Cappuccio di sigillatura BLU | ||||
| 22 | 3605500057 | 0.83 | 1.01 | |
| Targhetta | ||||
| 23 | 160111A3H3 | 2.18 | 2.66 | |
| Disco di tenuta | ||||
| 24 | 1600108048 | 1.32 | 1.61 | |
| Anello di ritenzione | ||||
| 25 | 2916620011 | 1.32 | 1.61 | |
| Anello O | ||||
| 26 | 1600210005 | 2.52 | 3.07 | |
| Rondella di compensazione 0,1 MM DI SPESSORE | ||||
| 27 | 1600102639 | 1.70 | 2.07 | |
| Rondella di compensazione 0,15 MM DI SPESSORE | ||||
| 27 | 1600102640 | 1.70 | 2.07 | |
| Rondella di compensazione | ||||
| 27 | 1600102638 | 1.18 | 1.44 | |
| Anello di bloccaggio | ||||
| 28 | 2916660021 | 3.71 | 4.53 | |
| Targhetta del produttore GBH 2000 | ||||
| 29 | 1601110003 | 1.18 | 1.44 | |
| Non più disponibile, nessuna sostituzione | ||||
| 31 | 1607329005 | |||
| Targhetta del produttore GBH 2000 | ||||
| 32 | 1601110003 | 1.18 | 1.44 | |
| Manicotto ad ago AGC 18 | ||||
| 33 | 2600910001 | 3.71 | 4.53 | |
| CUSCINETTO A SFERE OSC 18 | ||||
| 34 | 1900900352 | 26.62 | 32.48 | |
| Vite a testa cilindrica | ||||
| 35 | 2910110116 | 1.00 | 1.22 | |
| Vite a testa cilindrica DIN 84-AM5x25-5.8 | ||||
| 36 | 2910011164 | 0.83 | 1.01 | |
| Vite a testa cilindrica AM 5x18 DIN 84-5.8 | ||||
| 37 | 2910011160 | 0.83 | 1.01 | |
| Vite a testa cilindrica DIN 84-AM5x28-8.8 | ||||
| 38 | 2910021165 | 0.83 | 1.01 | |
| Rondella elastica | ||||
| 39 | 2916690004 | 1.32 | 1.61 | |
| Vite a testa cilindrica | ||||
| 40 | 2910021050 | 1.00 | 1.22 | |
| Vite a testa cilindrica DIN 84-AM4x12-5.8 | ||||
| 41 | 2910011122 | 0.83 | 1.01 | |
| Rondella elastica A 3 DIN 137-ST | ||||
| 42 | 2916060003 | 0.83 | 1.01 | |
| Rondella piana A 4,3 DIN 125-ST | ||||
| 43 | 2916010410 | 0.83 | 1.01 | |
| Rondella piana | ||||
| 45 | 2916011006 | 1.32 | 1.61 | |
| Non più disponibile, nessuna sostituzione | ||||
| 46 | 2910011157 | |||
| Vite a testa cilindrica | ||||
| 47 | 1603410008 | 0.83 | 1.01 | |
| Vite a testa cilindrica | ||||
| 48 | 2910021125 | 1.00 | 1.22 | |
| Vite a testa cilindrica | ||||
| 49 | 2910021130 | 1.00 | 1.22 | |
| Rondella elastica DIN 137-A4 | ||||
| 51 | 1600150006 | 5.33 | 6.50 | |
| Vite a testa cilindrica | ||||
| 52 | 2910011120 | 1.00 | 1.22 | |
| Vite della piastra | ||||
| 54 | 2910211019 | 1.00 | 1.22 | |
| Vite per Lamiera DIN 7971-BZ2,9x6,5 | ||||
| 55 | 2910211004 | 1.18 | 1.44 | |
| Morsetto di fissaggio | ||||
| 56 | 1601302013 | 1.32 | 1.61 | |
| Anello O | ||||
| 57 | 1000202026 | 0.83 | 1.01 | |
| Dado esagonale DIN 934-M 14-6G | ||||
| 58 | 2915011012 | 3.31 | 4.04 | |
| Rondella in feltro D 20/14 2mm | ||||
| 69 | 1600205008 | 1.32 | 1.61 | |
| Cordone di Sigillatura | ||||
| 70 | 1601014000 | 2.52 | 3.07 | |
| Disco di feltro | ||||
| 71 | 1600108018 | 2.18 | 2.66 | |
| Coperchio del cuscinetto RTS 400 REQ | ||||
| 72 | 1600501019 | 22.88 | 27.91 | |
| Nessuna informazione disponibile, non ordinabile | ||||
| 73 | 1600900020 | |||
| Anello Filettato | ||||
| 74 | 1603344030 | 61.93 | 75.55 | |
| Rondella di compensazione | ||||
| 75 | 1600101641 | 3.04 | 3.71 | |
| Rondella di compensazione | ||||
| 76 | 1600101650 | 2.18 | 2.66 | |
| Rondella di compensazione | ||||
| 76 | 1600101648 | 1.32 | 1.61 | |
| Coperchio del cuscinetto RTS 400 REQ | ||||
| 77 | 3605820064 | 75.38 | 91.96 | |
| Disco di copertura | ||||
| 78 | 1600501024 | 13.90 | 16.96 | |
| Vite a testa svasata DIN 63-AM4x20-8.8 | ||||
| 79 | 2910511130 | 0.83 | 1.01 | |
| Rondella di compensazione 0,10 MM DI SPICCIOLO | ||||
| 80 | 1420100023 | 1.18 | 1.44 | |
| CUSCINETTO A SFERE OSC 18 | ||||
| 81 | 1900905018 | 15.61 | 19.04 | |
| Nessuna informazione disponibile, non ordinabile | ||||
| 651 | 1602025030 | |||
| Ingranaggio Conico | ||||
| 700 | 1606333082 | 126.98 | 154.92 | |
| Non più disponibile, nessuna sostituzione | ||||
| 801 | 1607014102 | |||
| Piastra di tenuta | ||||
| 803 | 1602388007 | 10.68 | 13.03 | |
| Nessuna informazione disponibile, non ordinabile | ||||
| 810 | 1607000058 | |||
| Nessuna informazione disponibile, non ordinabile | ||||
| 811 | 1607000044 | |||