Qui troverai tutte le parti e i disegni disponibili di “Bosch 0611210503 ( UBH2/20RLE )”. Da qui puoi ordinare direttamente tutte le parti desiderate. Molte parti devono essere ordinate dal produttore, a seconda della marca, ciò richiede da una a quattro settimane. Tutte le informazioni che abbiamo sono sul nostro sito web, non possiamo consigliarti su ciò di cui hai bisogno, per questo dovrai restituire la macchina per la riparazione. Nota quanto segue al momento dell’ordinazione:
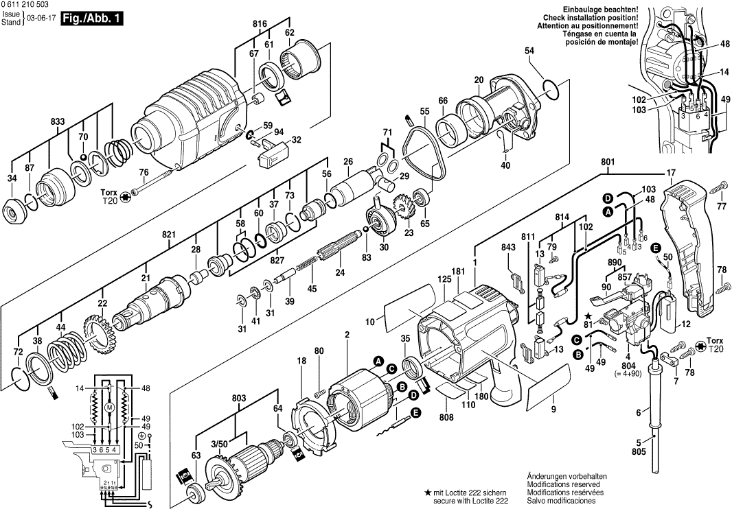
Disegni tecnici di Bosch 0611210503 ( UBH2/20RLE )
Elenco parti di Bosch 0611210503 ( UBH2/20RLE )
| Pos. | Descrizione | Prezzo IVA escl | Prezzo IVA incl | |
| I prezzi indicati sono comprensivi di IVA | ||||
| Campo 230V | ||||
| 2 | 2604220429 | 22.88 | 27.91 | |
| Ventola Sunon PMD2412PMB1-A | ||||
| 3/50 | 1616610072 | 1.90 | 2.32 | |
| Non più disponibile, nessuna sostituzione | ||||
| 4 | 2607200209 | |||
| OCCHIELLO | ||||
| 6 | 2600703011 | 2.52 | 3.07 | |
| Morsetto del cavo | ||||
| 7 | 1611035005 | 1.90 | 2.32 | |
| Targhetta del produttore GBH 2000 | ||||
| 9 | 1611110416 | 2.24 | 2.73 | |
| Piastra di Riferimento | ||||
| 10 | 1611110417 | 1.70 | 2.07 | |
| Filtro di interferenza TURBO II R1 ET-BG | ||||
| 12 | 2607329096 | 6.53 | 7.97 | |
| Non più disponibile, nessuna sostituzione | ||||
| 17 | 1615132031 | |||
| Anello deflettore d'aria | ||||
| 18 | 1610522008 | 1.00 | 1.22 | |
| Flangia Intermedia | ||||
| 20 | 1615700037 | 41.30 | 50.39 | |
| Manica a cricchetto | ||||
| 21 | 1616490058 | 234.56 | 286.16 | |
| Ingranaggio Cilindrico | ||||
| 22 | 1616320007 | 6.53 | 7.97 | |
| Non più disponibile, nessuna sostituzione | ||||
| 23 | 1616320006 | |||
| Albero Dentato | ||||
| 24 | 1613060010 | 55.56 | 67.78 | |
| Pistone del martello | ||||
| 26 | 1618700052 | 11.02 | 13.44 | |
| Perno di percussione | ||||
| 28 | 1613124026 | 2.52 | 3.07 | |
| Spinotto del pistone | ||||
| 29 | 1613105012 | 3.04 | 3.71 | |
| Cuscinetto di Trasmissione Su Disegno Pos.830 | ||||
| 30 | 1615819005 | 30.08 | 36.70 | |
| Disco di supporto | ||||
| 31 | 1610100003 | 1.32 | 1.61 | |
| Maniglia a Morsetto | ||||
| 32 | 1612026023 | 2.18 | 2.66 | |
| Tappo protettivo | ||||
| 34 | 1610508008 | 1.90 | 2.32 | |
| Anello di gomma 10 MM DI LARGHEZZA | ||||
| 35 | 1610206021 | 1.32 | 1.61 | |
| Boccola di smorzamento | ||||
| 37 | 1610390011 | 3.04 | 3.71 | |
| Disco di supporto | ||||
| 38 | 1610102022 | 1.90 | 2.32 | |
| Spina Cilindrica | ||||
| 39 | 1613100013 | 1.90 | 2.32 | |
| MOLLA DI RITENZIONE OSC 18 | ||||
| 40 | 1614690001 | 1.00 | 1.22 | |
| Assemblaggio Gabbia-Rulli | ||||
| 41 | 1610920003 | 3.71 | 4.53 | |
| Molla compressione | ||||
| 44 | 1614633001 | 1.90 | 2.32 | |
| Molla compressione | ||||
| 45 | 1614614001 | 1.00 | 1.22 | |
| Cavo di connessione L=90 MM BIANCO | ||||
| 48 | 1614431023 | 1.70 | 2.07 | |
| Cavo Elettrico | ||||
| 49 | 2604448005 | 1.32 | 1.61 | |
| Cavo Elettrico | ||||
| 50 | 2604448003 | 1.70 | 2.07 | |
| Anello O | ||||
| 54 | 1610210068 | 1.32 | 1.61 | |
| Anello di tenuta | ||||
| 55 | 1610206023 | 2.52 | 3.07 | |
| Anello O | ||||
| 56 | 1610210070 | 2.18 | 2.66 | |
| Anello O | ||||
| 58 | 1610210058 | 2.18 | 2.66 | |
| Anello O | ||||
| 59 | 1610210069 | 1.00 | 1.22 | |
| Anello O | ||||
| 60 | 1610210073 | 1.90 | 2.32 | |
| Guarnizione labiale dell'albero rotante | ||||
| 61 | 1610283017 | 6.53 | 7.97 | |
| CUSCINETTO A MANICOTTO | ||||
| 62 | 1610202026 | 4.58 | 5.59 | |
| CUSCINETTO A SFERE OSC 18 | ||||
| 63 | 1610905048 | 7.32 | 8.93 | |
| CUSCINETTO A SFERE OSC 18 | ||||
| 64 | 2600905032 | 4.58 | 5.59 | |
| Non più disponibile, nessuna sostituzione | ||||
| 65 | 1900900228 | |||
| Manicotto ad ago AGC 18 | ||||
| 66 | 1610910063 | 5.27 | 6.43 | |
| Non più disponibile, nessuna sostituzione | ||||
| 67 | 1610910064 | |||
| Assemblaggio Gabbia-Rulli | ||||
| 68 | 1610920004 | 1.90 | 2.32 | |
| Non più disponibile, nessuna sostituzione | ||||
| 69 | 1610102618 | |||
| Palla | ||||
| 70 | 1903230013 | 1.90 | 2.32 | |
| Rondella di regolazione 0,4 MM DI SPESSORE | ||||
| 71 | 1610101011 | 1.32 | 1.61 | |
| Anello di ritenzione | ||||
| 72 | 2916540018 | 3.04 | 3.71 | |
| Anello di ritenzione | ||||
| 73 | 1614601009 | 1.00 | 1.22 | |
| Vite della piastra | ||||
| 76 | 1613435009 | 1.32 | 1.61 | |
| Vite della piastra | ||||
| 77 | 2910211021 | 1.32 | 1.61 | |
| Vite della piastra | ||||
| 78 | 1603435050 | 1.32 | 1.61 | |
| Vite della piastra | ||||
| 79 | 2910211005 | 1.00 | 1.22 | |
| Bullone della Frizione | ||||
| 80 | 2603435015 | 1.90 | 2.32 | |
| Vite a testa cilindrica | ||||
| 81 | 2603410001 | 1.32 | 1.61 | |
| Palla | ||||
| 83 | 1903230309 | 1.32 | 1.61 | |
| Anello di ritenzione | ||||
| 87 | 160460102S | 1.00 | 1.22 | |
| Interruttore | ||||
| 90 | 1617200042 | 13.90 | 16.96 | |
| Perno di blocco HKC 55 | ||||
| 94 | 1613120017 | 1.32 | 1.61 | |
| Filtro di interferenza TURBO II R1 ET-BG | ||||
| 102 | 2604465097 | 5.27 | 6.43 | |
| Cavo di connessione | ||||
| 103 | 1614448017 | 1.90 | 2.32 | |
| Maniglia ausiliaria M10 | ||||
| 120 | 1612025019 | 5.96 | 7.27 | |
| Morsetto di Supporto | ||||
| 121 | 1618040048 | 7.32 | 8.93 | |
| Vite a testa martello M8x40 MM | ||||
| 122 | 1613490002 | 3.71 | 4.53 | |
| ANELLO DI FISSAGGIO D38X1,75 | ||||
| 123 | 1611316006 | 2.18 | 2.66 | |
| ANELLO DI FISSAGGIO D38X1,75 | ||||
| 123/1 | 1611316003 | 2.18 | 2.66 | |
| Spina Cilindrica | ||||
| 124 | 1613100012 | 2.18 | 2.66 | |
| Targa del produttore ISTRUZIONI DI LAVORO | ||||
| 125 | 1611110345 | 2.24 | 2.73 | |
| Non più disponibile, nessuna sostituzione | ||||
| 691 | 1615438366 | |||
| Nessuna informazione disponibile, non ordinabile | ||||
| 700 | 1617000132 | |||
| Vite a testa svasata VN-HK 85 M5x10 | ||||
| 700/20 | 2603421226 | 1.32 | 1.61 | |
| Nessuna informazione disponibile, non ordinabile | ||||
| 701 | 1608571062 | |||
| Nessuna informazione disponibile, non ordinabile | ||||
| 701/7 | 1607950044 | |||
| Non più disponibile, nessuna sostituzione | ||||
| 711 | 1617000133 | |||
| Anello di ritenzione | ||||
| 711/10/2 | 2604601004 | 1.32 | 1.61 | |
| Non più disponibile, nessuna sostituzione | ||||
| 711/20 | 1608521004 | |||
| Non più disponibile, nessuna sostituzione | ||||
| 711/30 | 2607000248 | |||
| Non più disponibile, nessuna sostituzione | ||||
| 711/40 | 1608511020 | |||
| Maniglia ausiliaria M10 | ||||
| 720 | 2602025070 | 12.21 | 14.90 | |
| Set di pezzi | ||||
| 720/8 | 1617000925 | 13.90 | 16.96 | |
| Non più disponibile, nessuna sostituzione | ||||
| 751 | 1613001010 | |||
| Non più disponibile, nessuna sostituzione | ||||
| 801 | 1615108045 | |||
| Non più disponibile, nessuna sostituzione | ||||
| 803 | 1614010039 | |||
| Non più disponibile, nessuna sostituzione | ||||
| 804 | 1617000915 | |||
| Cavo di alimentazione | ||||
| 805 | 1607000227 | 22.88 | 27.91 | |
| Targhetta | ||||
| 808 | 160111A3H5 | 2.18 | 2.66 | |
| SPAZZOLA 12X8 M. MOLLA U-CONTATTO | ||||
| 811 | 1617014114 | 8.48 | 10.35 | |
| Set di pezzi | ||||
| 814 | 1617000136 | 15.61 | 19.04 | |
| Carter del ingranaggio | ||||
| 816 | 1615806077 | 45.52 | 55.53 | |
| Non più disponibile, nessuna sostituzione | ||||
| 817 | 1615132031 | |||
| Manica a cricchetto | ||||
| 821 | 1617000931 | 304.15 | 371.06 | |
| Percussore | ||||
| 827 | 1617000338 | 26.62 | 32.48 | |
| Manicotto di Protezione | ||||
| 833 | 1617000163 | 6.53 | 7.97 | |
| Non più disponibile, nessuna sostituzione | ||||
| 843 | 2601015047 | |||
| Anello O | ||||
| 857 | 1610210084 | 1.32 | 1.61 | |
| Manicotto ad ago AGC 18 | ||||
| 866 | 1610910063 | 5.27 | 6.43 | |
| Set Modifiche 110-240V | ||||
| 890 | 1617000134 | 91.56 | 111.70 | |