Qui troverai tutte le parti e i disegni disponibili di “Bosch 0603241003 ( SB350-2 )”. Da qui puoi ordinare direttamente tutte le parti desiderate. Molte parti devono essere ordinate dal produttore, a seconda della marca, ciò richiede da una a quattro settimane. Tutte le informazioni che abbiamo sono sul nostro sito web, non possiamo consigliarti su ciò di cui hai bisogno, per questo dovrai restituire la macchina per la riparazione. Nota quanto segue al momento dell’ordinazione:
Disegni tecnici di Bosch 0603241003 ( SB350-2 )
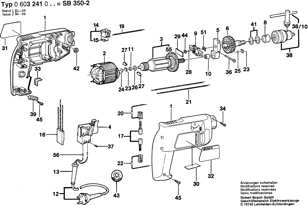
Elenco parti di Bosch 0603241003 ( SB350-2 )
| Pos. | Descrizione | Prezzo IVA escl | Prezzo IVA incl | |
| I prezzi indicati sono comprensivi di IVA | ||||
| Non più disponibile, nessuna sostituzione | ||||
| 1 | 2605104153 | |||
| Non più disponibile, nessuna sostituzione | ||||
| 2 | 2604220423 | |||
| Armatura 220-240V | ||||
| 3 | 2604010547 | 29.75 | 36.30 | |
| Interruttore | ||||
| 4 | 2607200084 | 8.48 | 10.35 | |
| Ponte di cuscinetto | ||||
| 5 | 2605807901 | 12.41 | 15.14 | |
| Non più disponibile, nessuna sostituzione | ||||
| 6 | 2606135903 | |||
| Boccola in Metallo Sinterizzato | ||||
| 8 | 2600301021 | 0.83 | 1.01 | |
| Scivolo di regolazione | ||||
| 9 | 2601020006 | 1.70 | 2.07 | |
| Manicotto ad ago AGC 18 | ||||
| 10 | 1610910057 | 2.52 | 3.07 | |
| Non più disponibile, nessuna sostituzione | ||||
| 11 | 1900301004 | |||
| OCCHIELLO | ||||
| 13 | 2600707059 | 3.04 | 3.71 | |
| OCCHIELLO | ||||
| 13 | 2600707061 | 2.52 | 3.07 | |
| Non più disponibile, nessuna sostituzione | ||||
| 14 | 2607200904 | |||
| Non più disponibile, nessuna sostituzione | ||||
| 15 | 2607320008 | |||
| Non più disponibile, nessuna sostituzione | ||||
| 16 | 2607329095 | |||
| Cavo Elettrico | ||||
| 19 | 2604448002 | 0.83 | 1.01 | |
| Non più disponibile, nessuna sostituzione | ||||
| 20 | 2604465017 | |||
| Cavo di collegamento L=154 MM BIANCO | ||||
| 21 | 2604448000 | 1.18 | 1.44 | |
| Scatola di soppressione | ||||
| 22 | 2604465030 | 4.10 | 5.00 | |
| Non più disponibile, nessuna sostituzione | ||||
| 23 | 1601000013 | |||
| Non più disponibile, nessuna sostituzione | ||||
| 24 | 2601000018 | |||
| Palla | ||||
| 25 | 1903230009 | 1.00 | 1.22 | |
| Non più disponibile, nessuna sostituzione | ||||
| 26 | 1610210014 | |||
| Feltro Lubrificante | ||||
| 27 | 2601020005 | 1.18 | 1.44 | |
| Palla | ||||
| 28 | 1903230011 | 2.18 | 2.66 | |
| Piastra Intermedia | ||||
| 29 | 2601000032 | 1.18 | 1.44 | |
| Piastra di Riferimento LATO SOLE | ||||
| 31 | 2601110112 | 0.83 | 1.01 | |
| Piastra di Riferimento LATO SOLE | ||||
| 31 | 2601110135 | 0.83 | 1.01 | |
| Piastra di Riferimento LATO SOLE | ||||
| 32 | 2601110136 | 0.83 | 1.01 | |
| Piastra di Riferimento LATO SOLE | ||||
| 32 | 2601110113 | 0.83 | 1.01 | |
| Non più disponibile, nessuna sostituzione | ||||
| 33 | 2601022000 | |||
| Vite a testa ovale Torx 4x30 | ||||
| 34 | 2603490018 | 1.00 | 1.22 | |
| Vite per lamiera DIN 7981-ST3,9x16-C-H | ||||
| 35 | 2910611019 | 2.52 | 3.07 | |
| Vite di grasso AW 10 3x25 | ||||
| 36 | 2603490026 | 1.00 | 1.22 | |
| Vite a testa cilindrica | ||||
| 37 | 2603410001 | 1.32 | 1.61 | |
| Non più disponibile, nessuna sostituzione | ||||
| 38 | 1608571047 | |||
| Chiave del mandrino | ||||
| 38/10 | 2607950007 | 5.96 | 7.27 | |
| Morsetto del cavo | ||||
| 39 | 2601035001 | 1.32 | 1.61 | |
| Piatto Di Pressione 0,5 MM | ||||
| 40 | 2601000019 | 1.18 | 1.44 | |
| Rondella di compensazione Ø14,5x21,5x0,5 MM | ||||
| 41 | 2000101600 | 1.18 | 1.44 | |
| Rondella di compensazione 0,3 MM | ||||
| 41 | 2600101604 | 1.18 | 1.44 | |
| Dado esagonale | ||||
| 42 | 2915011007 | 1.00 | 1.22 | |
| Non più disponibile, nessuna sostituzione | ||||
| 43 | 2601110041 | |||
| Piastra di pressione 1,5 MM | ||||
| 44 | 2601074001 | 1.18 | 1.44 | |
| Vite per lamiera DIN 7981-ST3,9x16-C-H | ||||
| 45 | 2910611019 | 2.52 | 3.07 | |
| Vite della piastra | ||||
| 45 | 2912401020 | 1.90 | 2.32 | |
| PORTA-SPAZZOLA | ||||
| 49 | 2604330016 | 1.18 | 1.44 | |
| Cavo Elettrico | ||||
| 50 | 2604448003 | 1.70 | 2.07 | |
| Molla a disco | ||||
| 51 | 2601290014 | 1.00 | 1.22 | |
| Palla | ||||
| 52 | 1903230002 | 1.90 | 2.32 | |
| Ventola Sunon PMD2412PMB1-A | ||||
| 55 | 2606610047 | 0.83 | 1.01 | |
| Ghiandaia finale | ||||
| 56 | 1900452012 | 1.32 | 1.61 | |
| Dado esagonale | ||||
| 653 | 2915011007 | 1.00 | 1.22 | |
| KIT DI SERVIZIO 115V | ||||
| 817 | 2604321904 | 8.48 | 10.35 | |
| Cavo di alimentazione | ||||
| 835 | 1607000386 | 17.60 | 21.47 | |
| Targhetta | ||||
| 888 | 160111A3H3 | 2.18 | 2.66 | |