Qui troverai tutte le parti e i disegni disponibili di “Bosch 3600H81701 ( ROTAK37LI )”. Da qui puoi ordinare direttamente tutte le parti desiderate. Molte parti devono essere ordinate dal produttore, a seconda della marca, ciò richiede da una a quattro settimane. Tutte le informazioni che abbiamo sono sul nostro sito web, non possiamo consigliarti su ciò di cui hai bisogno, per questo dovrai restituire la macchina per la riparazione. Nota quanto segue al momento dell’ordinazione:
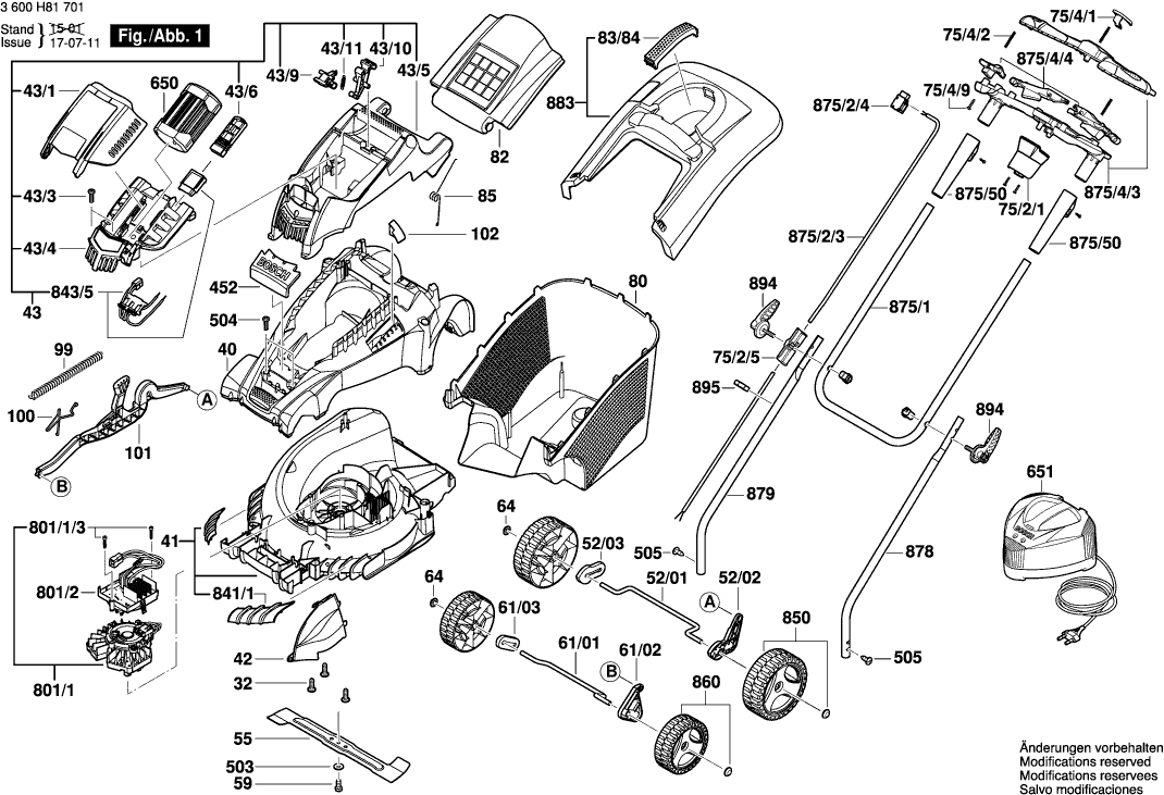
Disegni tecnici di Bosch 3600H81701 ( ROTAK37LI )
Elenco parti di Bosch 3600H81701 ( ROTAK37LI )
| Pos. | Descrizione | Prezzo IVA escl | Prezzo IVA incl | |
| I prezzi indicati sono comprensivi di IVA | ||||
| VITE C M4X35 | ||||
| 32 | F016L66162 | 1.00 | 1.22 | |
| Deck del tosaerba | ||||
| 40 | F016L66158 | 33.33 | 40.66 | |
| Cassetta del rivestimento DUO 110 - Set | ||||
| 41 | F016L66003 | 37.50 | 45.75 | |
| Pannello di copertura | ||||
| 42 | F016L66039 | 2.18 | 2.66 | |
| Cappuccio del motore | ||||
| 43 | F016L67439 | 91.33 | 111.42 | |
| Coperchio della batteria | ||||
| 43/1 | F016L67438 | 9.47 | 11.55 | |
| Blocco KS 60 E | ||||
| 43/10 | F016L65988 | 1.00 | 1.22 | |
| Non più disponibile, nessuna sostituzione | ||||
| 43/11 | F016L66108 | |||
| Nessuna informazione disponibile, non ordinabile | ||||
| 43/3 | F016T49429 | |||
| Vassoio della batteria | ||||
| 43/4 | F016L65952 | 33.33 | 40.66 | |
| Cappuccio del motore | ||||
| 43/5 | F016L66779 | 15.71 | 19.17 | |
| Non più disponibile, nessuna sostituzione | ||||
| 43/6 | F016L66669 | |||
| Leva di Rilascio | ||||
| 43/9 | F016L66107 | 2.18 | 2.66 | |
| Non più disponibile, nessuna sostituzione | ||||
| 52/01 | F016L66465 | |||
| Non più disponibile, nessuna sostituzione | ||||
| 52/02 | F016L90582 | |||
| Non più disponibile, nessuna sostituzione | ||||
| 52/03 | F016L90583 | |||
| Lama Taglierina | ||||
| 55 | F016L66005 | 30.08 | 36.70 | |
| Bullone | ||||
| 59 | F016L66141 | 2.18 | 2.66 | |
| BARRA TOMMY | ||||
| 61/01 | F016L66464 | 3.04 | 3.71 | |
| Leva KA 65 | ||||
| 61/02 | F016L90581 | 5.96 | 7.27 | |
| Distanziatore | ||||
| 61/03 | F016L90585 | 1.32 | 1.61 | |
| Cappuccio a cricchetto | ||||
| 64 | F016F05700 | 1.00 | 1.22 | |
| Custodia del Connettore | ||||
| 75/2/1 | F016L67218 | 4.58 | 5.59 | |
| Guidacavo | ||||
| 75/2/5 | F016104213 | 7.32 | 8.93 | |
| Pulsante | ||||
| 75/4/1 | F016L67150 | 1.00 | 1.22 | |
| Molla | ||||
| 75/4/2 | F016L67151 | 1.00 | 1.22 | |
| Fondo del box del collettore | ||||
| 80 | F016L65674 | 41.30 | 50.39 | |
| Lembo Di Protezione | ||||
| 82 | F016L66137 | 9.47 | 11.55 | |
| Maniglia TSC 55 | ||||
| 83/84 | F016F05683 | 1.00 | 1.22 | |
| Non più disponibile, nessuna sostituzione | ||||
| 85 | F016L66165 | |||
| Molla | ||||
| 99 | F016L59327 | 2.52 | 3.07 | |
| Molla | ||||
| 100 | F016L65790 | 1.00 | 1.22 | |
| Non più disponibile, nessuna sostituzione | ||||
| 101 | F016L67260 | |||
| Rullo a pista di tipo perno | ||||
| 102 | F016L66111 | 2.52 | 3.07 | |
| Logo aziendale | ||||
| 452 | F016L66286 | 3.04 | 3.71 | |
| Rondella elastica Ø27,5x38,4 MM | ||||
| 503 | F016L66173 | 1.32 | 1.61 | |
| Non più disponibile, nessuna sostituzione | ||||
| 505 | F016L65803 | |||
| Pacco Batteria 36V, 4,5Ah, LI | ||||
| 650 | 2607336006 | 342.01 | 417.25 | |
| Caricabatterie UK | ||||
| 651 | 2607226457 | 166.62 | 203.28 | |
| Motore a corrente continua | ||||
| 801/1 | F016104031 | 234.56 | 286.16 | |
| VITE C M4X35 | ||||
| 801/1/3 | F016L66662 | 1.00 | 1.22 | |
| Vite a testa cilindrica | ||||
| 801/1/3 | F016L69251 | 1.00 | 1.22 | |
| Assemblaggio Scheda Stampata | ||||
| 801/2 | F016104888 | 102.63 | 125.21 | |
| Coperchio | ||||
| 841/1 | F016104316 | 6.53 | 7.97 | |
| Non più disponibile, nessuna sostituzione | ||||
| 843/5 | F016104244 | |||
| Non più disponibile, nessuna sostituzione | ||||
| 850 | F016103992 | |||
| Non più disponibile, nessuna sostituzione | ||||
| 860 | F016103994 | |||
| Maniglia TSC 55 | ||||
| 875/1 | F016L90608 | 13.90 | 16.96 | |
| Cavo di giunzione MX 1200/2 E EF | ||||
| 875/2/3 | F016104165 | 10.68 | 13.03 | |
| Kit Interruttore | ||||
| 875/2/4 | F016104163 | 12.21 | 14.90 | |
| Set alloggiamento TID 18 ET-BG | ||||
| 875/4/3 | F016104159 | 17.60 | 21.47 | |
| Non più disponibile, nessuna sostituzione | ||||
| 875/4/4 | F016104160 | |||
| MANICOTTO ESATRICO | ||||
| 875/50 | F016104161 | 5.27 | 6.43 | |
| Non più disponibile, nessuna sostituzione | ||||
| 878 | F016L67209 | |||
| Non più disponibile, nessuna sostituzione | ||||
| 879 | F016L67210 | |||
| COPERTURA | ||||
| 883 | F016103608 | 26.62 | 32.48 | |
| Leva di serraggio | ||||
| 894 | F016L67530 | 9.47 | 11.55 | |
| Morsetto del cavo | ||||
| 895 | F016L66895 | 1.00 | 1.22 | |