Qui troverai tutte le parti e i disegni disponibili di “Bosch 0603401901 ( PWS6-115 )”. Da qui puoi ordinare direttamente tutte le parti desiderate. Molte parti devono essere ordinate dal produttore, a seconda della marca, ciò richiede da una a quattro settimane. Tutte le informazioni che abbiamo sono sul nostro sito web, non possiamo consigliarti su ciò di cui hai bisogno, per questo dovrai restituire la macchina per la riparazione. Nota quanto segue al momento dell’ordinazione:
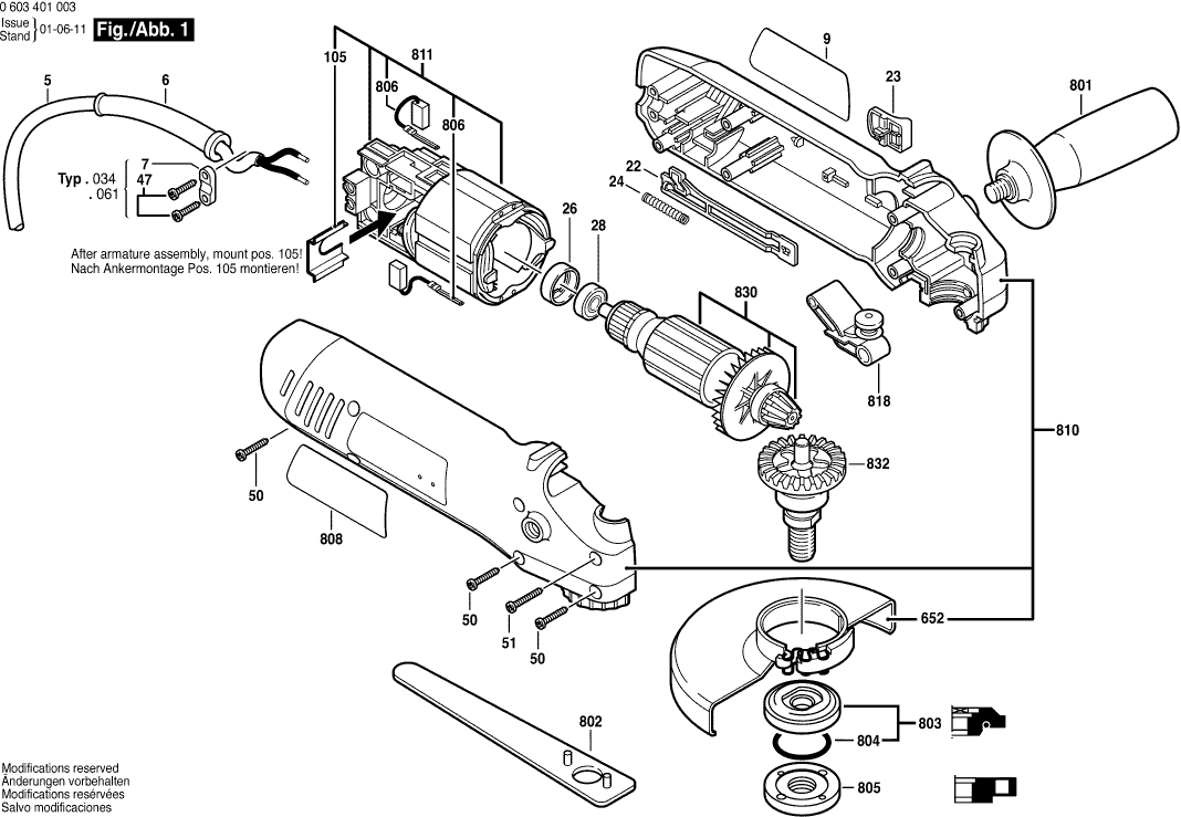
Disegni tecnici di Bosch 0603401901 ( PWS6-115 )
Elenco parti di Bosch 0603401901 ( PWS6-115 )
| Pos. | Descrizione | Prezzo IVA escl | Prezzo IVA incl | |
| I prezzi indicati sono comprensivi di IVA | ||||
| OCCHIELLO | ||||
| 6 | 2600703012 | 2.52 | 3.07 | |
| Non più disponibile, nessuna sostituzione | ||||
| 9 | 1601118854 | |||
| Non più disponibile, nessuna sostituzione | ||||
| 22 | 1602319014 | |||
| Maniglia Dell'interruttore | ||||
| 23 | 1602026077 | 1.32 | 1.61 | |
| Molla compressione | ||||
| 24 | 1619P09932 | 1.28 | 1.56 | |
| Boccola di gomma | ||||
| 26 | 1600502020 | 2.18 | 2.66 | |
| Non più disponibile, nessuna sostituzione | ||||
| 28 | 1600905021 | |||
| Vite a testa ovale Torx 4x30 | ||||
| 50 | 1619P00105 | 1.32 | 1.61 | |
| VITE C M4X35 | ||||
| 51 | 1619P00106 | 1.00 | 1.22 | |
| Piastra Intermedia | ||||
| 105 | 1600591034 | 1.94 | 2.37 | |
| Guardia protettiva | ||||
| 652 | 2609000390 | 11.02 | 13.44 | |
| Coperchio Protettivo | ||||
| 801 | 1600A025XP | 8.48 | 10.35 | |
| Chiave a faccia di tipo pin | ||||
| 802 | 1607950052 | 3.04 | 3.71 | |
| Flangia di serraggio | ||||
| 803 | 2605703014 | 4.58 | 5.59 | |
| Anello O | ||||
| 804 | 1600210039 | 1.90 | 2.32 | |
| Dado rotondo | ||||
| 805 | 1603345043 | 7.32 | 8.93 | |
| Non più disponibile, nessuna sostituzione | ||||
| 806 | 1607000994 | |||
| Targhetta | ||||
| 808 | 160111A3H3 | 2.18 | 2.66 | |
| Set alloggiamento TID 18 ET-BG | ||||
| 810 | 1607000371 | 20.42 | 24.91 | |
| Campo 230V | ||||
| 811 | 1607000723 | 30.08 | 36.70 | |
| Non più disponibile, nessuna sostituzione | ||||
| 818 | 1607000993 | |||
| Non più disponibile, nessuna sostituzione | ||||
| 830 | 1607000990 | |||
| Non più disponibile, nessuna sostituzione | ||||
| 832 | 1607000992 | |||