Qui troverai tutte le parti e i disegni disponibili di “Bosch 0603257903 ( PWS1600 )”. Da qui puoi ordinare direttamente tutte le parti desiderate. Molte parti devono essere ordinate dal produttore, a seconda della marca, ciò richiede da una a quattro settimane. Tutte le informazioni che abbiamo sono sul nostro sito web, non possiamo consigliarti su ciò di cui hai bisogno, per questo dovrai restituire la macchina per la riparazione. Nota quanto segue al momento dell’ordinazione:
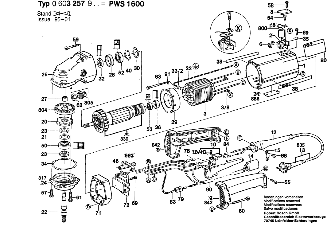
Disegni tecnici di Bosch 0603257903 ( PWS1600 )
Elenco parti di Bosch 0603257903 ( PWS1600 )
| Pos. | Descrizione | Prezzo IVA escl | Prezzo IVA incl | |
| I prezzi indicati sono comprensivi di IVA | ||||
| Non più disponibile, nessuna sostituzione | ||||
| 1 | 1605108121 | |||
| PORTA-SPAZZOLA | ||||
| 2 | 1604336008 | 17.60 | 21.47 | |
| Campo 220V | ||||
| 3 | 1604220215 | 49.56 | 60.46 | |
| Morsetto a cavo | ||||
| 3/8 | 1901350003 | 1.00 | 1.22 | |
| Molla a spirale AGC 18 | ||||
| 6 | 1604652015 | 2.52 | 3.07 | |
| Non più disponibile, nessuna sostituzione | ||||
| 8 | 1605500109 | |||
| Non più disponibile, nessuna sostituzione | ||||
| 10 | 1607200084 | |||
| OCCHIELLO | ||||
| 12 | 3600703011 | 2.52 | 3.07 | |
| Filtro di interferenza TURBO II R1 ET-BG | ||||
| 14 | 1607328034 | 3.71 | 4.53 | |
| Morsetto di fissaggio | ||||
| 15 | 1601302014 | 2.18 | 2.66 | |
| Coperchio del cuscinetto RTS 400 REQ | ||||
| 20 | 1605808054 | 2.24 | 2.73 | |
| Disco di copertura | ||||
| 21 | 1600102012 | 1.18 | 1.44 | |
| Non più disponibile, nessuna sostituzione | ||||
| 22 | 1603523090 | |||
| Disco di tenuta | ||||
| 23 | 1600108055 | 1.00 | 1.22 | |
| Carter del ingranaggio | ||||
| 26 | 1605806403 | 23.75 | 28.98 | |
| Manicotto ad ago AGC 18 | ||||
| 27 | 2600910001 | 3.71 | 4.53 | |
| Anello di gomma 7 MM DI LARGHEZZA | ||||
| 28 | 1600206020 | 1.32 | 1.61 | |
| Anello deflettore d'aria | ||||
| 29 | 1600502017 | 1.18 | 1.44 | |
| Anello di bloccaggio | ||||
| 30 | 2916660017 | 3.71 | 4.53 | |
| Guarnizione labiale dell'albero rotante | ||||
| 32 | 1600290013 | 2.18 | 2.66 | |
| Rondella di compensazione 0,1 MM DI SPESSORE | ||||
| 34 | 1600190004 | 1.18 | 1.44 | |
| Rondella di compensazione 0,2 MM DI SPICCIOLO | ||||
| 34 | 1600190005 | 0.83 | 1.01 | |
| Rondella Con Linguetta | ||||
| 35 | 1601030022 | 1.32 | 1.61 | |
| Anello di gomma | ||||
| 36 | 1600206015 | 1.90 | 2.32 | |
| Targhetta del produttore GBH 2000 | ||||
| 38 | 1601110003 | 1.18 | 1.44 | |
| Rondella elastica Ø27,5x38,4 MM | ||||
| 40 | 1600150007 | 1.32 | 1.61 | |
| Non più disponibile, nessuna sostituzione | ||||
| 50 | 1900905227 | |||
| Cuscinetto a sfere a gola 10x35x11 | ||||
| 52 | 1600905025 | 9.53 | 11.63 | |
| Cuscinetto a sfere a gola profonda 10x26x8 | ||||
| 53 | 1900900407 | 26.84 | 32.74 | |
| CUSCINETTO A SFERE OSC 18 | ||||
| 53 | 1600900029 | 6.54 | 7.98 | |
| Vite a testa cilindrica | ||||
| 54 | 2910021118 | 1.00 | 1.22 | |
| Vite della piastra | ||||
| 55 | 2910211021 | 1.32 | 1.61 | |
| Non più disponibile, nessuna sostituzione | ||||
| 57 | 2910011157 | |||
| Vite per Lamiera DIN 7971-B 3,9x19 | ||||
| 58 | 2910211220 | 1.18 | 1.44 | |
| Vite della piastra | ||||
| 59 | 1613435009 | 1.32 | 1.61 | |
| Vite della piastra | ||||
| 60 | 1613435009 | 1.32 | 1.61 | |
| Vite a testa cilindrica | ||||
| 61 | 2910011162 | 1.00 | 1.22 | |
| Dado esagonale | ||||
| 62 | 1603300018 | 0.83 | 1.01 | |
| Vite per lamiera B4,8x90 MM | ||||
| 63 | 1603435006 | 1.18 | 1.44 | |
| Vite della piastra | ||||
| 69 | 2910211011 | 1.00 | 1.22 | |
| Flangia Intermedia | ||||
| 71 | 1605700020 | 4.70 | 5.73 | |
| Resistore avvolto in filo | ||||
| 72 | 1604503007 | 23.75 | 28.98 | |
| Ghiandaia finale | ||||
| 78 | 1600452001 | 1.18 | 1.44 | |
| Piastra di Riferimento | ||||
| 80 | 1601110180 | 0.83 | 1.01 | |
| Ghiandaia finale | ||||
| 84 | 1900452003 | 2.18 | 2.66 | |
| Maniglia ausiliaria M10 | ||||
| 650/10 | 160202509Z | 13.90 | 16.96 | |
| Maniglia ausiliaria M10 | ||||
| 650/10 | 16020250A1 | 12.21 | 14.90 | |
| Non più disponibile, nessuna sostituzione | ||||
| 650/20 | 2607950511 | |||
| Chiave a faccia di tipo pin | ||||
| 650/30 | F000632033 | 2.18 | 2.66 | |
| Flangia di serraggio | ||||
| 650/40 | 2600501006 | 15.61 | 19.04 | |
| Dado rotondo | ||||
| 650/50 | 2603345004 | 5.96 | 7.27 | |
| Cacciavite Spostato | ||||
| 650/60 | 1907950007 | 4.58 | 5.59 | |
| Non più disponibile, nessuna sostituzione | ||||
| 652 | 2605510083 | |||
| Non più disponibile, nessuna sostituzione | ||||
| 652/20 | 2910141240 | |||
| KIT DI SERVIZIO 115V | ||||
| 800 | 1607014103 | 12.21 | 14.90 | |
| Ingranaggio a corona Z=59 | ||||
| 804 | 1606333200 | 49.56 | 60.46 | |
| Ingranaggio Conico Z=14, Ø 10 MM | ||||
| 805 | 1606333218 | 18.19 | 22.19 | |
| Gruppo di parti di servizio | ||||
| 817 | 1607000229 | 12.41 | 15.14 | |
| Armatura 220V | ||||
| 830 | 1604011130 | 148.65 | 181.35 | |
| Cavo di alimentazione | ||||
| 835 | 1607000228 | 22.88 | 27.91 | |
| Non più disponibile, nessuna sostituzione | ||||
| 842 | 1607000186 | |||
| Targhetta | ||||
| 888 | 160111A3H3 | 2.18 | 2.66 | |