Qui troverai tutte le parti e i disegni disponibili di “Bosch 0603345903 ( PWS13-125CE )”. Da qui puoi ordinare direttamente tutte le parti desiderate. Molte parti devono essere ordinate dal produttore, a seconda della marca, ciò richiede da una a quattro settimane. Tutte le informazioni che abbiamo sono sul nostro sito web, non possiamo consigliarti su ciò di cui hai bisogno, per questo dovrai restituire la macchina per la riparazione. Nota quanto segue al momento dell’ordinazione:
Disegni tecnici di Bosch 0603345903 ( PWS13-125CE )
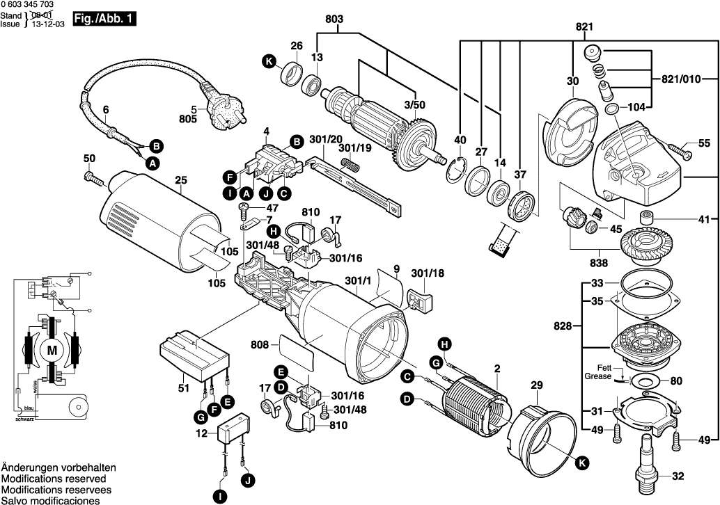
Elenco parti di Bosch 0603345903 ( PWS13-125CE )
| Pos. | Descrizione | Prezzo IVA escl | Prezzo IVA incl | |
| I prezzi indicati sono comprensivi di IVA | ||||
| Campo 230V | ||||
| 2 | 1607000F0S | 33.33 | 40.66 | |
| Campo 230V | ||||
| 2 | 160422054U | 25.28 | 30.84 | |
| Ventola Sunon PMD2412PMB1-A | ||||
| 3/50 | 1606610132 | 1.90 | 2.32 | |
| Interruttore | ||||
| 4 | 1607200137 | 10.68 | 13.03 | |
| OCCHIELLO | ||||
| 6 | 2600703011 | 2.52 | 3.07 | |
| OCCHIELLO | ||||
| 6 | 2600703012 | 2.52 | 3.07 | |
| OCCHIELLO | ||||
| 6 | 2600703013 | 2.18 | 2.66 | |
| Morsetto di fissaggio | ||||
| 7 | 1601302017 | 1.00 | 1.22 | |
| Targhetta del produttore GBH 2000 | ||||
| 9 | 1601118530 | 1.90 | 2.32 | |
| Filtro di interferenza TURBO II R1 ET-BG | ||||
| 12 | 1607328042 | 5.96 | 7.27 | |
| CUSCINETTO A SFERE OSC 18 | ||||
| 13 | 2600905032 | 4.58 | 5.59 | |
| CUSCINETTO A SFERE OSC 18 | ||||
| 14 | 1600905032 | 5.27 | 6.43 | |
| Molla a spirale AGC 18 | ||||
| 17 | 1604652013 | 1.32 | 1.61 | |
| Coperchio del alloggiamento VERDE | ||||
| 25 | 1600508018 | 5.33 | 6.50 | |
| Anello intermedio | ||||
| 26 | 1600502023 | 1.90 | 2.32 | |
| Anello di gomma 10 MM DI LARGHEZZA | ||||
| 27 | 1600206025 | 1.90 | 2.32 | |
| Anello deflettore d'aria | ||||
| 29 | 1600591025 | 2.18 | 2.66 | |
| Anello deflettore d'aria | ||||
| 30 | 1600591014 | 2.18 | 2.66 | |
| Non più disponibile, nessuna sostituzione | ||||
| 31 | 1601290007 | |||
| Mandrino di rettifica | ||||
| 32 | 1607000D6A | 6.53 | 7.97 | |
| Anello O | ||||
| 33 | 3600210124 | 2.52 | 3.07 | |
| Rondella di compensazione | ||||
| 35 | 1600136013 | 2.18 | 2.66 | |
| Rondella di compensazione | ||||
| 35 | 1600136014 | 2.18 | 2.66 | |
| Rondella di compensazione | ||||
| 35 | 1600136015 | 2.18 | 2.66 | |
| Guarnizione labiale dell'albero rotante | ||||
| 37 | 1600290016 | 2.18 | 2.66 | |
| Anello di bloccaggio | ||||
| 40 | 1600119011 | 1.90 | 2.32 | |
| Manicotto ad ago AGC 18 | ||||
| 41 | 1600910018 | 4.58 | 5.59 | |
| Dado esagonale | ||||
| 45 | 1603300016 | 1.32 | 1.61 | |
| Vite della piastra | ||||
| 47 | 2912401018 | 1.00 | 1.22 | |
| Vite formante a filettatura M6x25 MM | ||||
| 49 | 1603435026 | 1.90 | 2.32 | |
| Vite della piastra | ||||
| 50 | 2912401420 | 1.00 | 1.22 | |
| Non più disponibile, nessuna sostituzione | ||||
| 51 | 1607233110 | |||
| Vite di grasso AW 10 3x25 | ||||
| 55 | 1603415005 | 0.83 | 1.01 | |
| Disco di copertura | ||||
| 80 | 1619P09390 | 1.90 | 2.32 | |
| Anello O | ||||
| 104 | 1600210044 | 1.00 | 1.22 | |
| Piastra isolante | ||||
| 105 | 1601008005 | 4.58 | 5.59 | |
| Custodia del motore | ||||
| 301/1 | 1605108209 | 9.47 | 11.55 | |
| PORTA-SPAZZOLA | ||||
| 301/16 | 1601323023 | 3.04 | 3.71 | |
| Cappuccio a cricchetto | ||||
| 301/18 | F016F05700 | 1.00 | 1.22 | |
| Molla compressione | ||||
| 301/19 | 1604611026 | 1.00 | 1.22 | |
| Scivolo di regolazione | ||||
| 301/20 | 1602319011 | 1.32 | 1.61 | |
| Vite della piastra | ||||
| 301/48 | 2912401005 | 1.00 | 1.22 | |
| Anello O | ||||
| 650/50/20 | 1600210039 | 1.90 | 2.32 | |
| Non più disponibile, nessuna sostituzione | ||||
| 700 | 2607001188 | |||
| Nessuna informazione disponibile, non ordinabile | ||||
| 700/10 | 2605510101 | |||
| Non più disponibile, nessuna sostituzione | ||||
| 700/20 | 1608135004 | |||
| Bullone Testa Rotonda DIN 603-M 5x16 | ||||
| 700/20/30 | 2910281158 | 1.18 | 1.44 | |
| Dado ad ali M 5 DIN 315-G-5 | ||||
| 700/20/40 | 2915191105 | 2.71 | 3.31 | |
| Molla compressione | ||||
| 700/20/50 | 1604643004 | 1.94 | 2.37 | |
| Coperchio Protettivo | ||||
| 750/10 | 1600A025XP | 8.48 | 10.35 | |
| Nessuna informazione disponibile, non ordinabile | ||||
| 750/20 | 1603340040 | |||
| Nessuna informazione disponibile, non ordinabile | ||||
| 750/30 | 1607950043 | |||
| Nessuna informazione disponibile, non ordinabile | ||||
| 750/50 | 1605703099 | |||
| Nessuna informazione disponibile, non ordinabile | ||||
| 751 | 2605510101 | |||
| SNELSPANMOER | ||||
| 752 | 1603340027 | 45.52 | 55.53 | |
| Flangia di bloccaggio rapido | ||||
| 752 | 1600A016PP | 41.30 | 50.39 | |
| Non più disponibile, nessuna sostituzione | ||||
| 753 | 1605438100 | |||
| Non più disponibile, nessuna sostituzione | ||||
| 767 | 2605510107 | |||
| Non più disponibile, nessuna sostituzione | ||||
| 767/703 | 2605730036 | |||
| Indotto | ||||
| 803 | 1604010650 | 91.33 | 111.42 | |
| Cavo di alimentazione | ||||
| 805 | 1607000386 | 17.60 | 21.47 | |
| Targhetta | ||||
| 808 | 160111A3H3 | 2.18 | 2.66 | |
| KIT DI SERVIZIO 115V | ||||
| 810 | 1607014176 | 11.02 | 13.44 | |
| Carter del ingranaggio | ||||
| 821 | 1605806451 | 37.50 | 45.75 | |
| Pulsante | ||||
| 821/010 | 1607000253 | 1.90 | 2.32 | |
| Coperchio del cuscinetto RTS 400 REQ | ||||
| 828 | 1605805079 | 15.61 | 19.04 | |
| Unità a Ingranaggi | ||||
| 838 | 1607000D4Y | 13.90 | 16.96 | |