Qui troverai tutte le parti e i disegni disponibili di “Bosch 0603303703 ( PST800PAC )”. Da qui puoi ordinare direttamente tutte le parti desiderate. Molte parti devono essere ordinate dal produttore, a seconda della marca, ciò richiede da una a quattro settimane. Tutte le informazioni che abbiamo sono sul nostro sito web, non possiamo consigliarti su ciò di cui hai bisogno, per questo dovrai restituire la macchina per la riparazione. Nota quanto segue al momento dell’ordinazione:
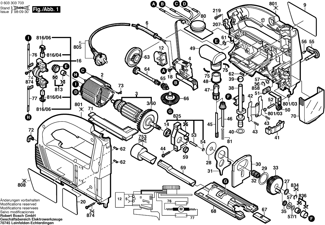
Disegni tecnici di Bosch 0603303703 ( PST800PAC )
Elenco parti di Bosch 0603303703 ( PST800PAC )
| Pos. | Descrizione | Prezzo IVA escl | Prezzo IVA incl | |
| I prezzi indicati sono comprensivi di IVA | ||||
| Campo 230V | ||||
| 2 | 2604220447 | 20.42 | 24.91 | |
| STATORE 230V | ||||
| 3 | 2604010895 | 36.85 | 44.96 | |
| Ventola Sunon PMD2412PMB1-A | ||||
| 3/60 | 2606610050 | 3.31 | 4.04 | |
| Non più disponibile, nessuna sostituzione | ||||
| 4 | 2607200303 | |||
| Non più disponibile, nessuna sostituzione | ||||
| 6 | 2600703007 | |||
| Targa del produttore LATO SOLE | ||||
| 9 | 2601118352 | 1.70 | 2.07 | |
| Non più disponibile, nessuna sostituzione | ||||
| 12 | 2607329138 | |||
| CUSCINETTO A SFERE OSC 18 | ||||
| 14 | 2600905021 | 7.32 | 8.93 | |
| Non più disponibile, nessuna sostituzione | ||||
| 16 | 2605807060 | |||
| Vite a testa cilindrica | ||||
| 18 | 2603410001 | 1.32 | 1.61 | |
| Rondella di compensazione | ||||
| 27 | 2600101047 | 1.32 | 1.61 | |
| Rondella di compensazione | ||||
| 28 | 2600101048 | 1.32 | 1.61 | |
| Rondella Di Compensazione 0,5 MM | ||||
| 29 | 2600102614 | 0.83 | 1.01 | |
| Contrappeso 5,5 MM | ||||
| 30 | 2601098025 | 4.70 | 5.73 | |
| Leva a forcella | ||||
| 31 | 2601923009 | 3.31 | 4.04 | |
| Assemblea di aghi rotanti | ||||
| 32 | 2600913007 | 5.83 | 7.11 | |
| Ruota Cog Eccentrica Z=39 | ||||
| 33 | 2606320049 | 20.42 | 24.91 | |
| Anello intermedio | ||||
| 35 | 2600200035 | 1.18 | 1.44 | |
| Non più disponibile, nessuna sostituzione | ||||
| 38 | 2600780060 | |||
| Boccola in Metallo Sinterizzato | ||||
| 39 | 2600302009 | 1.94 | 2.37 | |
| Rondella di compensazione | ||||
| 40 | 2600101612 | 1.32 | 1.61 | |
| PIASTRA DI SUPPORTO | ||||
| 41 | 2602316011 | 1.18 | 1.44 | |
| Non più disponibile, nessuna sostituzione | ||||
| 42 | 2601322014 | |||
| Molla compressione | ||||
| 43 | 2604613000 | 1.32 | 1.61 | |
| Vite a testa ovale DIN 7985-M4x18-8.8-H | ||||
| 44 | 2910950128 | 0.83 | 1.01 | |
| Non più disponibile, nessuna sostituzione | ||||
| 45 | 2603490004 | |||
| Non più disponibile, nessuna sostituzione | ||||
| 46 | 2606491012 | |||
| Non più disponibile, nessuna sostituzione | ||||
| 47 | 2606491010 | |||
| Non più disponibile, nessuna sostituzione | ||||
| 48 | 2600451002 | |||
| Non più disponibile, nessuna sostituzione | ||||
| 49 | 2608040073 | |||
| Non più disponibile, nessuna sostituzione | ||||
| 50 | 2601321049 | |||
| Piastra di tenuta | ||||
| 51 | 2601015057 | 2.52 | 3.07 | |
| Spina Cilindrica | ||||
| 52 | 2609002725 | 1.00 | 1.22 | |
| Spina diritta DIN 6325-4m6x20 | ||||
| 53 | 2917530099 | 0.83 | 1.01 | |
| Rondella di compensazione | ||||
| 54 | 2600100510 | 2.18 | 2.66 | |
| Interruttore di Cambio 230V NERO | ||||
| 55 | 2602026055 | 2.71 | 3.31 | |
| Cappuccio a cricchetto | ||||
| 56 | 2600590006 | 1.32 | 1.61 | |
| Rondella di compensazione | ||||
| 57 | 2600100568 | 1.32 | 1.61 | |
| Rondella di compensazione | ||||
| 57 | 2600100607 | 1.32 | 1.61 | |
| Rondella di compensazione | ||||
| 57 | 2600100572 | 1.18 | 1.44 | |
| Anello di bloccaggio | ||||
| 59 | 2600400030 | 1.18 | 1.44 | |
| Non più disponibile, nessuna sostituzione | ||||
| 61 | 2600210036 | |||
| Bullone di cuscinetto | ||||
| 62 | 2603201020 | 1.00 | 1.22 | |
| Maniglia rotante | ||||
| 63 | 2608040074 | 2.24 | 2.73 | |
| Non più disponibile, nessuna sostituzione | ||||
| 64 | 2606491013 | |||
| Non più disponibile, nessuna sostituzione | ||||
| 65 | 2606333029 | |||
| Non più disponibile, nessuna sostituzione | ||||
| 66 | 2606333028 | |||
| Non più disponibile, nessuna sostituzione | ||||
| 67 | 2602317028 | |||
| Non più disponibile, nessuna sostituzione | ||||
| 68 | 2601016073 | |||
| Non più disponibile, nessuna sostituzione | ||||
| 69 | 2605730037 | |||
| Cappuccio di copertura STM 1800 | ||||
| 70 | 2605510149 | 1.94 | 2.37 | |
| Parte inserita | ||||
| 71 | 2608040075 | 1.70 | 2.07 | |
| Cappuccio di sigillatura | ||||
| 72 | 2608040077 | 1.18 | 1.44 | |
| Molla di contatto | ||||
| 73 | 2601329047 | 1.18 | 1.44 | |
| Non più disponibile, nessuna sostituzione | ||||
| 75 | 2603100055 | |||
| Cavo Di Connessione L=50 MM BIANCO | ||||
| 76 | 2604448190 | 2.71 | 3.31 | |
| Non più disponibile, nessuna sostituzione | ||||
| 77 | 2604448123 | |||
| Regolatore di velocità 230-240V | ||||
| 80 | 2607230024 | 26.84 | 32.74 | |
| Molla compressione | ||||
| 81 | 2604610040 | 1.32 | 1.61 | |
| Non più disponibile, nessuna sostituzione | ||||
| 753 | 2600499032 | |||
| Sezione Casing VERDE | ||||
| 801 | 2605104854 | 36.85 | 44.96 | |
| Non più disponibile, nessuna sostituzione | ||||
| 801/03 | 2600506008 | |||
| Non più disponibile, nessuna sostituzione | ||||
| 805 | 1607000389 | |||
| Piastra di tipo HK 85 EB 230V | ||||
| 808 | 2601119260 | 2.71 | 3.31 | |
| Manicotto ad ago AGC 18 | ||||
| 813 | 2600917901 | 5.83 | 7.11 | |
| KIT DI SERVIZIO 115V | ||||
| 816/04 | 2604321905 | 9.47 | 11.55 | |
| Cappuccio a cricchetto | ||||
| 816/06 | 2601329051 | 1.32 | 1.61 | |
| Cappuccio a cricchetto | ||||
| 816/06 | 2601322013 | 1.32 | 1.61 | |
| Ponte di cuscinetto | ||||
| 825 | 2605807925 | 11.88 | 14.49 | |
| Anello di bloccaggio | ||||
| 834 | 2916080909 | 1.00 | 1.22 | |
| Manicotto ad ago AGC 18 | ||||
| 836 | 2600917900 | 7.32 | 8.93 | |
| Non più disponibile, nessuna sostituzione | ||||
| 858 | 2916080008 | |||
| Vite della piastra | ||||
| 874 | 2910611020 | 1.32 | 1.61 | |