Qui troverai tutte le parti e i disegni disponibili di “Bosch 0603380108 ( PST650 )”. Da qui puoi ordinare direttamente tutte le parti desiderate. Molte parti devono essere ordinate dal produttore, a seconda della marca, ciò richiede da una a quattro settimane. Tutte le informazioni che abbiamo sono sul nostro sito web, non possiamo consigliarti su ciò di cui hai bisogno, per questo dovrai restituire la macchina per la riparazione. Nota quanto segue al momento dell’ordinazione:
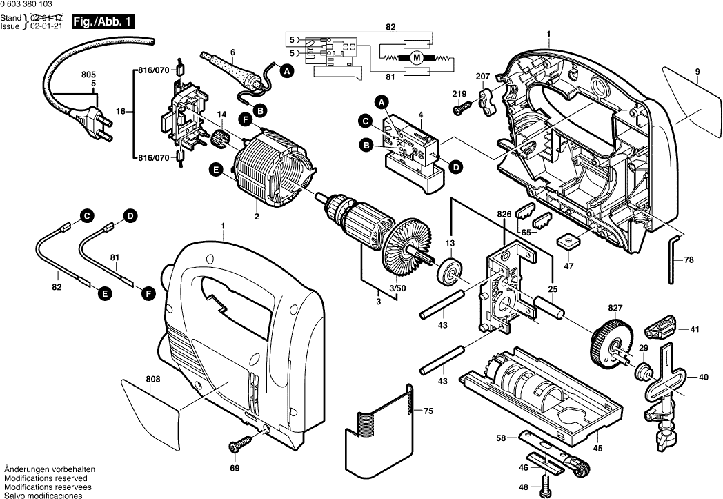
Disegni tecnici di Bosch 0603380108 ( PST650 )
Elenco parti di Bosch 0603380108 ( PST650 )
| Pos. | Descrizione | Prezzo IVA escl | Prezzo IVA incl | |
| I prezzi indicati sono comprensivi di IVA | ||||
| Sezione di alloggiamento | ||||
| 1 | 2605105087 | 23.75 | 28.98 | |
| Campo 230-240V | ||||
| 2 | 2604220652 | 13.93 | 16.99 | |
| Non più disponibile, nessuna sostituzione | ||||
| 3 | 2604011361 | |||
| Ventola Sunon PMD2412PMB1-A | ||||
| 3/50 | 2606610097 | 3.04 | 3.71 | |
| Non più disponibile, nessuna sostituzione | ||||
| 4 | 2607200523 | |||
| Cavo di alimentazione | ||||
| 5 | 2604460259 | 11.02 | 13.44 | |
| OCCHIELLO | ||||
| 6 | 2600703017 | 2.18 | 2.66 | |
| Targhetta del produttore PST 650 LATO SOLE | ||||
| 9 | 2601117235 | 2.71 | 3.31 | |
| CUSCINETTO A SFERE OSC 18 | ||||
| 13 | 2600905098 | 7.32 | 8.93 | |
| Flangia del cuscinetto HKC 55 | ||||
| 14 | 2605801055 | 5.83 | 7.11 | |
| Piastra della spazzola | ||||
| 16 | 1600A012AZ | 9.47 | 11.55 | |
| Bullone di cuscinetto | ||||
| 25 | 2603105083 | 2.52 | 3.07 | |
| Non più disponibile, nessuna sostituzione | ||||
| 29 | 2605801044 | |||
| Non più disponibile, nessuna sostituzione | ||||
| 40 | 2600780146 | |||
| Non più disponibile, nessuna sostituzione | ||||
| 41 | 2605801037 | |||
| Indicatore DF 700 | ||||
| 43 | 2603201089 | 5.27 | 6.43 | |
| Non più disponibile, nessuna sostituzione | ||||
| 45 | 2601016080 | |||
| Bead profilato | ||||
| 46 | 2601032021 | 2.18 | 2.66 | |
| PIASTRA DI MONTAGGIO | ||||
| 47 | 2600040003 | 1.90 | 2.32 | |
| Vite a testa cilindrica | ||||
| 48 | 2603413034 | 1.32 | 1.61 | |
| Non più disponibile, nessuna sostituzione | ||||
| 58 | 2601321063 | |||
| Non più disponibile, nessuna sostituzione | ||||
| 65 | 2601038111 | |||
| Vite a testa ovale Torx 4x30 | ||||
| 69 | 2603490022 | 1.00 | 1.22 | |
| Paracolpi in gomma | ||||
| 72 | 2603100056 | 1.32 | 1.61 | |
| Non più disponibile, nessuna sostituzione | ||||
| 75 | 2605510169 | |||
| Spinotto | ||||
| 78 | 2603105088 | 1.00 | 1.22 | |
| Cavo di collegamento L=243 MM BIANCO | ||||
| 81 | 2604448033 | 1.18 | 1.44 | |
| Cavo di connessione | ||||
| 82 | 2604448232 | 1.90 | 2.32 | |
| Morsetto del cavo | ||||
| 207 | 2601035001 | 1.32 | 1.61 | |
| Vite a testa ovale Torx 4x30 | ||||
| 219 | 2603490022 | 1.00 | 1.22 | |
| Piastra di Riferimento | ||||
| 808 | 2601116831 | 2.71 | 3.31 | |
| KIT DI SERVIZIO 115V | ||||
| 816/070 | 2604321925 | 7.32 | 8.93 | |
| Ponte di cuscinetto | ||||
| 826 | 2605807935 | 18.19 | 22.19 | |
| Non più disponibile, nessuna sostituzione | ||||
| 827 | 2606320903 | |||
| Bullone della Frizione | ||||
| 891 | 2603410046 | 1.90 | 2.32 | |