Qui troverai tutte le parti e i disegni disponibili di “Bosch 0603380703 ( PST650E )”. Da qui puoi ordinare direttamente tutte le parti desiderate. Molte parti devono essere ordinate dal produttore, a seconda della marca, ciò richiede da una a quattro settimane. Tutte le informazioni che abbiamo sono sul nostro sito web, non possiamo consigliarti su ciò di cui hai bisogno, per questo dovrai restituire la macchina per la riparazione. Nota quanto segue al momento dell’ordinazione:
Disegni tecnici di Bosch 0603380703 ( PST650E )
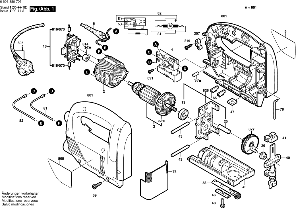
Elenco parti di Bosch 0603380703 ( PST650E )
| Pos. | Descrizione | Prezzo IVA escl | Prezzo IVA incl | |
| I prezzi indicati sono comprensivi di IVA | ||||
| Campo 230-240V | ||||
| 2 | 2604220652 | 13.93 | 16.99 | |
| Indotto 230-240V | ||||
| 3 | 2604011231 | 29.75 | 36.30 | |
| Ventola Sunon PMD2412PMB1-A | ||||
| 3/50 | 2606610097 | 3.04 | 3.71 | |
| Non più disponibile, nessuna sostituzione | ||||
| 4 | 2607200581 | |||
| OCCHIELLO | ||||
| 6 | 2600703017 | 2.18 | 2.66 | |
| Targhetta del produttore PST 650 E LATO SOLE | ||||
| 9 | 2601117236 | 2.71 | 3.31 | |
| CUSCINETTO A SFERE OSC 18 | ||||
| 13 | 2600905021 | 7.32 | 8.93 | |
| Piastra della spazzola | ||||
| 16 | 1600A012AZ | 9.47 | 11.55 | |
| Bullone di cuscinetto | ||||
| 25 | 2603105083 | 2.52 | 3.07 | |
| Non più disponibile, nessuna sostituzione | ||||
| 29 | 2605801044 | |||
| Non più disponibile, nessuna sostituzione | ||||
| 40 | 2600780145 | |||
| CUSCINETTO A MANICOTTO | ||||
| 41 | 2605801038 | 4.58 | 5.59 | |
| Indicatore DF 700 | ||||
| 43 | 2603201089 | 5.27 | 6.43 | |
| Non più disponibile, nessuna sostituzione | ||||
| 45 | 2601016080 | |||
| Bead profilato | ||||
| 46 | 2601032021 | 2.18 | 2.66 | |
| PIASTRA DI MONTAGGIO | ||||
| 47 | 2600040003 | 1.90 | 2.32 | |
| Vite a testa cilindrica | ||||
| 48 | 2603413034 | 1.32 | 1.61 | |
| Non più disponibile, nessuna sostituzione | ||||
| 58 | 2601321063 | |||
| Non più disponibile, nessuna sostituzione | ||||
| 65 | 2601038111 | |||
| Vite a testa ovale Torx 4x30 | ||||
| 69 | 2603490022 | 1.00 | 1.22 | |
| Non più disponibile, nessuna sostituzione | ||||
| 75 | 2605510169 | |||
| Spinotto | ||||
| 78 | 2603105088 | 1.00 | 1.22 | |
| Cavo di collegamento L=243 MM BIANCO | ||||
| 81 | 2604448033 | 1.18 | 1.44 | |
| Cavo di connessione | ||||
| 82 | 2604448232 | 1.90 | 2.32 | |
| Morsetto del cavo | ||||
| 207 | 2601035001 | 1.32 | 1.61 | |
| Sezione di alloggiamento | ||||
| 801 | 2605105900 | 36.85 | 44.96 | |
| Cavo di alimentazione | ||||
| 805 | 1607000386 | 17.60 | 21.47 | |
| Piastra di Riferimento | ||||
| 808 | 2601117205 | 2.71 | 3.31 | |
| Cuscinetto Flangiato | ||||
| 814 | 2605805008 | 4.58 | 5.59 | |
| KIT DI SERVIZIO 115V | ||||
| 816/070 | 2604321925 | 7.32 | 8.93 | |
| Ponte di cuscinetto | ||||
| 826 | 2605807935 | 18.19 | 22.19 | |
| Non più disponibile, nessuna sostituzione | ||||
| 827 | 2606320903 | |||
| Bullone della Frizione | ||||
| 891 | 2603410046 | 1.90 | 2.32 | |