Qui troverai tutte le parti e i disegni disponibili di “Bosch 3603C92020 ( PST600 )”. Da qui puoi ordinare direttamente tutte le parti desiderate. Molte parti devono essere ordinate dal produttore, a seconda della marca, ciò richiede da una a quattro settimane. Tutte le informazioni che abbiamo sono sul nostro sito web, non possiamo consigliarti su ciò di cui hai bisogno, per questo dovrai restituire la macchina per la riparazione. Nota quanto segue al momento dell’ordinazione:
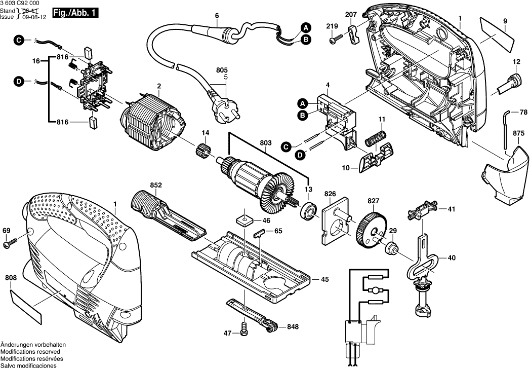
Disegni tecnici di Bosch 3603C92020 ( PST600 )
Elenco parti di Bosch 3603C92020 ( PST600 )
| Pos. | Descrizione | Prezzo IVA escl | Prezzo IVA incl | |
| I prezzi indicati sono comprensivi di IVA | ||||
| Sezione Casing VERDE | ||||
| 1 | 2605105055 | 36.85 | 44.96 | |
| Non più disponibile, nessuna sostituzione | ||||
| 2 | 2604220601 | |||
| Non più disponibile, nessuna sostituzione | ||||
| 4 | 2607200608 | |||
| OCCHIELLO | ||||
| 6 | 2609002019 | 2.18 | 2.66 | |
| Targhetta del produttore GBH 2000 | ||||
| 9 | 2609000690 | 2.18 | 2.66 | |
| Leva di Bloccaggio | ||||
| 10 | 2609000290 | 1.94 | 2.37 | |
| Molla compressione | ||||
| 11 | 2609000421 | 1.18 | 1.44 | |
| Valvola a manopola rotativa ROSSA | ||||
| 12 | 2602026132 | 1.70 | 2.07 | |
| CUSCINETTO A SFERE OSC 18 | ||||
| 13 | 3130900020 | 5.96 | 7.27 | |
| Boccola in Metallo Sinterizzato | ||||
| 14 | 2600301068 | 1.32 | 1.61 | |
| Non più disponibile, nessuna sostituzione | ||||
| 16 | 2604337102 | |||
| Non più disponibile, nessuna sostituzione | ||||
| 29 | 2605801044 | |||
| Non più disponibile, nessuna sostituzione | ||||
| 40 | 2600780148 | |||
| Cuscinetto di guida | ||||
| 41 | 2605801053 | 3.04 | 3.71 | |
| Non più disponibile, nessuna sostituzione | ||||
| 45 | 2601016088 | |||
| PIASTRA DI MONTAGGIO | ||||
| 46 | 2600040003 | 1.90 | 2.32 | |
| Vite a testa cilindrica | ||||
| 47 | 2603413034 | 1.32 | 1.61 | |
| Guida crosshd. MFK 700/B | ||||
| 65 | 2601030166 | 1.32 | 1.61 | |
| Vite a testa ovale Torx 4x30 | ||||
| 69 | 2603490022 | 1.00 | 1.22 | |
| Spinotto | ||||
| 78 | 2603105088 | 1.00 | 1.22 | |
| Morsetto del cavo | ||||
| 207 | 2601035001 | 1.32 | 1.61 | |
| Vite a testa ovale Torx 4x30 | ||||
| 219 | 2603490022 | 1.00 | 1.22 | |
| Indotto | ||||
| 803 | 2609000359 | 37.50 | 45.75 | |
| Cavo di alimentazione | ||||
| 805 | 1607000386 | 17.60 | 21.47 | |
| Non più disponibile, nessuna sostituzione | ||||
| 808 | 2609000689 | |||
| KIT DI SERVIZIO 115V | ||||
| 816 | 2610391290 | 7.32 | 8.93 | |
| Ponte di cuscinetto | ||||
| 826 | 2609000346 | 6.53 | 7.97 | |
| Ruota dentata eccentrica | ||||
| 827 | 2609002094 | 12.41 | 15.14 | |
| Non più disponibile, nessuna sostituzione | ||||
| 848 | 2601321072 | |||
| Deposito Lama Segatrice | ||||
| 852 | 2608040231 | 5.27 | 6.43 | |
| Non più disponibile, nessuna sostituzione | ||||
| 875 | 2605510219 | |||