Qui troverai tutte le parti e i disegni disponibili di “Bosch 0603379063 ( PST550 )”. Da qui puoi ordinare direttamente tutte le parti desiderate. Molte parti devono essere ordinate dal produttore, a seconda della marca, ciò richiede da una a quattro settimane. Tutte le informazioni che abbiamo sono sul nostro sito web, non possiamo consigliarti su ciò di cui hai bisogno, per questo dovrai restituire la macchina per la riparazione. Nota quanto segue al momento dell’ordinazione:
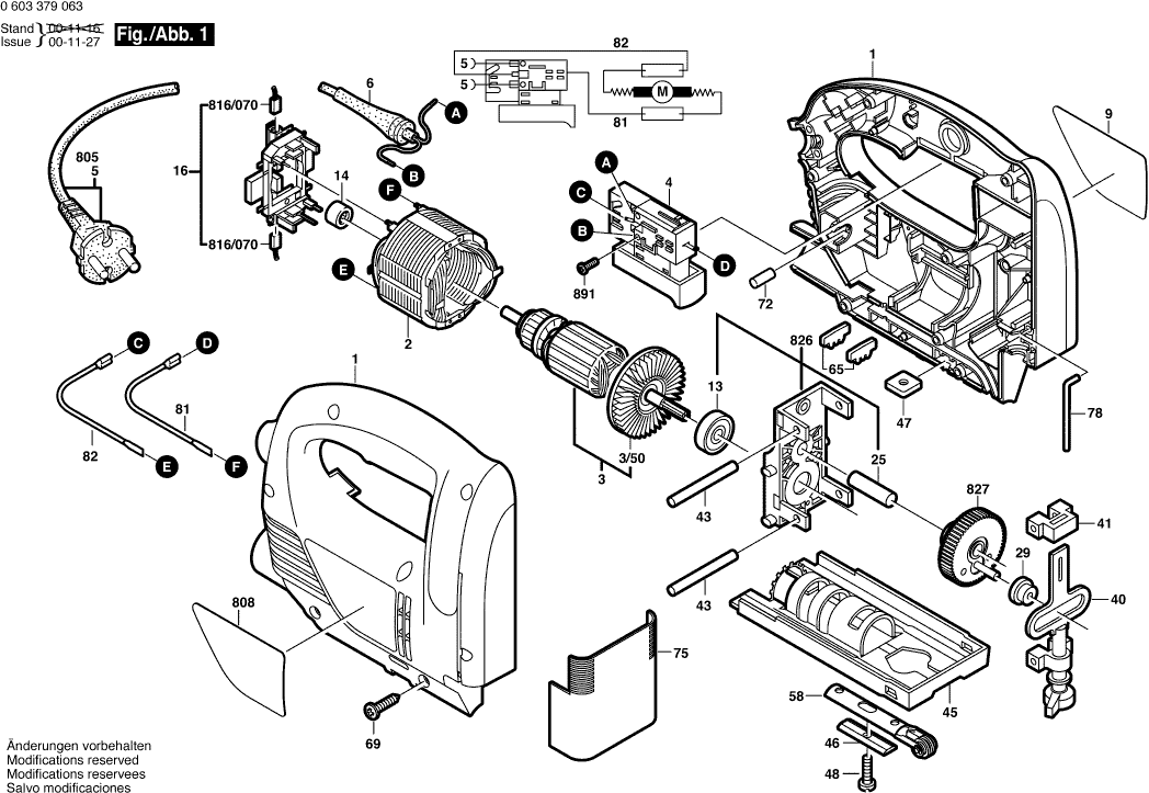
Disegni tecnici di Bosch 0603379063 ( PST550 )
Elenco parti di Bosch 0603379063 ( PST550 )
| Pos. | Descrizione | Prezzo IVA escl | Prezzo IVA incl | |
| I prezzi indicati sono comprensivi di IVA | ||||
| Sezione di alloggiamento | ||||
| 1 | 2605105900 | 36.85 | 44.96 | |
| Non più disponibile, nessuna sostituzione | ||||
| 2 | 2604220601 | |||
| Indotto 230-240V | ||||
| 3 | 2604011231 | 29.75 | 36.30 | |
| Ventola Sunon PMD2412PMB1-A | ||||
| 3/50 | 2606610097 | 3.04 | 3.71 | |
| Non più disponibile, nessuna sostituzione | ||||
| 4 | 2607200523 | |||
| OCCHIELLO | ||||
| 6 | 2600703017 | 2.18 | 2.66 | |
| Targhetta del produttore GBH 2000 | ||||
| 9 | 2601117899 | 2.18 | 2.66 | |
| CUSCINETTO A SFERE OSC 18 | ||||
| 13 | 2600905021 | 7.32 | 8.93 | |
| Manicotto ad ago AGC 18 | ||||
| 14 | 2600917002 | 3.04 | 3.71 | |
| Piastra della spazzola | ||||
| 16 | 1600A012AZ | 9.47 | 11.55 | |
| Bullone di cuscinetto | ||||
| 25 | 2603105083 | 2.52 | 3.07 | |
| Non più disponibile, nessuna sostituzione | ||||
| 29 | 2605801044 | |||
| Non più disponibile, nessuna sostituzione | ||||
| 40 | 2600780145 | |||
| CUSCINETTO A MANICOTTO | ||||
| 41 | 2605801038 | 4.58 | 5.59 | |
| Indicatore DF 700 | ||||
| 43 | 2603201089 | 5.27 | 6.43 | |
| Non più disponibile, nessuna sostituzione | ||||
| 45 | 2601016080 | |||
| Bead profilato | ||||
| 46 | 2601032021 | 2.18 | 2.66 | |
| PIASTRA DI MONTAGGIO | ||||
| 47 | 2600040003 | 1.90 | 2.32 | |
| Vite a testa cilindrica | ||||
| 48 | 2603413034 | 1.32 | 1.61 | |
| Non più disponibile, nessuna sostituzione | ||||
| 58 | 2601321063 | |||
| Non più disponibile, nessuna sostituzione | ||||
| 65 | 2601038111 | |||
| Vite a testa ovale Torx 4x30 | ||||
| 69 | 2603490022 | 1.00 | 1.22 | |
| Paracolpi in gomma | ||||
| 72 | 2603100056 | 1.32 | 1.61 | |
| Non più disponibile, nessuna sostituzione | ||||
| 75 | 2605510169 | |||
| Spinotto | ||||
| 78 | 2603105088 | 1.00 | 1.22 | |
| Cavo di collegamento L=243 MM BIANCO | ||||
| 81 | 2604448033 | 1.18 | 1.44 | |
| Cavo di connessione | ||||
| 82 | 2604448232 | 1.90 | 2.32 | |
| Cavo di alimentazione | ||||
| 805 | 1607000386 | 17.60 | 21.47 | |
| Piastra di Riferimento | ||||
| 808 | 2601117926 | 2.71 | 3.31 | |
| KIT DI SERVIZIO 115V | ||||
| 816/070 | 2604321925 | 7.32 | 8.93 | |
| Ponte di cuscinetto | ||||
| 826 | 2605807935 | 18.19 | 22.19 | |
| Non più disponibile, nessuna sostituzione | ||||
| 827 | 2606320903 | |||
| Bullone della Frizione | ||||
| 891 | 2603410046 | 1.90 | 2.32 | |