Qui troverai tutte le parti e i disegni disponibili di “Bosch 0603229703 ( PST52AE )”. Da qui puoi ordinare direttamente tutte le parti desiderate. Molte parti devono essere ordinate dal produttore, a seconda della marca, ciò richiede da una a quattro settimane. Tutte le informazioni che abbiamo sono sul nostro sito web, non possiamo consigliarti su ciò di cui hai bisogno, per questo dovrai restituire la macchina per la riparazione. Nota quanto segue al momento dell’ordinazione:
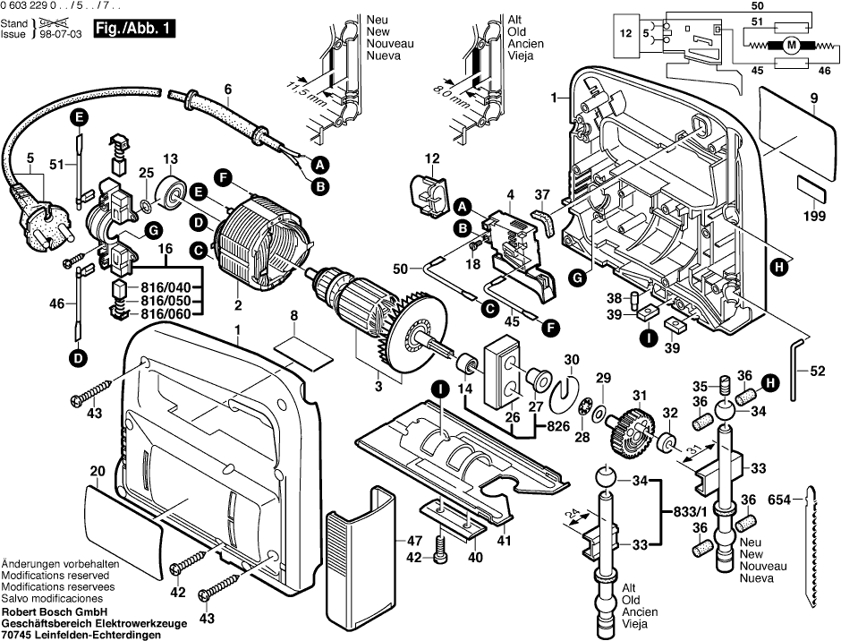
Disegni tecnici di Bosch 0603229703 ( PST52AE )
Elenco parti di Bosch 0603229703 ( PST52AE )
| Pos. | Descrizione | Prezzo IVA escl | Prezzo IVA incl | |
| I prezzi indicati sono comprensivi di IVA | ||||
| Non più disponibile, nessuna sostituzione | ||||
| 1 | 2605104270 | |||
| Non più disponibile, nessuna sostituzione | ||||
| 2 | 2604220466 | |||
| Non più disponibile, nessuna sostituzione | ||||
| 3 | 2604010736 | |||
| Non più disponibile, nessuna sostituzione | ||||
| 4 | 2607200184 | |||
| Cavo di alimentazione | ||||
| 5 | 1607000388 | 10.68 | 13.03 | |
| Non più disponibile, nessuna sostituzione | ||||
| 6 | 2600703007 | |||
| Targhetta | ||||
| 8 | 160111A3H3 | 2.18 | 2.66 | |
| Adesivo LATO SOLE | ||||
| 9 | 2601110779 | 1.94 | 2.37 | |
| Non più disponibile, nessuna sostituzione | ||||
| 12 | 2607329138 | |||
| CUSCINETTO A SFERE OSC 18 | ||||
| 13 | 2600905032 | 4.58 | 5.59 | |
| Manicotto ad ago AGC 18 | ||||
| 14 | 2600917003 | 2.52 | 3.07 | |
| Non più disponibile, nessuna sostituzione | ||||
| 16 | 2609992604 | |||
| Vite a testa cilindrica | ||||
| 18 | 2603410001 | 1.32 | 1.61 | |
| Adesivo LATO OMBRA | ||||
| 20 | 2601110780 | 1.94 | 2.37 | |
| Anello O | ||||
| 25 | 1900210000 | 1.32 | 1.61 | |
| Non più disponibile, nessuna sostituzione | ||||
| 26 | 2605807031 | |||
| Non più disponibile, nessuna sostituzione | ||||
| 27 | 2600322003 | |||
| Rondella elastica Ø27,5x38,4 MM | ||||
| 28 | 2600190040 | 1.18 | 1.44 | |
| Rondella Di Compensazione 0,5 MM | ||||
| 29 | 2600100505 | 0.83 | 1.01 | |
| Rondella di compensazione 0,2 MM | ||||
| 30 | 2600040001 | 1.18 | 1.44 | |
| Non più disponibile, nessuna sostituzione | ||||
| 31 | 2606316900 | |||
| Non più disponibile, nessuna sostituzione | ||||
| 32 | 2600301014 | |||
| Non più disponibile, nessuna sostituzione | ||||
| 33 | 2600780033 | |||
| Non più disponibile, nessuna sostituzione | ||||
| 34 | 2600302008 | |||
| Vite di serraggio | ||||
| 35 | 2603400000 | 3.71 | 4.53 | |
| Non più disponibile, nessuna sostituzione | ||||
| 36 | 2603239006 | |||
| Non più disponibile, nessuna sostituzione | ||||
| 38 | 2603120037 | |||
| Non più disponibile, nessuna sostituzione | ||||
| 39 | 2601030006 | |||
| Non più disponibile, nessuna sostituzione | ||||
| 40 | 2602317025 | |||
| Piastra di base | ||||
| 41 | 2601016012 | 7.32 | 8.93 | |
| Vite a testa cilindrica | ||||
| 42 | 2910021122 | 1.90 | 2.32 | |
| Vite della piastra | ||||
| 43 | 2910611018 | 1.32 | 1.61 | |
| Vite della piastra | ||||
| 44 | 2910611020 | 1.32 | 1.61 | |
| Cavo di connessione | ||||
| 45 | 2604448118 | 1.32 | 1.61 | |
| Cavo di connessione | ||||
| 46 | 2604448034 | 1.32 | 1.61 | |
| Non più disponibile, nessuna sostituzione | ||||
| 47 | 2605510052 | |||
| Cavo L=249 MM AZZURRO | ||||
| 50 | 2604448057 | 1.18 | 1.44 | |
| Cavo di connessione | ||||
| 51 | 2604448016 | 1.32 | 1.61 | |
| Non più disponibile, nessuna sostituzione | ||||
| 52 | 2603105051 | |||
| Non più disponibile, nessuna sostituzione | ||||
| 199 | 1601110265 | |||
| Morsetto del cavo | ||||
| 207 | 2601035001 | 1.32 | 1.61 | |
| Non più disponibile, nessuna sostituzione | ||||
| 816/040 | 2607014001 | |||
| Molla compressione | ||||
| 816/050 | 2604610026 | 2.18 | 2.66 | |
| Cappuccio a cricchetto | ||||
| 816/060 | 2601322013 | 1.32 | 1.61 | |
| Non più disponibile, nessuna sostituzione | ||||
| 826 | 2605807918 | |||
| Non più disponibile, nessuna sostituzione | ||||
| 833/1 | 2600780902 | |||