Qui troverai tutte le parti e i disegni disponibili di “Bosch 0603285703 ( PSS28AE )”. Da qui puoi ordinare direttamente tutte le parti desiderate. Molte parti devono essere ordinate dal produttore, a seconda della marca, ciò richiede da una a quattro settimane. Tutte le informazioni che abbiamo sono sul nostro sito web, non possiamo consigliarti su ciò di cui hai bisogno, per questo dovrai restituire la macchina per la riparazione. Nota quanto segue al momento dell’ordinazione:
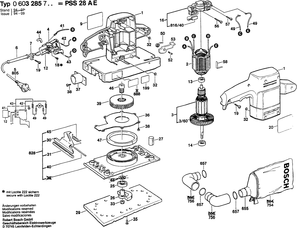
Disegni tecnici di Bosch 0603285703 ( PSS28AE )
Elenco parti di Bosch 0603285703 ( PSS28AE )
| Pos. | Descrizione | Prezzo IVA escl | Prezzo IVA incl | |
| I prezzi indicati sono comprensivi di IVA | ||||
| Sezione Casing VERDE | ||||
| 1 | 2605104542 | 36.85 | 44.96 | |
| Campo 220-240V | ||||
| 2 | 2604220476 | 26.84 | 32.74 | |
| Armatura 220-240V | ||||
| 3 | 2604010876 | 49.56 | 60.46 | |
| Ventola Sunon PMD2412PMB1-A | ||||
| 3/60 | 2606610062 | 2.71 | 3.31 | |
| Non più disponibile, nessuna sostituzione | ||||
| 4 | 2607200358 | |||
| Non più disponibile, nessuna sostituzione | ||||
| 6 | 2600703007 | |||
| Morsetto del cavo | ||||
| 7 | 2601035001 | 1.32 | 1.61 | |
| Adesivo LATO SOLE | ||||
| 9 | 2601110965 | 2.71 | 3.31 | |
| Non più disponibile, nessuna sostituzione | ||||
| 12 | 2607329114 | |||
| CUSCINETTO A SFERE OSC 18 | ||||
| 13 | 1900905044 | 6.53 | 7.97 | |
| CUSCINETTO A SFERE OSC 18 | ||||
| 14 | 1900905041 | 11.02 | 13.44 | |
| Non più disponibile, nessuna sostituzione | ||||
| 16 | 2609992604 | |||
| Vite a testa cilindrica | ||||
| 18 | 2603410001 | 1.32 | 1.61 | |
| Vite a testa ovale Torx 4x30 | ||||
| 19 | 2603490022 | 1.00 | 1.22 | |
| Molla di contatto LATO OMBRA | ||||
| 20 | 2601110966 | 4.10 | 5.00 | |
| CUSCINETTO A SFERE OSC 18 | ||||
| 25 | 2600905045 | 13.90 | 16.96 | |
| Disco eccentrico | ||||
| 26 | 2600499024 | 5.83 | 7.11 | |
| Non più disponibile, nessuna sostituzione | ||||
| 27 | 2603100050 | |||
| Non più disponibile, nessuna sostituzione | ||||
| 29 | 2608000103 | |||
| Leva di serraggio | ||||
| 30 | 2601923007 | 2.24 | 2.73 | |
| Non più disponibile, nessuna sostituzione | ||||
| 31 | 2601099030 | |||
| Anello O | ||||
| 32 | 1900210000 | 1.32 | 1.61 | |
| Non più disponibile, nessuna sostituzione | ||||
| 33 | 2603300013 | |||
| Vite formante a filettatura M6x25 MM | ||||
| 35 | 2603410048 | 1.32 | 1.61 | |
| Piastra di copertura | ||||
| 36 | 2600034004 | 3.31 | 4.04 | |
| Non più disponibile, nessuna sostituzione | ||||
| 37 | 2605702018 | |||
| Vite a testa ovale Torx 4x30 | ||||
| 38 | 2603490020 | 1.00 | 1.22 | |
| Ventola Sunon PMD2412PMB1-A | ||||
| 39 | 2606610026 | 2.24 | 2.73 | |
| Spina Cilindrica | ||||
| 40 | 2603201085 | 1.32 | 1.61 | |
| Conduttore di terra | ||||
| 41 | 2604448097 | 1.32 | 1.61 | |
| Non più disponibile, nessuna sostituzione | ||||
| 42 | 2604448045 | |||
| Cavo L=249 MM AZZURRO | ||||
| 43 | 2604448057 | 1.18 | 1.44 | |
| Non più disponibile, nessuna sostituzione | ||||
| 44 | 2601022000 | |||
| Molla a spirale | ||||
| 45 | 2604651008 | 1.94 | 2.37 | |
| Distanziali | ||||
| 46 | 2600320018 | 1.70 | 2.07 | |
| Non più disponibile, nessuna sostituzione | ||||
| 47 | 2601005014 | |||
| Cavo di connessione | ||||
| 49 | 2604448109 | 1.00 | 1.22 | |
| Molla a spirale AGC 18 | ||||
| 50 | 1604652004 | 2.18 | 2.66 | |
| Nessuna informazione disponibile, non ordinabile | ||||
| 51 | 2600202006 | |||
| Spinotto diviso | ||||
| 52 | 2604681001 | 1.18 | 1.44 | |
| Leva di Controllo | ||||
| 53 | 2602010000 | 2.24 | 2.73 | |
| Rullo Cilindrico | ||||
| 54 | 2603200022 | 1.18 | 1.44 | |
| Vite a testa ovale Torx 4x30 | ||||
| 56 | 2603490024 | 1.32 | 1.61 | |
| Vite a testa ovale Torx 4x30 | ||||
| 57 | 2603490023 | 1.00 | 1.22 | |
| Molla di contatto | ||||
| 58 | 2601329057 | 2.18 | 2.66 | |
| Non più disponibile, nessuna sostituzione | ||||
| 199 | 1601110265 | |||
| Raccordo | ||||
| 655 | 2605702009 | 2.52 | 3.07 | |
| Anello O | ||||
| 657 | 1610210075 | 2.18 | 2.66 | |
| Nessuna informazione disponibile, non ordinabile | ||||
| 706 | 2608190017 | |||
| Non più disponibile, nessuna sostituzione | ||||
| 753 | 2608000106 | |||
| Nessuna informazione disponibile, non ordinabile | ||||
| 754 | 2605411009 | |||
| Non più disponibile, nessuna sostituzione | ||||
| 756 | 2605702019 | |||
| Cavo di alimentazione | ||||
| 805 | 1607000388 | 10.68 | 13.03 | |
| KIT DI SERVIZIO 115V | ||||
| 816/40 | 2604321905 | 9.47 | 11.55 | |
| Molla compressione | ||||
| 816/50 | 2604610026 | 2.18 | 2.66 | |
| Cappuccio a cricchetto | ||||
| 816/60 | 2601322013 | 1.32 | 1.61 | |
| Piastra Oscillante | ||||
| 828 | 2608000916 | 55.25 | 67.40 | |
| Targhetta | ||||
| 888 | 160111A3H3 | 2.18 | 2.66 | |