Qui troverai tutte le parti e i disegni disponibili di “Bosch 0603932703 ( PSR7,2VE )”. Da qui puoi ordinare direttamente tutte le parti desiderate. Molte parti devono essere ordinate dal produttore, a seconda della marca, ciò richiede da una a quattro settimane. Tutte le informazioni che abbiamo sono sul nostro sito web, non possiamo consigliarti su ciò di cui hai bisogno, per questo dovrai restituire la macchina per la riparazione. Nota quanto segue al momento dell’ordinazione:
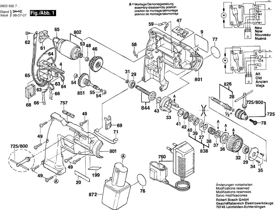
Disegni tecnici di Bosch 0603932703 ( PSR7,2VE )
Elenco parti di Bosch 0603932703 ( PSR7,2VE )
| Pos. | Descrizione | Prezzo IVA escl | Prezzo IVA incl | |
| I prezzi indicati sono comprensivi di IVA | ||||
| Interruttore on-off | ||||
| 4 | 2607200302 | 45.52 | 55.53 | |
| Adesivo LATO SOLE | ||||
| 9 | 2601118063 | 1.18 | 1.44 | |
| Adesivo | ||||
| 20 | 2601110606 | 1.18 | 1.44 | |
| Anello di ritenzione | ||||
| 28 | 2604601004 | 1.32 | 1.61 | |
| CUSCINETTO A SFERE OSC 18 | ||||
| 29 | 1900905127 | 26.62 | 32.48 | |
| Anello di bloccaggio | ||||
| 31 | 2916650001 | 2.18 | 2.66 | |
| Non più disponibile, nessuna sostituzione | ||||
| 32 | 2605190014 | |||
| Bussola di Regolazione | ||||
| 33 | 2600499015 | 7.58 | 9.25 | |
| Rondella di ritenzione BIANCA | ||||
| 34 | 2600134004 | 1.18 | 1.44 | |
| Vite filettata DIN 7500 C M 3x8 MM | ||||
| 35 | 2603490003 | 1.18 | 1.44 | |
| Disco perforato | ||||
| 36 | 2600190041 | 2.24 | 2.73 | |
| Disco Di Serraggio | ||||
| 37 | 2600290019 | 1.18 | 1.44 | |
| Rondella di compensazione | ||||
| 40 | 2600101668 | 2.52 | 3.07 | |
| Metà di Accoppiamento | ||||
| 41 | 2606490047 | 4.70 | 5.73 | |
| Gabbia per sfera | ||||
| 42 | 2600923001 | 2.71 | 3.31 | |
| Palla | ||||
| 43 | 1903230007 | 1.32 | 1.61 | |
| Set di ingranaggi | ||||
| 46 | 1609340007 | 12.21 | 14.90 | |
| Scorrevole Di Regolazione NERO | ||||
| 47 | 2601099027 | 1.18 | 1.44 | |
| Boccola in Metallo Sinterizzato | ||||
| 48 | 2600301011 | 1.32 | 1.61 | |
| Vite per lamiera DIN 7981-ST3,9x16-C-H | ||||
| 49 | 2910611019 | 2.52 | 3.07 | |
| Rondella 8X21X1 | ||||
| 53 | 2606316112 | 3.71 | 4.53 | |
| Boccola in Metallo Sinterizzato | ||||
| 54 | 2600302002 | 1.32 | 1.61 | |
| Rondella di compensazione 0,3 MM DI SPESSORE | ||||
| 55 | 2600100636 | 1.18 | 1.44 | |
| MOLLA DI RITENZIONE OSC 18 | ||||
| 58 | 2601250002 | 1.18 | 1.44 | |
| Non più disponibile, nessuna sostituzione | ||||
| 59 | 2601250003 | |||
| Dissipatore di calore DUO 110 | ||||
| 61 | 2605715000 | 3.31 | 4.04 | |
| Vite di grasso AW 10 3x25 | ||||
| 62 | 2910641050 | 1.00 | 1.22 | |
| Cavo Di Connessione L=52 MM BIANCO | ||||
| 63 | 2604413005 | 1.18 | 1.44 | |
| Cavo Di Connessione L=79 MM BIANCO | ||||
| 64 | 2604413004 | 1.18 | 1.44 | |
| Cavo di connessione | ||||
| 65 | 2604413009 | 0.83 | 1.01 | |
| Molla di contatto | ||||
| 66 | 2601324012 | 1.32 | 1.61 | |
| Non più disponibile, nessuna sostituzione | ||||
| 68 | 2601010038 | |||
| Leva di Bloccaggio 36,5 MM | ||||
| 69 | 2601099026 | 1.18 | 1.44 | |
| Molla di Sostegno Ø8,7 MM | ||||
| 71 | 2601251002 | 1.18 | 1.44 | |
| Non più disponibile, nessuna sostituzione | ||||
| 76 | 2601110461 | |||
| Piastra di Riferimento | ||||
| 77 | 2601118023 | 0.83 | 1.01 | |
| Non più disponibile, nessuna sostituzione | ||||
| 78 | 2603421209 | |||
| Non più disponibile, nessuna sostituzione | ||||
| 199 | 1601110265 | |||
| Nessuna informazione disponibile, non ordinabile | ||||
| 725 | 1608571068 | |||
| Nessuna informazione disponibile, non ordinabile | ||||
| 725/800 | 1607950053 | |||
| Lama cacciavite 6 MM | ||||
| 757 | 1609200147 | 3.04 | 3.71 | |
| Caricabatterie Veloce CN GAL 1230 CV 220/12 V | ||||
| 760 | 2607224431 | 146.07 | 178.21 | |
| Caricabatterie veloce EU 230/7,2-24V, 1h | ||||
| 760 | 2607224425 | 130.32 | 158.99 | |
| Caricabatterie Veloce CN GAL 1230 CV 220/12 V | ||||
| 760 | 2607224435 | 126.98 | 154.92 | |
| Caricabatterie Veloce CN GAL 1230 CV 220/12 V | ||||
| 760 | 2607224427 | 102.63 | 125.21 | |
| Caricabatterie veloce AUS 240/7,2-14,4V, 1h | ||||
| 760 | 2607224443 | 81.47 | 99.39 | |
| Non più disponibile, nessuna sostituzione | ||||
| 801 | 2605104870 | |||
| Motore a Corrente Continua 7,2V | ||||
| 802 | 1609340003 | 29.75 | 36.30 | |
| Mandrino di perforazione 1/2" | ||||
| 826 | 2606309912 | 12.41 | 15.14 | |
| Non più disponibile, nessuna sostituzione | ||||
| 838 | 2607001126 | |||
| Metà di Accoppiamento | ||||
| 844 | 2606436900 | 12.41 | 15.14 | |
| Albero Dentato Z=10/19/81 | ||||
| 851 | 1609340005 | 12.41 | 15.14 | |
| Non più disponibile, nessuna sostituzione | ||||
| 872 | 2607300001 | |||