Qui troverai tutte le parti e i disegni disponibili di “Bosch 0603998658 ( PSB650RPE )”. Da qui puoi ordinare direttamente tutte le parti desiderate. Molte parti devono essere ordinate dal produttore, a seconda della marca, ciò richiede da una a quattro settimane. Tutte le informazioni che abbiamo sono sul nostro sito web, non possiamo consigliarti su ciò di cui hai bisogno, per questo dovrai restituire la macchina per la riparazione. Nota quanto segue al momento dell’ordinazione:
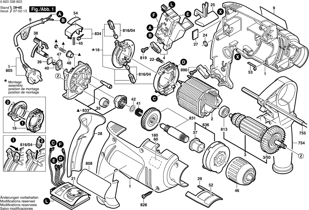
Disegni tecnici di Bosch 0603998658 ( PSB650RPE )
Elenco parti di Bosch 0603998658 ( PSB650RPE )
| Pos. | Descrizione | Prezzo IVA escl | Prezzo IVA incl | |
| I prezzi indicati sono comprensivi di IVA | ||||
| Sezione Casing VERDE | ||||
| 1 | 2605104562 | 12.41 | 15.14 | |
| Campo 230V | ||||
| 2 | 2604220688 | 26.62 | 32.48 | |
| Non più disponibile, nessuna sostituzione | ||||
| 3 | 2604011154 | |||
| Ventola Sunon PMD2412PMB1-A | ||||
| 3/50 | 2606610029 | 2.18 | 2.66 | |
| Non più disponibile, nessuna sostituzione | ||||
| 4 | 2607200501 | |||
| Non più disponibile, nessuna sostituzione | ||||
| 6 | 2600707066 | |||
| Targhetta del produttore GBH 2000 | ||||
| 9 | 2601117548 | 2.71 | 3.31 | |
| Piastra della spazzola | ||||
| 16 | 2604337061 | 12.21 | 14.90 | |
| Non più disponibile, nessuna sostituzione | ||||
| 21 | 2607230050 | |||
| Vite per lamiera DIN 7981-ST2,2x9,5-C-H | ||||
| 22 | 2910611002 | 1.00 | 1.22 | |
| Anello O | ||||
| 24 | 1900210000 | 1.32 | 1.61 | |
| Interruttore | ||||
| 25 | 2602098008 | 1.00 | 1.22 | |
| Elemento Di Smorzamento | ||||
| 27 | 2603239024 | 1.00 | 1.22 | |
| Piastra di maniglia | ||||
| 28 | 2608040109 | 3.71 | 4.53 | |
| Inserto SYS-ISC 240 | ||||
| 29 | 2605510160 | 1.18 | 1.44 | |
| Manicotto ad ago AGC 18 | ||||
| 35 | 2600914019 | 4.58 | 5.59 | |
| Non più disponibile, nessuna sostituzione | ||||
| 37 | 2600301052 | |||
| Non più disponibile, nessuna sostituzione | ||||
| 38 | 2601990010 | |||
| Piastra di pressione ISC 240 completa | ||||
| 39 | 2601074004 | 1.00 | 1.22 | |
| Palla | ||||
| 40 | 1903230009 | 1.00 | 1.22 | |
| Molla compressione | ||||
| 41 | 2604616006 | 1.32 | 1.61 | |
| Rondella di compensazione | ||||
| 42 | 2600101047 | 1.32 | 1.61 | |
| Molla compressione | ||||
| 45 | 2604610047 | 1.32 | 1.61 | |
| Telaio | ||||
| 47 | 2608040120 | 2.18 | 2.66 | |
| Non più disponibile, nessuna sostituzione | ||||
| 48 | 2600390031 | |||
| Piastra di Riferimento | ||||
| 52 | 2601119419 | 3.04 | 3.71 | |
| Fascia di Contatto | ||||
| 53 | 2601329043 | 2.18 | 2.66 | |
| Piastra di Riferimento | ||||
| 54 | 2601119602 | 3.04 | 3.71 | |
| Non più disponibile, nessuna sostituzione | ||||
| 746 | 2608572122 | |||
| Nessuna informazione disponibile, non ordinabile | ||||
| 754 | 2602025102 | |||
| Nessuna informazione disponibile, non ordinabile | ||||
| 755 | 2603001019 | |||
| Cavo di alimentazione | ||||
| 805 | 1607000386 | 17.60 | 21.47 | |
| Piastra di tipo HK 85 EB 230V | ||||
| 808 | 2601117547 | 2.71 | 3.31 | |
| CUSCINETTO A SFERE OSC 18 | ||||
| 813 | 2600905032 | 4.58 | 5.59 | |
| KIT DI SERVIZIO 115V | ||||
| 816/04 | 2609160125 | 5.96 | 7.27 | |
| Vite della piastra | ||||
| 819 | 2910611006 | 1.32 | 1.61 | |
| Vite della piastra | ||||
| 826 | 2912401020 | 1.90 | 2.32 | |
| Non più disponibile, nessuna sostituzione | ||||
| 831 | 2606135929 | |||
| Non più disponibile, nessuna sostituzione | ||||
| 833 | 2605807932 | |||
| Non più disponibile, nessuna sostituzione | ||||
| 834 | 2603231040 | |||
| Non più disponibile, nessuna sostituzione | ||||
| 836 | 2605808922 | |||
| Set di fissaggio | ||||
| 890 | 2607001305 | 3.71 | 4.53 | |