Qui troverai tutte le parti e i disegni disponibili di “Bosch 0603387103 ( PSB500-2 )”. Da qui puoi ordinare direttamente tutte le parti desiderate. Molte parti devono essere ordinate dal produttore, a seconda della marca, ciò richiede da una a quattro settimane. Tutte le informazioni che abbiamo sono sul nostro sito web, non possiamo consigliarti su ciò di cui hai bisogno, per questo dovrai restituire la macchina per la riparazione. Nota quanto segue al momento dell’ordinazione:
Disegni tecnici di Bosch 0603387103 ( PSB500-2 )
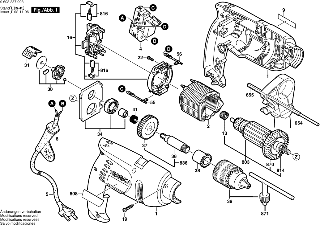
Elenco parti di Bosch 0603387103 ( PSB500-2 )
| Pos. | Descrizione | Prezzo IVA escl | Prezzo IVA incl | |
| I prezzi indicati sono comprensivi di IVA | ||||
| Sezione di alloggiamento | ||||
| 1 | 2605104779 | 11.88 | 14.49 | |
| Non più disponibile, nessuna sostituzione | ||||
| 2 | 2604220601 | |||
| Interruttore | ||||
| 4 | 2607200593 | 18.19 | 22.19 | |
| Cavo di alimentazione | ||||
| 5 | 2604460259 | 11.02 | 13.44 | |
| Non più disponibile, nessuna sostituzione | ||||
| 6 | 2600707066 | |||
| Non più disponibile, nessuna sostituzione | ||||
| 9 | 2601117942 | |||
| Boccola in Metallo Sinterizzato | ||||
| 13 | 2600301068 | 1.32 | 1.61 | |
| Piastra della spazzola | ||||
| 16 | 1600A012AZ | 9.47 | 11.55 | |
| Vite a testa ovale Torx 4x30 | ||||
| 19 | 2603490022 | 1.00 | 1.22 | |
| Vite per lamiera DIN 7981-ST2,2x9,5-C-H | ||||
| 22 | 2910611002 | 1.00 | 1.22 | |
| Non più disponibile, nessuna sostituzione | ||||
| 30 | 2601901012 | |||
| Interruttore di passaggio | ||||
| 31 | 2601990029 | 1.18 | 1.44 | |
| Ponte di cuscinetto | ||||
| 34 | 2605807107 | 8.45 | 10.31 | |
| Mandrino di Perforazione | ||||
| 36 | 2606135081 | 7.32 | 8.93 | |
| Non più disponibile, nessuna sostituzione | ||||
| 37 | 2606320081 | |||
| Non più disponibile, nessuna sostituzione | ||||
| 38 | 2600301066 | |||
| Mandrino a chiave | ||||
| 39 | 1608571080 | 36.62 | 44.68 | |
| Molla compressione | ||||
| 41 | 2604616006 | 1.32 | 1.61 | |
| Cavo di connessione | ||||
| 55 | 2604448034 | 1.32 | 1.61 | |
| Cavo di connessione | ||||
| 56 | 2604448109 | 1.00 | 1.22 | |
| Maniglia ausiliaria M10 | ||||
| 654 | 2602025094 | 6.53 | 7.97 | |
| Fermo di profondità TSF 55 EBQ | ||||
| 655 | 2609005615 | 3.71 | 4.53 | |
| Indotto 230-240V | ||||
| 803 | 2604011314 | 29.75 | 36.30 | |
| Targhetta | ||||
| 808 | 2601117943 | 2.71 | 3.31 | |
| CUSCINETTO A SFERE OSC 18 | ||||
| 814 | 3130900020 | 5.96 | 7.27 | |
| KIT DI SERVIZIO 115V | ||||
| 816 | 2604321925 | 7.32 | 8.93 | |
| Mandrino di Perforazione | ||||
| 836 | 2606135935 | 12.21 | 14.90 | |
| Ventola Sunon PMD2412PMB1-A | ||||
| 870 | 2606610097 | 3.04 | 3.71 | |
| Chiave del mandrino | ||||
| 871 | 2607950007 | 5.96 | 7.27 | |