Qui troverai tutte le parti e i disegni disponibili di “Bosch 0603272160 ( PHO15-82 )”. Da qui puoi ordinare direttamente tutte le parti desiderate. Molte parti devono essere ordinate dal produttore, a seconda della marca, ciò richiede da una a quattro settimane. Tutte le informazioni che abbiamo sono sul nostro sito web, non possiamo consigliarti su ciò di cui hai bisogno, per questo dovrai restituire la macchina per la riparazione. Nota quanto segue al momento dell’ordinazione:
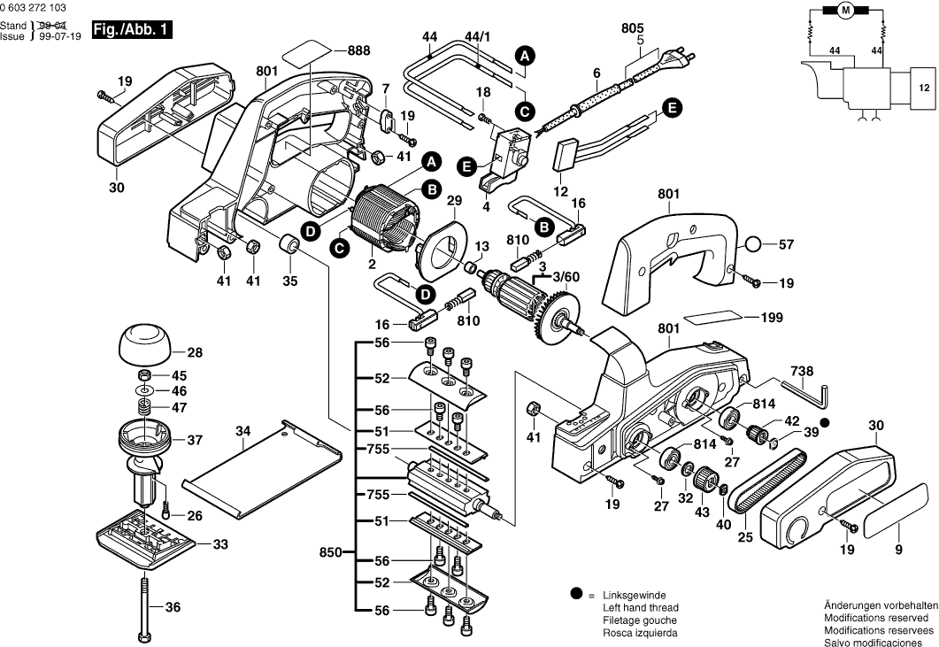
Disegni tecnici di Bosch 0603272160 ( PHO15-82 )
Elenco parti di Bosch 0603272160 ( PHO15-82 )
| Pos. | Descrizione | Prezzo IVA escl | Prezzo IVA incl | |
| I prezzi indicati sono comprensivi di IVA | ||||
| Campo 230V | ||||
| 2 | 2604220411 | 20.39 | 24.88 | |
| Armatura 220-230V | ||||
| 3 | 2604010648 | 36.85 | 44.96 | |
| VALVOLA | ||||
| 3/60 | 1619P11262 | 2.52 | 3.07 | |
| Interruttore | ||||
| 4 | 2607200367 | 5.96 | 7.27 | |
| Non più disponibile, nessuna sostituzione | ||||
| 5 | 1604460046 | |||
| Non più disponibile, nessuna sostituzione | ||||
| 6 | 2600703007 | |||
| Morsetto del cavo | ||||
| 7 | 2601035001 | 1.32 | 1.61 | |
| Targhetta del produttore GBH 2000 | ||||
| 9 | 2601118263 | 1.70 | 2.07 | |
| Non più disponibile, nessuna sostituzione | ||||
| 12 | 1607328028 | |||
| Non più disponibile, nessuna sostituzione | ||||
| 13 | 2600910005 | |||
| PORTA-SPAZZOLA | ||||
| 16 | 2604449026 | 1.32 | 1.61 | |
| Vite a testa cilindrica | ||||
| 18 | 2603410001 | 1.32 | 1.61 | |
| Vite a testa ovale Torx 4x30 | ||||
| 19 | 2603490022 | 1.00 | 1.22 | |
| Cinghia Dentata Z=75 | ||||
| 25 | 2604736001 | 8.48 | 10.35 | |
| Cappuccio a cricchetto | ||||
| 26 | 2600590006 | 1.32 | 1.61 | |
| Montaggio di vite e rondella | ||||
| 27 | 2603433000 | 1.32 | 1.61 | |
| Maniglia TSC 55 | ||||
| 28 | 2602026053 | 2.18 | 2.66 | |
| Anello deflettore d'aria | ||||
| 29 | 2600290004 | 1.70 | 2.07 | |
| Non più disponibile, nessuna sostituzione | ||||
| 30 | 2605500163 | |||
| Rondella di compensazione | ||||
| 32 | 2600100621 | 1.32 | 1.61 | |
| Scivolo di regolazione | ||||
| 33 | 2608000133 | 7.32 | 8.93 | |
| Non più disponibile, nessuna sostituzione | ||||
| 34 | 1608000091 | |||
| Manicotto ad ago AGC 18 | ||||
| 35 | 1610910057 | 2.52 | 3.07 | |
| Vite a testa esagonale DIN 933-M5x70-8.8 | ||||
| 36 | 2911061180 | 0.83 | 1.01 | |
| Non più disponibile, nessuna sostituzione | ||||
| 37 | 2602026052 | |||
| Dado rotondo | ||||
| 39 | 2603342006 | 1.32 | 1.61 | |
| Dado | ||||
| 40 | 2603342010 | 2.18 | 2.66 | |
| Dado esagonale | ||||
| 41 | 2915011007 | 1.00 | 1.22 | |
| Non più disponibile, nessuna sostituzione | ||||
| 42 | 2606625001 | |||
| Ruota Cinghia Dentata | ||||
| 43 | 2606625002 | 5.96 | 7.27 | |
| Cavo di connessione L = 288 MM BIANCO | ||||
| 44 | 2604448062 | 1.18 | 1.44 | |
| Cavo Elettrico | ||||
| 44/1 | 2604448160 | 1.90 | 2.32 | |
| Dado esagonale | ||||
| 45 | 2915061003 | 1.70 | 2.07 | |
| Rondella piana | ||||
| 46 | 2918650007 | 1.32 | 1.61 | |
| Molla compressione | ||||
| 47 | 2604611010 | 1.90 | 2.32 | |
| Non più disponibile, nessuna sostituzione | ||||
| 51 | 2602316000 | |||
| Non più disponibile, nessuna sostituzione | ||||
| 52 | 2605510007 | |||
| Non più disponibile, nessuna sostituzione | ||||
| 56 | 2603414027 | |||
| Cacciavite Spostato | ||||
| 738 | 2607950004 | 1.32 | 1.61 | |
| Nessuna informazione disponibile, non ordinabile | ||||
| 755 | 2607000096 | |||
| Sezione di alloggiamento | ||||
| 801 | 2605104866 | 33.45 | 40.81 | |
| KIT DI SERVIZIO 115V | ||||
| 810 | 2604321905 | 9.47 | 11.55 | |
| Non più disponibile, nessuna sostituzione | ||||
| 814 | 2600905052 | |||
| Non più disponibile, nessuna sostituzione | ||||
| 850 | 2608584002 | |||
| Targhetta | ||||
| 888 | 160111A3H3 | 2.18 | 2.66 | |