Qui troverai tutte le parti e i disegni disponibili di “Bosch 0603268703 ( PHG600-E )”. Da qui puoi ordinare direttamente tutte le parti desiderate. Molte parti devono essere ordinate dal produttore, a seconda della marca, ciò richiede da una a quattro settimane. Tutte le informazioni che abbiamo sono sul nostro sito web, non possiamo consigliarti su ciò di cui hai bisogno, per questo dovrai restituire la macchina per la riparazione. Nota quanto segue al momento dell’ordinazione:
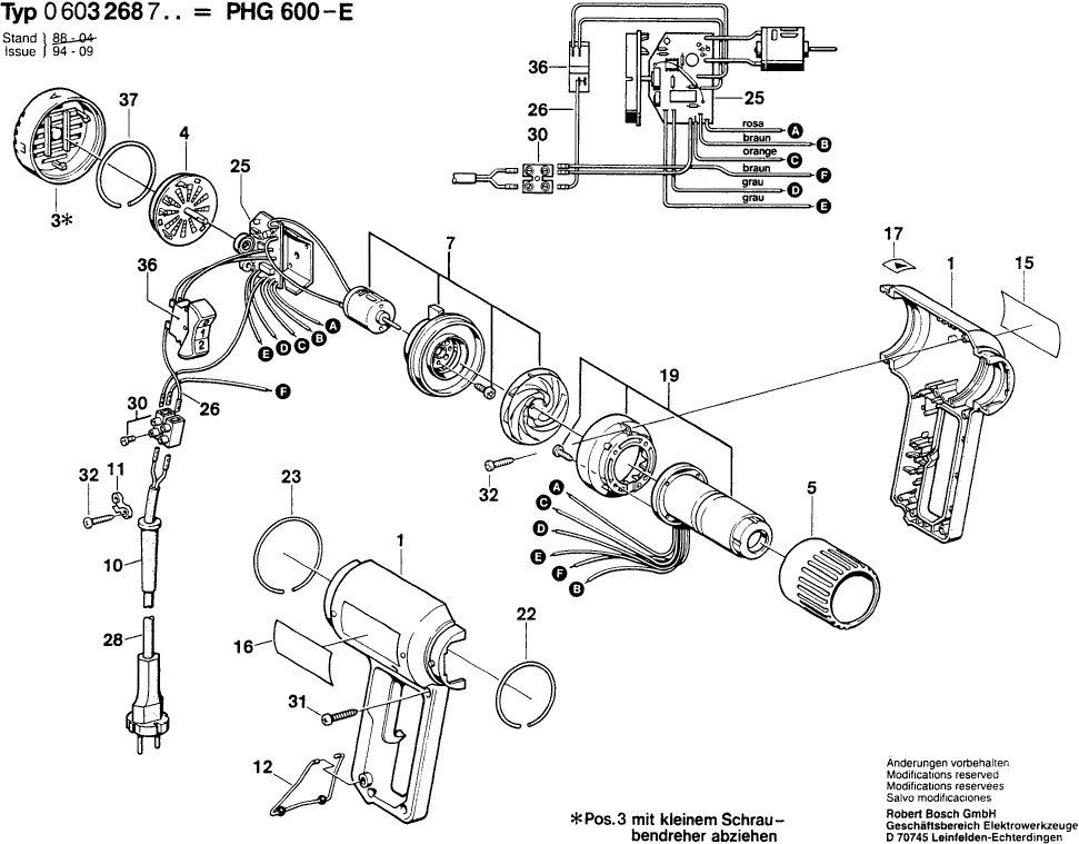
Disegni tecnici di Bosch 0603268703 ( PHG600-E )
Elenco parti di Bosch 0603268703 ( PHG600-E )
| Pos. | Descrizione | Prezzo IVA escl | Prezzo IVA incl | |
| I prezzi indicati sono comprensivi di IVA | ||||
| Casa del Motore VERDE | ||||
| 1 | 1609201481 | 18.19 | 22.19 | |
| Cappuccio di tenuta | ||||
| 3 | 1609201571 | 7.58 | 9.25 | |
| Disco Fessurato | ||||
| 4 | 1609201483 | 5.33 | 6.50 | |
| Tubo protettivo | ||||
| 5 | 1609201484 | 8.48 | 10.35 | |
| Motore a corrente continua | ||||
| 7 | 1609201572 | 13.90 | 16.96 | |
| OCCHIELLO | ||||
| 10 | 1609202793 | 2.18 | 2.66 | |
| Morsetto di fissaggio | ||||
| 11 | 1609201487 | 1.18 | 1.44 | |
| Staffa di supporto | ||||
| 12 | 1609202794 | 1.90 | 2.32 | |
| Non più disponibile, nessuna sostituzione | ||||
| 13 | 1609201489 | |||
| Targhetta del produttore GBH 2000 | ||||
| 15 | 1601110367 | 0.83 | 1.01 | |
| Targhetta | ||||
| 16 | 1601110368 | 0.83 | 1.01 | |
| Adesivo ROSSO | ||||
| 17 | 1601110369 | 2.24 | 2.73 | |
| Non più disponibile, nessuna sostituzione | ||||
| 19 | 1609201573 | |||
| Anello di ritenzione | ||||
| 22 | 1609201490 | 1.90 | 2.32 | |
| Anello di ritenuta CA.Ø2,5xØ62 MM | ||||
| 23 | 1609201491 | 1.70 | 2.07 | |
| Non più disponibile, nessuna sostituzione | ||||
| 25 | 1609201574 | |||
| Cavo di connessione | ||||
| 26 | 1609201492 | 2.24 | 2.73 | |
| Non più disponibile, nessuna sostituzione | ||||
| 28 | 1609201493 | |||
| FERMAGLIO PER CAVO | ||||
| 30 | 1609390042 | 1.32 | 1.61 | |
| Vite da lamiera DIN 7983-B2,9x16 | ||||
| 31 | 2910615507 | 1.70 | 2.07 | |
| Vite della piastra | ||||
| 32 | 2910614406 | 1.00 | 1.22 | |
| Interruttore on-off | ||||
| 36 | 1609201500 | 9.47 | 11.55 | |
| Anello di serraggio Ø1,5xØ47 MM | ||||
| 37 | 1609201723 | 1.18 | 1.44 | |
| Nessuna informazione disponibile, non ordinabile | ||||
| 702 | 1609390451 | |||
| Nessuna informazione disponibile, non ordinabile | ||||
| 703 | 1609390452 | |||
| Nessuna informazione disponibile, non ordinabile | ||||
| 704 | 1609390453 | |||
| Nessuna informazione disponibile, non ordinabile | ||||
| 705 | 1609201648 | |||
| Nessuna informazione disponibile, non ordinabile | ||||
| 708 | 1609201751 | |||
| Non più disponibile, nessuna sostituzione | ||||
| 709 | 1609201752 | |||
| Non più disponibile, nessuna sostituzione | ||||
| 715 | 1609390450 | |||
| Set di Coltelli | ||||
| 715/10 | 1609201745 | 8.45 | 10.31 | |
| Set di Coltelli | ||||
| 715/20 | 1609201746 | 8.45 | 10.31 | |
| Rondella piana | ||||
| 715/30 | 2916011015 | 1.00 | 1.22 | |
| Dado esagonale | ||||
| 715/40 | 2915011009 | 2.18 | 2.66 | |