Qui troverai tutte le parti e i disegni disponibili di “Bosch 0603363003 ( PFZ600 )”. Da qui puoi ordinare direttamente tutte le parti desiderate. Molte parti devono essere ordinate dal produttore, a seconda della marca, ciò richiede da una a quattro settimane. Tutte le informazioni che abbiamo sono sul nostro sito web, non possiamo consigliarti su ciò di cui hai bisogno, per questo dovrai restituire la macchina per la riparazione. Nota quanto segue al momento dell’ordinazione:
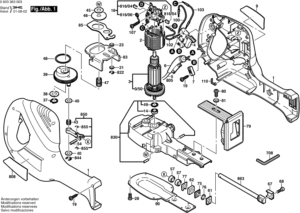
Disegni tecnici di Bosch 0603363003 ( PFZ600 )
Elenco parti di Bosch 0603363003 ( PFZ600 )
| Pos. | Descrizione | Prezzo IVA escl | Prezzo IVA incl | |
| I prezzi indicati sono comprensivi di IVA | ||||
| Sezione Casing VERDE | ||||
| 1 | 2605104604 | 23.75 | 28.98 | |
| Campo 230V | ||||
| 2 | 2604220647 | 17.60 | 21.47 | |
| Indotto 230-240V | ||||
| 3 | 2604011219 | 49.56 | 60.46 | |
| Ventola Sunon PMD2412PMB1-A | ||||
| 3/50 | 2606610093 | 2.52 | 3.07 | |
| Interruttore | ||||
| 4 | 2607200532 | 11.88 | 14.49 | |
| OCCHIELLO | ||||
| 6 | 2600703017 | 2.18 | 2.66 | |
| Morsetto del cavo | ||||
| 7 | 2601035001 | 1.32 | 1.61 | |
| Adesivo | ||||
| 9 | 2601119608 | 2.71 | 3.31 | |
| CUSCINETTO A SFERE OSC 18 | ||||
| 14 | 2600905095 | 10.68 | 13.03 | |
| Piastra della spazzola | ||||
| 16 | 2605807082 | 26.62 | 32.48 | |
| Vite a testa ovale Torx 4x30 | ||||
| 19 | 2603490022 | 1.00 | 1.22 | |
| Rondella di compensazione | ||||
| 21 | 2600100103 | 0.83 | 1.01 | |
| Rondella di compensazione | ||||
| 23 | 2600100525 | 1.00 | 1.22 | |
| Vite formante a filettatura M6x25 MM | ||||
| 28 | 2603410049 | 1.32 | 1.61 | |
| Anello di bloccaggio | ||||
| 37 | 2916650903 | 1.32 | 1.61 | |
| Rondella di compensazione | ||||
| 38 | 2600105001 | 1.00 | 1.22 | |
| Ruota dentata eccentrica | ||||
| 39 | 2606320062 | 33.45 | 40.81 | |
| Rondella Di Compensazione 0,5 MM | ||||
| 40 | 2600100623 | 1.18 | 1.44 | |
| Manicotto ad ago AGC 18 | ||||
| 43 | 1610910057 | 2.52 | 3.07 | |
| Rondella di regolazione 0,4 MM DI SPESSORE | ||||
| 45 | 2600105109 | 2.24 | 2.73 | |
| Rondella di compensazione | ||||
| 46 | 2600105013 | 1.70 | 2.07 | |
| Assemblea di aghi rotanti | ||||
| 47 | 2600913008 | 5.96 | 7.27 | |
| Rondella di compensazione | ||||
| 48 | 2600105004 | 1.70 | 2.07 | |
| Anello di bloccaggio | ||||
| 49 | 2916660008 | 1.90 | 2.32 | |
| Perno Di Pivot | ||||
| 54 | 2603105065 | 1.32 | 1.61 | |
| Boccola in Metallo Sinterizzato | ||||
| 57 | 2600302022 | 2.18 | 2.66 | |
| Disco di tenuta | ||||
| 61 | 2601334011 | 1.00 | 1.22 | |
| Disco di feltro | ||||
| 62 | 2600108078 | 1.00 | 1.22 | |
| Non più disponibile, nessuna sostituzione | ||||
| 67 | 2601321012 | |||
| Vite a brugola | ||||
| 68 | 2910405154 | 1.00 | 1.22 | |
| Guarnizione in gomma | ||||
| 75 | 2601015082 | 1.32 | 1.61 | |
| Spazzola | ||||
| 76 | 2600101038 | 1.00 | 1.22 | |
| PIASTRA DI SUPPORTO | ||||
| 77 | 2601334012 | 1.00 | 1.22 | |
| Non più disponibile, nessuna sostituzione | ||||
| 79 | 2608000239 | |||
| Vite di grasso AW 10 3x25 | ||||
| 80 | 2603414007 | 1.00 | 1.22 | |
| Rondella piana | ||||
| 81 | 3600100002 | 1.00 | 1.22 | |
| Contrappeso | ||||
| 83 | 2608012009 | 8.48 | 10.35 | |
| Leva a forcella | ||||
| 85 | 2601923011 | 4.58 | 5.59 | |
| Coperchio dell'ingranaggio | ||||
| 90 | 2605500142 | 3.04 | 3.71 | |
| Conduttore di terra | ||||
| 100 | 2604448217 | 2.18 | 2.66 | |
| Cavo Di Connessione L=220 MM BIANCO | ||||
| 102 | 2604448127 | 0.83 | 1.01 | |
| Cavo di connessione | ||||
| 103 | 2604448220 | 1.94 | 2.37 | |
| Vite a testa ovale Torx 4x30 | ||||
| 107 | 2603490024 | 1.32 | 1.61 | |
| Molla di contatto | ||||
| 110 | 2601329057 | 2.18 | 2.66 | |
| Cacciavite Spostato | ||||
| 708 | 2607950004 | 1.32 | 1.61 | |
| Cavo di alimentazione | ||||
| 805 | 1607000388 | 10.68 | 13.03 | |
| Piastra di tipo HK 85 EB 230V | ||||
| 808 | 2601117030 | 2.71 | 3.31 | |
| Non più disponibile, nessuna sostituzione | ||||
| 816/04 | 2604320914 | |||
| Molla a spirale AGC 18 | ||||
| 816/06 | 1604652013 | 1.32 | 1.61 | |
| Anello di bloccaggio | ||||
| 822 | 2916080909 | 1.00 | 1.22 | |
| Carter del ingranaggio | ||||
| 830 | 2605806897 | 49.56 | 60.46 | |
| Anello di bloccaggio | ||||
| 844 | 2916080910 | 1.90 | 2.32 | |
| ASTA CONICA | ||||
| 850 | 2602130903 | 20.42 | 24.91 | |
| Anello di bloccaggio | ||||
| 855 | 2916080007 | 2.18 | 2.66 | |
| Non più disponibile, nessuna sostituzione | ||||
| 863 | 2600780910 | |||