Qui troverai tutte le parti e i disegni disponibili di “Bosch 0603298703 ( PEX15AE )”. Da qui puoi ordinare direttamente tutte le parti desiderate. Molte parti devono essere ordinate dal produttore, a seconda della marca, ciò richiede da una a quattro settimane. Tutte le informazioni che abbiamo sono sul nostro sito web, non possiamo consigliarti su ciò di cui hai bisogno, per questo dovrai restituire la macchina per la riparazione. Nota quanto segue al momento dell’ordinazione:
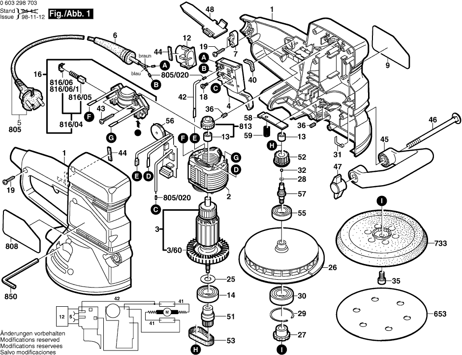
Disegni tecnici di Bosch 0603298703 ( PEX15AE )
Elenco parti di Bosch 0603298703 ( PEX15AE )
| Pos. | Descrizione | Prezzo IVA escl | Prezzo IVA incl | |
| I prezzi indicati sono comprensivi di IVA | ||||
| Non più disponibile, nessuna sostituzione | ||||
| 1 | 2605104388 | |||
| Campo 230V | ||||
| 2 | 2604220526 | 20.39 | 24.88 | |
| STATORE 230V | ||||
| 3 | 2604010881 | 44.82 | 54.68 | |
| Ventola Sunon PMD2412PMB1-A | ||||
| 3/60 | 2606610055 | 3.71 | 4.53 | |
| Interruttore | ||||
| 4 | 2607200260 | 9.47 | 11.55 | |
| OCCHIELLO | ||||
| 6 | 2600703017 | 2.18 | 2.66 | |
| Morsetto del cavo | ||||
| 7 | 2601035004 | 1.90 | 2.32 | |
| Targa del produttore LATO SOLE | ||||
| 9 | 2601118312 | 1.94 | 2.37 | |
| Non più disponibile, nessuna sostituzione | ||||
| 12 | 1607328028 | |||
| Manicotto ad ago AGC 18 | ||||
| 13 | 2600917002 | 3.04 | 3.71 | |
| CUSCINETTO A SFERE OSC 18 | ||||
| 14 | 2600905034 | 11.02 | 13.44 | |
| Non più disponibile, nessuna sostituzione | ||||
| 16 | 2604337118 | |||
| Vite a testa cilindrica | ||||
| 18 | 2603410001 | 1.32 | 1.61 | |
| Vite a testa ovale Torx 4x30 | ||||
| 19 | 2603490021 | 1.00 | 1.22 | |
| Rondella piana | ||||
| 25 | 2600100041 | 1.32 | 1.61 | |
| Ventola Sunon PMD2412PMB1-A | ||||
| 26 | 2606610066 | 13.93 | 16.99 | |
| Non più disponibile, nessuna sostituzione | ||||
| 27 | 2606490053 | |||
| Rondella di compensazione | ||||
| 28 | 2600000024 | 1.00 | 1.22 | |
| Rondella di compensazione | ||||
| 28 | 2600000022 | 1.00 | 1.22 | |
| Anello di bloccaggio | ||||
| 29 | 2600116014 | 1.00 | 1.22 | |
| Non più disponibile, nessuna sostituzione | ||||
| 30 | 2600905111 | |||
| Molla di contatto | ||||
| 31 | 2601329057 | 2.18 | 2.66 | |
| Palla | ||||
| 32 | 1903230007 | 1.32 | 1.61 | |
| Vite a brugola | ||||
| 35 | 2910130238 | 1.00 | 1.22 | |
| Paracolpi in gomma | ||||
| 36 | 1603100036 | 1.32 | 1.61 | |
| Non più disponibile, nessuna sostituzione | ||||
| 40 | 2601022000 | |||
| Cavo di connessione | ||||
| 42 | 2604448166 | 1.18 | 1.44 | |
| Vite a testa ovale Torx 4x30 | ||||
| 43 | 2603490023 | 1.00 | 1.22 | |
| Striscia Di Guarnizione | ||||
| 44 | 2602380003 | 1.18 | 1.44 | |
| Non più disponibile, nessuna sostituzione | ||||
| 45 | 2602025068 | |||
| Vite a testa cilindrica | ||||
| 46 | 2910285226 | 1.32 | 1.61 | |
| Dado esagonale | ||||
| 47 | 2610387875 | 2.18 | 2.66 | |
| Spingitore | ||||
| 48 | 2608005043 | 1.00 | 1.22 | |
| Non più disponibile, nessuna sostituzione | ||||
| 51 | 2606625014 | |||
| Non più disponibile, nessuna sostituzione | ||||
| 52 | 2606625015 | |||
| Cinghia Dentata Z=75 | ||||
| 53 | 2604736009 | 7.32 | 8.93 | |
| Non più disponibile, nessuna sostituzione | ||||
| 55 | 2600923002 | |||
| Regolatore di velocità 230-240V | ||||
| 56 | 2608300008 | 44.82 | 54.68 | |
| ALBERO DI USCITA SA | ||||
| 57 | 2603124116 | 9.53 | 11.63 | |
| Non più disponibile, nessuna sostituzione | ||||
| 58 | 2601901006 | |||
| Molla compressione | ||||
| 59 | 2604610032 | 1.18 | 1.44 | |
| Vite a testa ovale Torx 4x30 | ||||
| 60 | 2603490022 | 1.00 | 1.22 | |
| Nessuna informazione disponibile, non ordinabile | ||||
| 733 | 2608601053 | |||
| Nessuna informazione disponibile, non ordinabile | ||||
| 754 | 2605411067 | |||
| Nessuna informazione disponibile, non ordinabile | ||||
| 757 | 2600282014 | |||
| Cavo di alimentazione | ||||
| 805 | 1607000388 | 10.68 | 13.03 | |
| Piastra di tipo HK 85 EB 230V | ||||
| 808 | 2601119235 | 2.71 | 3.31 | |
| Manicotto ad ago AGC 18 | ||||
| 813 | 2600917002 | 3.04 | 3.71 | |
| Non più disponibile, nessuna sostituzione | ||||
| 816/04 | 2604321917 | |||
| Molla compressione | ||||
| 816/05 | 2604610026 | 2.18 | 2.66 | |
| Cappuccio a cricchetto | ||||
| 816/06 | 2601329051 | 1.32 | 1.61 | |
| Cappuccio a cricchetto | ||||
| 816/06/1 | 2601322013 | 1.32 | 1.61 | |
| Cacciavite Spostato | ||||
| 850 | 1907950006 | 3.71 | 4.53 | |
| Chiave a brugola | ||||
| 850 | 2610364015 | 3.04 | 3.71 | |