Qui troverai tutte le parti e i disegni disponibili di “Bosch 0603283208 ( PEX125A-1 )”. Da qui puoi ordinare direttamente tutte le parti desiderate. Molte parti devono essere ordinate dal produttore, a seconda della marca, ciò richiede da una a quattro settimane. Tutte le informazioni che abbiamo sono sul nostro sito web, non possiamo consigliarti su ciò di cui hai bisogno, per questo dovrai restituire la macchina per la riparazione. Nota quanto segue al momento dell’ordinazione:
Disegni tecnici di Bosch 0603283208 ( PEX125A-1 )
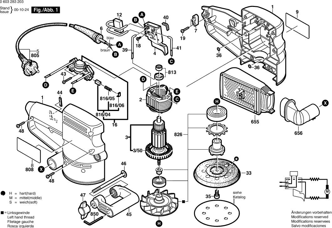
Elenco parti di Bosch 0603283208 ( PEX125A-1 )
| Pos. | Descrizione | Prezzo IVA escl | Prezzo IVA incl | |
| I prezzi indicati sono comprensivi di IVA | ||||
| Sezione Casing VERDE | ||||
| 1 | 2605104288 | 15.71 | 19.17 | |
| Campo 230V | ||||
| 2 | 2604220538 | 15.71 | 19.17 | |
| Non più disponibile, nessuna sostituzione | ||||
| 3 | 2604011018 | |||
| Ventola Sunon PMD2412PMB1-A | ||||
| 3/50 | 2606610079 | 3.31 | 4.04 | |
| Interruttore | ||||
| 4 | 2607200260 | 9.47 | 11.55 | |
| Non più disponibile, nessuna sostituzione | ||||
| 6 | 2600703007 | |||
| Morsetto del cavo | ||||
| 7 | 2601035004 | 1.90 | 2.32 | |
| Targhetta del produttore GBH 2000 | ||||
| 9 | 2601119195 | 2.71 | 3.31 | |
| Non più disponibile, nessuna sostituzione | ||||
| 12 | 1607328028 | |||
| Non più disponibile, nessuna sostituzione | ||||
| 16 | 2604337118 | |||
| Vite a testa cilindrica | ||||
| 18 | 2603410001 | 1.32 | 1.61 | |
| Vite a testa ovale Torx 4x30 | ||||
| 19 | 2603490021 | 1.00 | 1.22 | |
| Tampone di Sostegno | ||||
| 33 | 2608601902 | 22.88 | 27.91 | |
| Non più disponibile, nessuna sostituzione | ||||
| 35 | 2910975197 | |||
| Non più disponibile, nessuna sostituzione | ||||
| 36 | 2600210036 | |||
| Cavo di collegamento L=154 MM BIANCO | ||||
| 39 | 2604448000 | 1.18 | 1.44 | |
| Non più disponibile, nessuna sostituzione | ||||
| 40 | 2601022000 | |||
| Cavo Elettrico | ||||
| 41 | 1614431010 | 3.04 | 3.71 | |
| Vite a testa ovale Torx 4x30 | ||||
| 43 | 2603490023 | 1.00 | 1.22 | |
| Striscia Di Guarnizione | ||||
| 44 | 2602380003 | 1.18 | 1.44 | |
| Non più disponibile, nessuna sostituzione | ||||
| 45 | 2602025058 | |||
| Vite a testa cilindrica | ||||
| 46 | 2910285226 | 1.32 | 1.61 | |
| Dado esagonale | ||||
| 47 | 2610387875 | 2.18 | 2.66 | |
| Vite a testa ovale Torx 4x30 | ||||
| 48 | 2603490022 | 1.00 | 1.22 | |
| Non più disponibile, nessuna sostituzione | ||||
| 655 | 2605411121 | |||
| Raccordo | ||||
| 656 | 2605702038 | 4.58 | 5.59 | |
| Cavo di alimentazione | ||||
| 805 | 1607000388 | 10.68 | 13.03 | |
| Targhetta | ||||
| 808 | 2601117900 | 0.83 | 1.01 | |
| Non più disponibile, nessuna sostituzione | ||||
| 813 | 2605805005 | |||
| KIT DI SERVIZIO 115V | ||||
| 816/04 | 2604321905 | 9.47 | 11.55 | |
| Molla compressione | ||||
| 816/05 | 2604610026 | 2.18 | 2.66 | |
| Cappuccio a cricchetto | ||||
| 816/06 | 2601322013 | 1.32 | 1.61 | |
| Non più disponibile, nessuna sostituzione | ||||
| 826 | 2606610902 | |||
| Cacciavite Spostato | ||||
| 850 | 2607950004 | 1.32 | 1.61 | |