Qui troverai tutte le parti e i disegni disponibili di “Bosch 0603310703 ( PEX12AE )”. Da qui puoi ordinare direttamente tutte le parti desiderate. Molte parti devono essere ordinate dal produttore, a seconda della marca, ciò richiede da una a quattro settimane. Tutte le informazioni che abbiamo sono sul nostro sito web, non possiamo consigliarti su ciò di cui hai bisogno, per questo dovrai restituire la macchina per la riparazione. Nota quanto segue al momento dell’ordinazione:
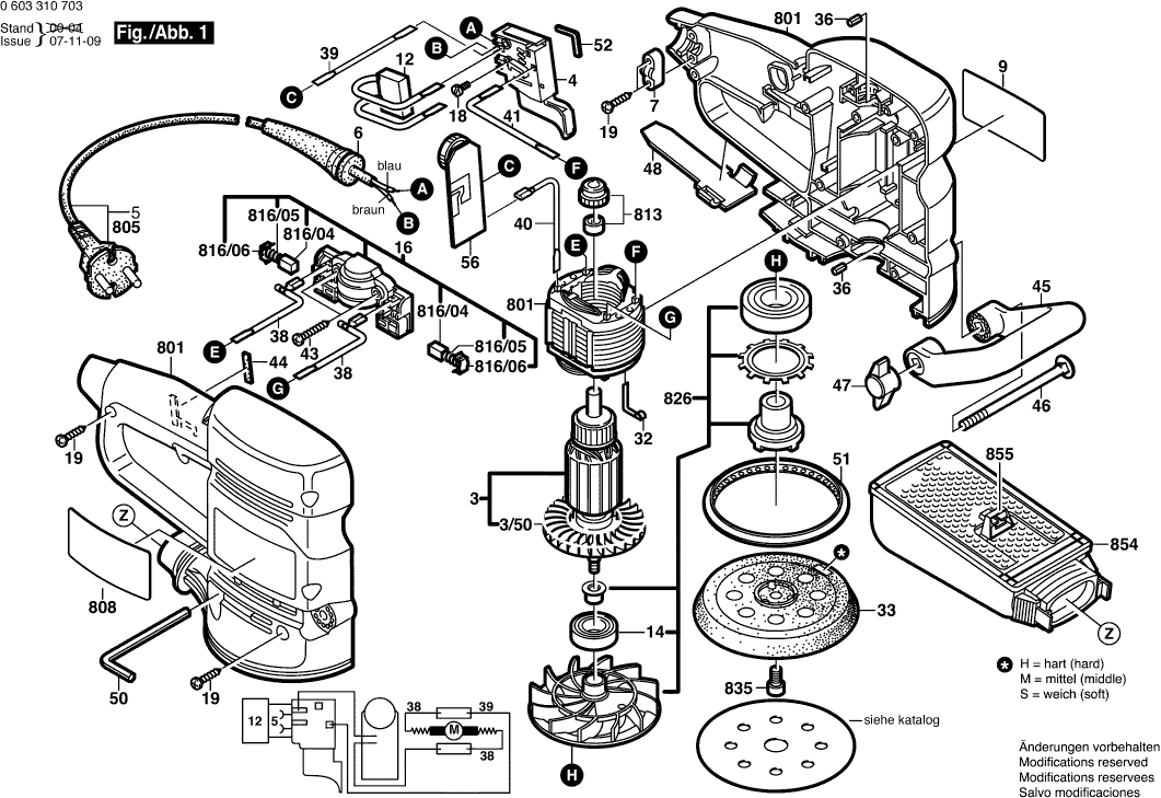
Disegni tecnici di Bosch 0603310703 ( PEX12AE )
Elenco parti di Bosch 0603310703 ( PEX12AE )
| Pos. | Descrizione | Prezzo IVA escl | Prezzo IVA incl | |
| I prezzi indicati sono comprensivi di IVA | ||||
| Non più disponibile, nessuna sostituzione | ||||
| 3 | 2604011265 | |||
| Non più disponibile, nessuna sostituzione | ||||
| 3/50 | 2606610077 | |||
| Interruttore | ||||
| 4 | 2607200260 | 9.47 | 11.55 | |
| OCCHIELLO | ||||
| 6 | 2600703017 | 2.18 | 2.66 | |
| Morsetto del cavo | ||||
| 7 | 2601035001 | 1.32 | 1.61 | |
| Targa del produttore LATO SOLE | ||||
| 9 | 2601118416 | 1.94 | 2.37 | |
| Non più disponibile, nessuna sostituzione | ||||
| 12 | 1607328028 | |||
| CUSCINETTO A SFERE OSC 18 | ||||
| 14 | 2600905034 | 11.02 | 13.44 | |
| Piastra della spazzola | ||||
| 16 | 2604337118 | 22.88 | 27.91 | |
| Vite a testa cilindrica | ||||
| 18 | 2603410001 | 1.32 | 1.61 | |
| Vite a testa ovale Torx 4x30 | ||||
| 19 | 2603490022 | 1.00 | 1.22 | |
| Molla di contatto | ||||
| 32 | 2601329057 | 2.18 | 2.66 | |
| Tampone di Sostegno | ||||
| 33 | 2608601902 | 22.88 | 27.91 | |
| Paracolpi in gomma | ||||
| 36 | 1603100036 | 1.32 | 1.61 | |
| Cavo di connessione | ||||
| 38 | 2604448180 | 1.00 | 1.22 | |
| Cavo di connessione | ||||
| 40 | 2604448181 | 1.90 | 2.32 | |
| Cavo Di Connessione L=83 MM BIANCO | ||||
| 41 | 2604448183 | 1.70 | 2.07 | |
| Vite a testa ovale Torx 4x30 | ||||
| 43 | 2603490023 | 1.00 | 1.22 | |
| Striscia Di Guarnizione | ||||
| 44 | 2602380003 | 1.18 | 1.44 | |
| Non più disponibile, nessuna sostituzione | ||||
| 45 | 2602025068 | |||
| Vite a testa cilindrica | ||||
| 46 | 2910285226 | 1.32 | 1.61 | |
| Dado esagonale | ||||
| 47 | 2610387875 | 2.18 | 2.66 | |
| Spingitore | ||||
| 48 | 2608005043 | 1.00 | 1.22 | |
| Cacciavite Spostato | ||||
| 50 | 1907950006 | 3.71 | 4.53 | |
| Chiave a brugola | ||||
| 50 | 2610364015 | 3.04 | 3.71 | |
| Non più disponibile, nessuna sostituzione | ||||
| 51 | 2600206015 | |||
| Non più disponibile, nessuna sostituzione | ||||
| 52 | 2601022000 | |||
| Attuatore RPM 230-240V | ||||
| 56 | 2607233023 | 22.88 | 27.91 | |
| SACCO PER LA POLVERE | ||||
| 654 | 2605411069 | 3.04 | 3.71 | |
| Sezione di alloggiamento | ||||
| 801 | 2605104800 | 36.85 | 44.96 | |
| Cavo di alimentazione | ||||
| 805 | 1607000388 | 10.68 | 13.03 | |
| Targhetta | ||||
| 808 | 2601119287 | 2.71 | 3.31 | |
| Non più disponibile, nessuna sostituzione | ||||
| 813 | 2605805005 | |||
| Non più disponibile, nessuna sostituzione | ||||
| 816/04 | 2604321917 | |||
| Molla compressione | ||||
| 816/05 | 2604610026 | 2.18 | 2.66 | |
| Cappuccio a cricchetto | ||||
| 816/06 | 2601322013 | 1.32 | 1.61 | |
| Cappuccio a cricchetto | ||||
| 816/06 | 2601329051 | 1.32 | 1.61 | |
| Non più disponibile, nessuna sostituzione | ||||
| 826 | 2606610901 | |||
| Vite a brugola | ||||
| 835 | 2603414062 | 1.90 | 2.32 | |
| Camera della polvere WH V2 JP | ||||
| 854 | 1619X06377 | 10.68 | 13.03 | |
| Adattatore | ||||
| 855 | 2605702039 | 4.58 | 5.59 | |