Qui troverai tutte le parti e i disegni disponibili di “Bosch 0603282703 ( PEX115AE )”. Da qui puoi ordinare direttamente tutte le parti desiderate. Molte parti devono essere ordinate dal produttore, a seconda della marca, ciò richiede da una a quattro settimane. Tutte le informazioni che abbiamo sono sul nostro sito web, non possiamo consigliarti su ciò di cui hai bisogno, per questo dovrai restituire la macchina per la riparazione. Nota quanto segue al momento dell’ordinazione:
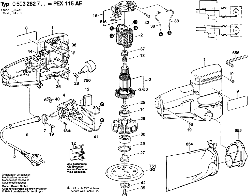
Disegni tecnici di Bosch 0603282703 ( PEX115AE )
Elenco parti di Bosch 0603282703 ( PEX115AE )
| Pos. | Descrizione | Prezzo IVA escl | Prezzo IVA incl | |
| I prezzi indicati sono comprensivi di IVA | ||||
| Sezione Casing VERDE | ||||
| 1 | 2605104287 | 13.93 | 16.99 | |
| Non più disponibile, nessuna sostituzione | ||||
| 2 | 2604220507 | |||
| Armatura 220V | ||||
| 3 | 2604010750 | 36.85 | 44.96 | |
| Ventola Sunon PMD2412PMB1-A | ||||
| 3/50 | 2606610055 | 3.71 | 4.53 | |
| Non più disponibile, nessuna sostituzione | ||||
| 4 | 2607200358 | |||
| Cavo di alimentazione | ||||
| 5 | 1607000388 | 10.68 | 13.03 | |
| Anello passante Ø6,5-Ø6,9x95 MM | ||||
| 6 | 2600703031 | 1.94 | 2.37 | |
| Morsetto del cavo | ||||
| 7 | 2601035001 | 1.32 | 1.61 | |
| Targhetta | ||||
| 8 | 2601118176 | 0.83 | 1.01 | |
| Targhetta del produttore GBH 2000 | ||||
| 9 | 2601110946 | 2.24 | 2.73 | |
| Non più disponibile, nessuna sostituzione | ||||
| 12 | 1607328028 | |||
| Manicotto ad ago AGC 18 | ||||
| 13 | 2600917002 | 3.04 | 3.71 | |
| CUSCINETTO A SFERE OSC 18 | ||||
| 14 | 2600905034 | 11.02 | 13.44 | |
| Non più disponibile, nessuna sostituzione | ||||
| 16 | 2604337118 | |||
| Vite a testa cilindrica | ||||
| 18 | 2603410001 | 1.32 | 1.61 | |
| Vite a testa ovale Torx 4x30 | ||||
| 19 | 2603490021 | 1.00 | 1.22 | |
| Rondella piana | ||||
| 25 | 2600100041 | 1.32 | 1.61 | |
| Ventola Sunon PMD2412PMB1-A | ||||
| 26 | 2606610057 | 12.41 | 15.14 | |
| Non più disponibile, nessuna sostituzione | ||||
| 27 | 2600328016 | |||
| Dado Quadro | ||||
| 28 | 2915121006 | 2.18 | 2.66 | |
| Anello di bloccaggio | ||||
| 29 | 2600116014 | 1.00 | 1.22 | |
| Non più disponibile, nessuna sostituzione | ||||
| 30 | 2600905111 | |||
| Non più disponibile, nessuna sostituzione | ||||
| 35 | 2910975197 | |||
| Anello O | ||||
| 36 | 1900210000 | 1.32 | 1.61 | |
| Non più disponibile, nessuna sostituzione | ||||
| 37 | 2600222002 | |||
| Cavo di connessione | ||||
| 38 | 2604448139 | 1.18 | 1.44 | |
| Cavo di collegamento L=154 MM BIANCO | ||||
| 39 | 2604448000 | 1.18 | 1.44 | |
| Non più disponibile, nessuna sostituzione | ||||
| 40 | 2601022000 | |||
| Cavo Elettrico | ||||
| 41 | 1614431010 | 3.04 | 3.71 | |
| Non più disponibile, nessuna sostituzione | ||||
| 42 | 2600190150 | |||
| Vite a testa ovale Torx 4x30 | ||||
| 43 | 2603490023 | 1.00 | 1.22 | |
| Striscia Di Guarnizione | ||||
| 44 | 2602380003 | 1.18 | 1.44 | |
| Vite a testa ovale Torx 4x30 | ||||
| 45 | 2603490022 | 1.00 | 1.22 | |
| Nessuna informazione disponibile, non ordinabile | ||||
| 654 | 2605411009 | |||
| Non più disponibile, nessuna sostituzione | ||||
| 655 | 2605702012 | |||
| Cacciavite Spostato | ||||
| 656 | 2607950004 | 1.32 | 1.61 | |
| Non più disponibile, nessuna sostituzione | ||||
| 750 | 2602026046 | |||
| Nessuna informazione disponibile, non ordinabile | ||||
| 751 | 2608601066 | |||
| KIT DI SERVIZIO 115V | ||||
| 816 | 2604321905 | 9.47 | 11.55 | |