Qui troverai tutte le parti e i disegni disponibili di “Bosch 0603307708 ( PDA120E )”. Da qui puoi ordinare direttamente tutte le parti desiderate. Molte parti devono essere ordinate dal produttore, a seconda della marca, ciò richiede da una a quattro settimane. Tutte le informazioni che abbiamo sono sul nostro sito web, non possiamo consigliarti su ciò di cui hai bisogno, per questo dovrai restituire la macchina per la riparazione. Nota quanto segue al momento dell’ordinazione:
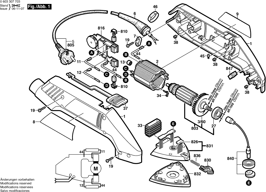
Disegni tecnici di Bosch 0603307708 ( PDA120E )
Elenco parti di Bosch 0603307708 ( PDA120E )
| Pos. | Descrizione | Prezzo IVA escl | Prezzo IVA incl | |
| I prezzi indicati sono comprensivi di IVA | ||||
| Sezione Casing VERDE | ||||
| 1 | 2605104408 | 11.88 | 14.49 | |
| Campo 230-240V | ||||
| 2 | 2604220518 | 33.45 | 40.81 | |
| Non più disponibile, nessuna sostituzione | ||||
| 3/60 | 2606610083 | |||
| OCCHIELLO | ||||
| 6 | 2600703017 | 2.18 | 2.66 | |
| Morsetto del cavo | ||||
| 7 | 2601035001 | 1.32 | 1.61 | |
| Piastra di tipo HK 85 EB 230V | ||||
| 8 | 2601119458 | 2.71 | 3.31 | |
| Targa del produttore LATO SOLE | ||||
| 9 | 2601118788 | 2.71 | 3.31 | |
| Cavo Di Connessione L = 37 MM BIANCO | ||||
| 11 | 2604448178 | 1.18 | 1.44 | |
| Cavo di connessione | ||||
| 12 | 2604448016 | 1.32 | 1.61 | |
| Manicotto ad ago AGC 18 | ||||
| 13 | 2600917002 | 3.04 | 3.71 | |
| Vite a testa ovale Torx 4x30 | ||||
| 19 | 2603490022 | 1.00 | 1.22 | |
| Non più disponibile, nessuna sostituzione | ||||
| 27 | 2600905060 | |||
| Collegamento flessibile | ||||
| 33 | 2600712003 | 1.94 | 2.37 | |
| Molla di contatto | ||||
| 34 | 2601329037 | 1.32 | 1.61 | |
| Non più disponibile, nessuna sostituzione | ||||
| 37 | 2602319008 | |||
| Paracolpi in gomma | ||||
| 38 | 2603100056 | 1.32 | 1.61 | |
| Cavo di connessione | ||||
| 44 | 2604448034 | 1.32 | 1.61 | |
| GHIERA | ||||
| 45 | 2600590010 | 3.31 | 4.04 | |
| Flangia di serraggio VN-HK 85 | ||||
| 46 | 2600290025 | 2.71 | 3.31 | |
| Indotto 230-240V | ||||
| 803 | 2604010931 | 44.82 | 54.68 | |
| Cavo di alimentazione | ||||
| 805 | 1607000388 | 10.68 | 13.03 | |
| Non più disponibile, nessuna sostituzione | ||||
| 810 | 2607014010 | |||
| Attuatore RPM 220-240V | ||||
| 816 | 2607233017 | 26.84 | 32.74 | |
| CUSCINETTO A RULLINI | ||||
| 826 | 2600917007 | 3.31 | 4.04 | |
| Non più disponibile, nessuna sostituzione | ||||
| 830 | 2608000144 | |||
| Non più disponibile, nessuna sostituzione | ||||
| 831 | 2601098901 | |||
| Non più disponibile, nessuna sostituzione | ||||
| 832 | 2608000143 | |||
| Non più disponibile, nessuna sostituzione | ||||
| 836 | 2604610034 | |||
| Non più disponibile, nessuna sostituzione | ||||
| 840 | 2603010002 | |||
| Pezzo guida | ||||
| 847 | 2608005068 | 0.83 | 1.01 | |