Qui troverai tutte le parti e i disegni disponibili di “Bosch 0603933827 ( PBM9,6VES-2 )”. Da qui puoi ordinare direttamente tutte le parti desiderate. Molte parti devono essere ordinate dal produttore, a seconda della marca, ciò richiede da una a quattro settimane. Tutte le informazioni che abbiamo sono sul nostro sito web, non possiamo consigliarti su ciò di cui hai bisogno, per questo dovrai restituire la macchina per la riparazione. Nota quanto segue al momento dell’ordinazione:
Disegni tecnici di Bosch 0603933827 ( PBM9,6VES-2 )
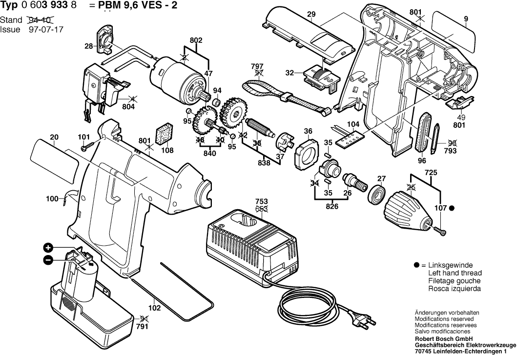
Elenco parti di Bosch 0603933827 ( PBM9,6VES-2 )
| Pos. | Descrizione | Prezzo IVA escl | Prezzo IVA incl | |
| I prezzi indicati sono comprensivi di IVA | ||||
| Targa del produttore LATO SOLE | ||||
| 9 | 2601118401 | 1.70 | 2.07 | |
| Piastra di riferimento LATO OMBRA | ||||
| 20 | 2601118402 | 1.70 | 2.07 | |
| Mandrino di Perforazione | ||||
| 26 | 2606135052 | 7.58 | 9.25 | |
| CUSCINETTO A SFERE OSC 18 | ||||
| 27 | 1900905127 | 26.62 | 32.48 | |
| Adattatore | ||||
| 28 | 2605719006 | 1.18 | 1.44 | |
| Pezzo di Inserimento NERO | ||||
| 29 | 2605510147 | 2.24 | 2.73 | |
| Non più disponibile, nessuna sostituzione | ||||
| 32 | 2601099032 | |||
| RUOTA | ||||
| 35 | 2602329024 | 1.18 | 1.44 | |
| Anello di bloccaggio | ||||
| 36 | 2600202025 | 4.70 | 5.73 | |
| Conducente | ||||
| 37 | 2606440002 | 2.24 | 2.73 | |
| Rondella 8X21X1 | ||||
| 47 | 2606316112 | 3.71 | 4.53 | |
| Inserto SYS-ISC 240 | ||||
| 49 | 2605510117 | 1.32 | 1.61 | |
| Boccola in Metallo Sinterizzato | ||||
| 94 | 2600301011 | 1.32 | 1.61 | |
| Boccola in Metallo Sinterizzato | ||||
| 95 | 2600302002 | 1.32 | 1.61 | |
| Intercalazione in gomma | ||||
| 96 | 2600290022 | 2.24 | 2.73 | |
| Molla di serraggio | ||||
| 100 | 2601322016 | 1.90 | 2.32 | |
| Vite della piastra | ||||
| 101 | 2912401420 | 1.00 | 1.22 | |
| Staffa di ritenuta | ||||
| 102 | 2601329041 | 1.32 | 1.61 | |
| Portacontatto | ||||
| 104 | 2608018004 | 5.27 | 6.43 | |
| Vite a testa svasata VN-HK 85 M5x10 | ||||
| 107 | 2603421227 | 1.18 | 1.44 | |
| Protezione contro la polvere | ||||
| 108 | 2601010057 | 0.83 | 1.01 | |
| Mandrino senza chiave | ||||
| 725 | 2608572214 | 45.52 | 55.53 | |
| Caricabatterie Veloce CN GAL 1230 CV 220/12 V | ||||
| 753 | 2607224705 | 146.07 | 178.21 | |
| Caricabatterie Veloce CN GAL 1230 CV 220/12 V | ||||
| 753 | 2607224431 | 146.07 | 178.21 | |
| Caricabatterie veloce EU 230/7,2-24V, 1h | ||||
| 753 | 2607224425 | 130.32 | 158.99 | |
| Caricabatterie Veloce CN GAL 1230 CV 220/12 V | ||||
| 753 | 2607224703 | 114.26 | 139.40 | |
| Caricabatterie Veloce CN GAL 1230 CV 220/12 V | ||||
| 753 | 2607224427 | 102.63 | 125.21 | |
| Caricabatterie Veloce EU 230/7,2-14,4V, 30 MIN. | ||||
| 753 | 2607224701 | 101.94 | 124.37 | |
| Caricabatterie veloce AUS 240/7,2-14,4V, 1h | ||||
| 753 | 2607224443 | 81.47 | 99.39 | |
| Pacco Batteria a Inserimento 9,6V, 1,5 Ah, NiCd | ||||
| 791 | 2607336143 | 101.94 | 124.37 | |
| Lama cacciavite 6 MM | ||||
| 793 | 1609200147 | 3.04 | 3.71 | |
| Non più disponibile, nessuna sostituzione | ||||
| 797 | 2601398009 | |||
| Sezione Casing VERDE | ||||
| 801 | 2605104855 | 12.41 | 15.14 | |
| Motore a corrente continua 9.6V | ||||
| 802 | 2607022923 | 15.71 | 19.17 | |
| Non più disponibile, nessuna sostituzione | ||||
| 804 | 2607200309 | |||
| Mandrino di perforazione 3/8" | ||||
| 826 | 2606135917 | 15.71 | 19.17 | |
| Albero calettato | ||||
| 838 | 2606309914 | 8.45 | 10.31 | |
| Albero Dentato Z=10/19/81 | ||||
| 840 | 1609340005 | 12.41 | 15.14 | |
| Nessuna informazione disponibile, non ordinabile | ||||
| 899 | 0603933827 | |||