Qui troverai tutte le parti e i disegni disponibili di “Bosch 0603376760 ( PBH200FRE )”. Da qui puoi ordinare direttamente tutte le parti desiderate. Molte parti devono essere ordinate dal produttore, a seconda della marca, ciò richiede da una a quattro settimane. Tutte le informazioni che abbiamo sono sul nostro sito web, non possiamo consigliarti su ciò di cui hai bisogno, per questo dovrai restituire la macchina per la riparazione. Nota quanto segue al momento dell’ordinazione:
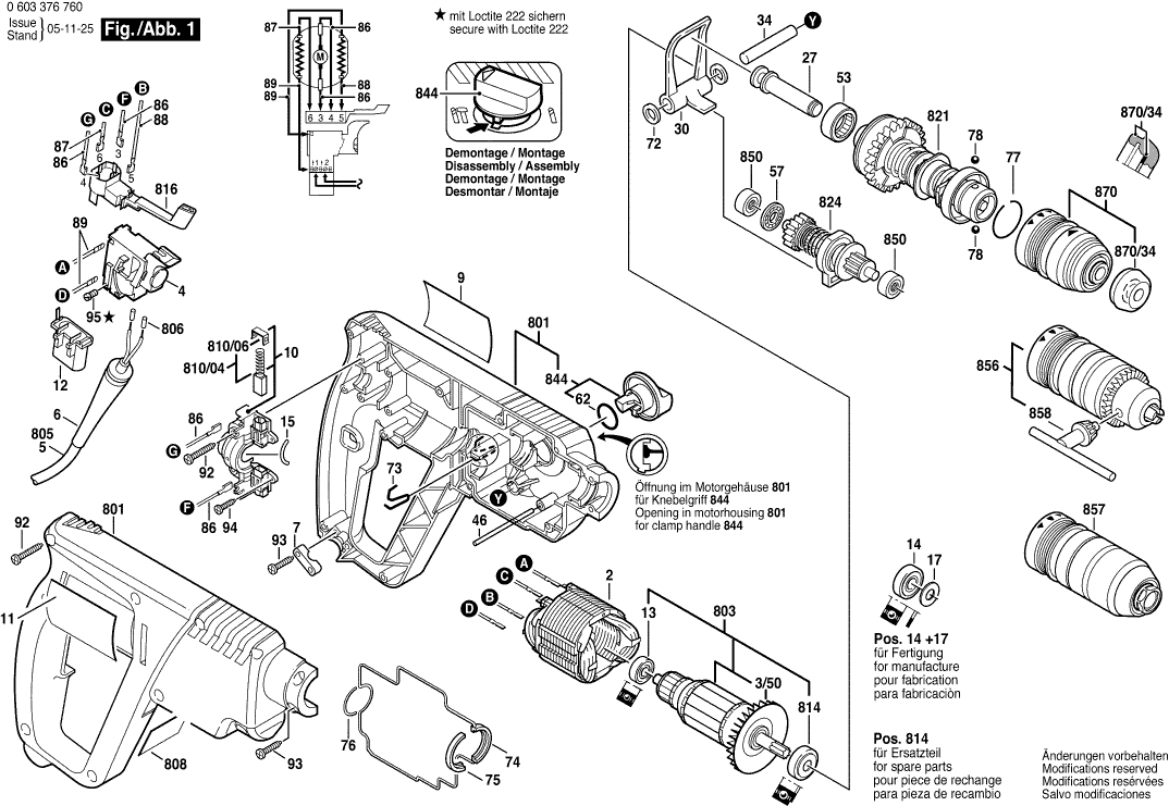
Disegni tecnici di Bosch 0603376760 ( PBH200FRE )
Elenco parti di Bosch 0603376760 ( PBH200FRE )
| Pos. | Descrizione | Prezzo IVA escl | Prezzo IVA incl | |
| I prezzi indicati sono comprensivi di IVA | ||||
| Campo 230V | ||||
| 2 | 2604220515 | 20.39 | 24.88 | |
| Ventola Sunon PMD2412PMB1-A | ||||
| 3/50 | 2606610022 | 3.71 | 4.53 | |
| Non più disponibile, nessuna sostituzione | ||||
| 4 | 1607200172 | |||
| OCCHIELLO | ||||
| 6 | 2600703018 | 2.18 | 2.66 | |
| Morsetto del cavo | ||||
| 7 | 1611035001 | 0.83 | 1.01 | |
| Targhetta del produttore GBH 2000 | ||||
| 9 | 1611110X20 | 2.71 | 3.31 | |
| Non più disponibile, nessuna sostituzione | ||||
| 10 | 2605807060 | |||
| Piastra di Riferimento | ||||
| 11 | 1611110X22 | 2.71 | 3.31 | |
| Filtro di interferenza TURBO II R1 ET-BG | ||||
| 12 | 1607328040 | 5.96 | 7.27 | |
| CUSCINETTO A SFERE OSC 18 | ||||
| 13 | 1610905032 | 4.58 | 5.59 | |
| Paracolpi in gomma | ||||
| 15 | 1610026001 | 1.00 | 1.22 | |
| Percussore | ||||
| 27 | 1618710076 | 4.70 | 5.73 | |
| Non più disponibile, nessuna sostituzione | ||||
| 30 | 1611911000 | |||
| Spina del cuscinetto | ||||
| 34 | 1613100021 | 0.83 | 1.01 | |
| Spina Cilindrica | ||||
| 46 | 1613160022 | 1.00 | 1.22 | |
| Manicotto ad ago AGC 18 | ||||
| 53 | 1610910077 | 3.71 | 4.53 | |
| Cuscinetto a rulli assiali NERO | ||||
| 57 | 1610920009 | 2.18 | 2.66 | |
| Anello O | ||||
| 62 | 1610210125 | 1.00 | 1.22 | |
| Rondella di regolazione 0,4 MM DI SPESSORE | ||||
| 72 | 1610100007 | 1.00 | 1.22 | |
| Molla di contatto | ||||
| 73 | 1614682004 | 1.94 | 2.37 | |
| Non più disponibile, nessuna sostituzione | ||||
| 74 | 1611015040 | |||
| Disco di tenuta | ||||
| 75 | 1611015041 | 1.00 | 1.22 | |
| Non più disponibile, nessuna sostituzione | ||||
| 76 | 1611015042 | |||
| Anello di ritenzione | ||||
| 77 | 1614601026 | 1.32 | 1.61 | |
| Palla | ||||
| 78 | 1903230010 | 1.00 | 1.22 | |
| Cavo di connessione | ||||
| 86 | 2604448147 | 1.00 | 1.22 | |
| Cavo Di Connessione L=115MM BLU | ||||
| 87 | 2604448096 | 1.18 | 1.44 | |
| Cavo di connessione | ||||
| 88 | 2604448034 | 1.32 | 1.61 | |
| Non più disponibile, nessuna sostituzione | ||||
| 89 | 2604448060 | |||
| Vite della piastra | ||||
| 92 | 2912401021 | 1.00 | 1.22 | |
| Vite della piastra | ||||
| 93 | 2912401019 | 1.00 | 1.22 | |
| Vite a testa ovale Torx 4x30 | ||||
| 94 | 2603490017 | 1.90 | 2.32 | |
| Vite a testa cilindrica | ||||
| 95 | 2603410001 | 1.32 | 1.61 | |
| Maniglia ausiliaria M10 | ||||
| 651 | 2602025125 | 8.48 | 10.35 | |
| Fermo di profondità TSF 55 EBQ | ||||
| 652 | 2609005615 | 3.71 | 4.53 | |
| Sezione Casing VERDE | ||||
| 801 | 1617000575 | 29.75 | 36.30 | |
| Non più disponibile, nessuna sostituzione | ||||
| 803 | 1614010144 | |||
| Cavo di alimentazione | ||||
| 805 | 3607030489 | 30.08 | 36.70 | |
| Ghiandaia finale | ||||
| 806 | 1900452012 | 1.32 | 1.61 | |
| Targhetta | ||||
| 808 | 160111A3H5 | 2.18 | 2.66 | |
| Non più disponibile, nessuna sostituzione | ||||
| 810/04 | 1617014136 | |||
| Cappuccio a cricchetto | ||||
| 810/06 | 2601322017 | 1.32 | 1.61 | |
| CUSCINETTO A SFERE OSC 18 | ||||
| 814 | 1610905048 | 7.32 | 8.93 | |
| Interruttore | ||||
| 816 | 2607200231 | 13.90 | 16.96 | |
| Tubo del martello | ||||
| 821 | 1617000388 | 81.47 | 99.39 | |
| Asse intermedio | ||||
| 824 | 1617000301 | 40.61 | 49.54 | |
| Non più disponibile, nessuna sostituzione | ||||
| 844 | 1617000576 | |||
| CUSCINETTO | ||||
| 850 | 1617000975 | 5.27 | 6.43 | |
| Mandrino a chiave | ||||
| 856 | 1618571029 | 67.98 | 82.94 | |
| Mandrino senza chiave | ||||
| 857 | 1617000332 | 102.63 | 125.21 | |
| Chiave del mandrino | ||||
| 858 | 2607950007 | 5.96 | 7.27 | |
| Non più disponibile, nessuna sostituzione | ||||
| 870 | 1617000327 | |||
| Tappo protettivo | ||||
| 870/34 | 1610508047 | 1.90 | 2.32 | |