Qui troverai tutte le parti e i disegni disponibili di “Bosch 0603243803 ( PBH20RE )”. Da qui puoi ordinare direttamente tutte le parti desiderate. Molte parti devono essere ordinate dal produttore, a seconda della marca, ciò richiede da una a quattro settimane. Tutte le informazioni che abbiamo sono sul nostro sito web, non possiamo consigliarti su ciò di cui hai bisogno, per questo dovrai restituire la macchina per la riparazione. Nota quanto segue al momento dell’ordinazione:
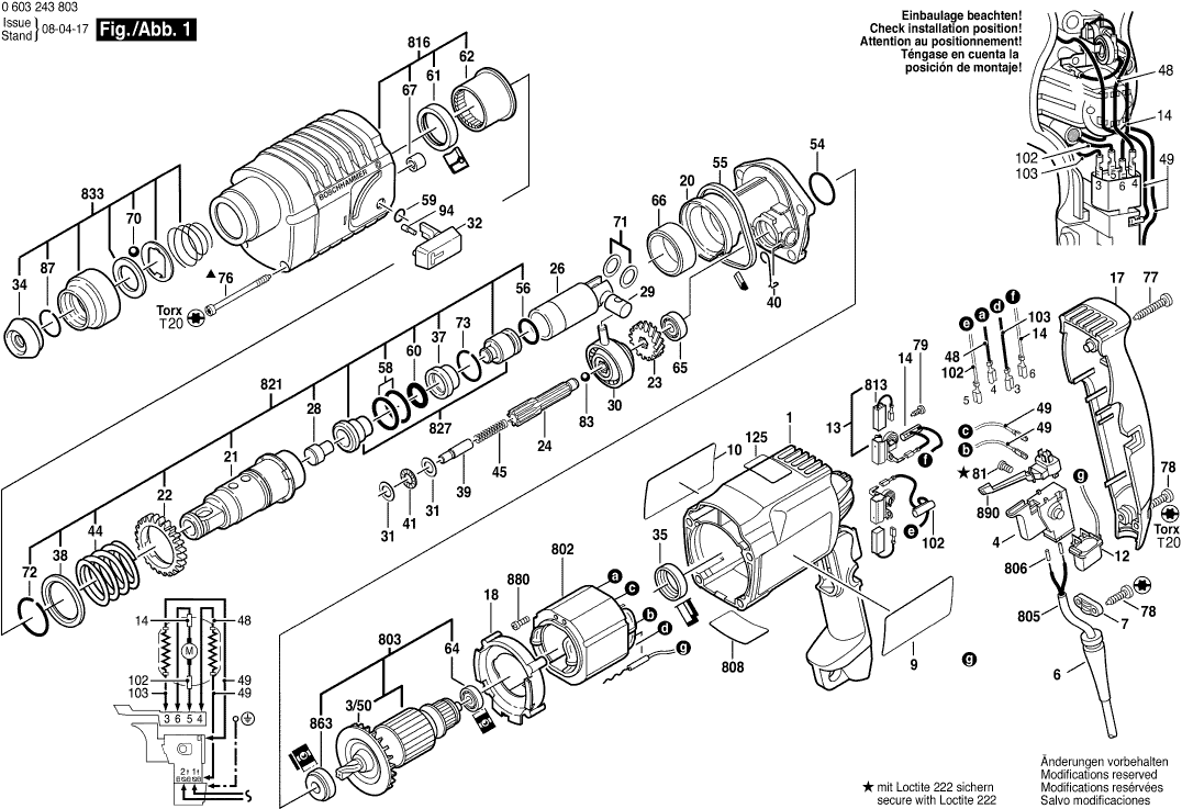
Disegni tecnici di Bosch 0603243803 ( PBH20RE )
Elenco parti di Bosch 0603243803 ( PBH20RE )
| Pos. | Descrizione | Prezzo IVA escl | Prezzo IVA incl | |
| I prezzi indicati sono comprensivi di IVA | ||||
| Casa del Motore VERDE | ||||
| 1 | 1615108115 | 10.73 | 13.09 | |
| Ventola Sunon PMD2412PMB1-A | ||||
| 3/50 | 1616610072 | 1.90 | 2.32 | |
| Non più disponibile, nessuna sostituzione | ||||
| 4 | 1617200083 | |||
| OCCHIELLO | ||||
| 6 | 2600703018 | 2.18 | 2.66 | |
| Morsetto del cavo | ||||
| 7 | 1611035005 | 1.90 | 2.32 | |
| Targhetta del produttore GBH 2000 | ||||
| 9 | 1611110A74 | 2.71 | 3.31 | |
| Piastra di Riferimento | ||||
| 10 | 1611110A75 | 2.71 | 3.31 | |
| Filtro di interferenza TURBO II R1 ET-BG | ||||
| 12 | 1617328026 | 6.53 | 7.97 | |
| PORTA-SPAZZOLA | ||||
| 13 | 1617000343 | 9.47 | 11.55 | |
| Filtro di interferenza TURBO II R1 ET-BG | ||||
| 14 | 2604465086 | 5.27 | 6.43 | |
| Coperchio del alloggiamento NERO | ||||
| 17 | 1615132071 | 4.70 | 5.73 | |
| Anello deflettore d'aria | ||||
| 18 | 1610522008 | 1.00 | 1.22 | |
| Flangia Intermedia | ||||
| 20 | 1615700037 | 41.30 | 50.39 | |
| Manica a cricchetto | ||||
| 21 | 1616490058 | 234.56 | 286.16 | |
| Ingranaggio Cilindrico | ||||
| 22 | 1616320007 | 6.53 | 7.97 | |
| Non più disponibile, nessuna sostituzione | ||||
| 23 | 1616320002 | |||
| Albero Dentato | ||||
| 24 | 1613060010 | 55.56 | 67.78 | |
| Pistone del martello | ||||
| 26 | 1618700052 | 11.02 | 13.44 | |
| Perno di percussione | ||||
| 28 | 1613124026 | 2.52 | 3.07 | |
| Spinotto del pistone | ||||
| 29 | 1613105012 | 3.04 | 3.71 | |
| Cuscinetto di Trasmissione Su Disegno Pos.830 | ||||
| 30 | 1615819005 | 30.08 | 36.70 | |
| Disco di supporto | ||||
| 31 | 1610100003 | 1.32 | 1.61 | |
| Maniglia a Morsetto | ||||
| 32 | 1612026023 | 2.18 | 2.66 | |
| Tappo protettivo | ||||
| 34 | 1610508008 | 1.90 | 2.32 | |
| Anello di gomma 10 MM DI LARGHEZZA | ||||
| 35 | 1610206021 | 1.32 | 1.61 | |
| Boccola di smorzamento | ||||
| 37 | 1610390011 | 3.04 | 3.71 | |
| Disco di supporto | ||||
| 38 | 1610102022 | 1.90 | 2.32 | |
| Spina Cilindrica | ||||
| 39 | 1613100013 | 1.90 | 2.32 | |
| MOLLA DI RITENZIONE OSC 18 | ||||
| 40 | 1614690001 | 1.00 | 1.22 | |
| Assemblaggio Gabbia-Rulli | ||||
| 41 | 1610920003 | 3.71 | 4.53 | |
| Molla compressione | ||||
| 44 | 1614633001 | 1.90 | 2.32 | |
| Molla compressione | ||||
| 45 | 1614614001 | 1.00 | 1.22 | |
| Non più disponibile, nessuna sostituzione | ||||
| 48 | 2604448137 | |||
| Cavo Elettrico | ||||
| 49 | 2604448005 | 1.32 | 1.61 | |
| Anello O | ||||
| 54 | 1610210068 | 1.32 | 1.61 | |
| Anello di tenuta | ||||
| 55 | 1610206023 | 2.52 | 3.07 | |
| Anello O | ||||
| 56 | 1610210070 | 2.18 | 2.66 | |
| Anello O | ||||
| 58 | 1610210058 | 2.18 | 2.66 | |
| Anello O | ||||
| 59 | 1610210069 | 1.00 | 1.22 | |
| Anello O | ||||
| 60 | 1610210073 | 1.90 | 2.32 | |
| Guarnizione labiale dell'albero rotante | ||||
| 61 | 1610283017 | 6.53 | 7.97 | |
| CUSCINETTO A MANICOTTO | ||||
| 62 | 1610202026 | 4.58 | 5.59 | |
| CUSCINETTO A SFERA | ||||
| 64 | 1610900037 | 2.18 | 2.66 | |
| Non più disponibile, nessuna sostituzione | ||||
| 65 | 1900900228 | |||
| CUSCINETTO | ||||
| 66 | 1610301000 | 2.18 | 2.66 | |
| Non più disponibile, nessuna sostituzione | ||||
| 67 | 1610910064 | |||
| Palla | ||||
| 70 | 1903230013 | 1.90 | 2.32 | |
| Rondella di regolazione 0,4 MM DI SPESSORE | ||||
| 71 | 1610101011 | 1.32 | 1.61 | |
| Anello di ritenzione | ||||
| 72 | 2916540018 | 3.04 | 3.71 | |
| Anello di ritenzione | ||||
| 73 | 1614601009 | 1.00 | 1.22 | |
| Vite della piastra | ||||
| 76 | 1613435009 | 1.32 | 1.61 | |
| Vite della piastra | ||||
| 77 | 1603435051 | 1.70 | 2.07 | |
| Vite della piastra | ||||
| 78 | 1603435050 | 1.32 | 1.61 | |
| Vite della piastra | ||||
| 79 | 2910211005 | 1.00 | 1.22 | |
| Vite a testa cilindrica | ||||
| 81 | 2603410001 | 1.32 | 1.61 | |
| Palla | ||||
| 83 | 1903230309 | 1.32 | 1.61 | |
| Anello di ritenzione | ||||
| 87 | 160460102S | 1.00 | 1.22 | |
| Perno di blocco HKC 55 | ||||
| 94 | 1613120017 | 1.32 | 1.61 | |
| Filtro di interferenza TURBO II R1 ET-BG | ||||
| 102 | 2604465097 | 5.27 | 6.43 | |
| Cavo di connessione | ||||
| 103 | 1614448017 | 1.90 | 2.32 | |
| Maniglia ausiliaria M10 | ||||
| 120 | 2602025094 | 6.53 | 7.97 | |
| Morsetto di Supporto | ||||
| 121 | 2608040176 | 5.96 | 7.27 | |
| Vite a testa martello M8x40 MM | ||||
| 122 | 1613490002 | 3.71 | 4.53 | |
| ANELLO DI FISSAGGIO D38X1,75 | ||||
| 123 | 1611316006 | 2.18 | 2.66 | |
| Targa del produttore ISTRUZIONI DI LAVORO | ||||
| 125 | 1611110345 | 2.24 | 2.73 | |
| Nessuna informazione disponibile, non ordinabile | ||||
| 653 | 1608571062 | |||
| Chiave del mandrino | ||||
| 653/7 | 2607950007 | 5.96 | 7.27 | |
| Fusto del mandrino trapano 1/2 SDS-PLUS | ||||
| 655 | 1617000154 | 30.08 | 36.70 | |
| Campo 230V | ||||
| 802 | 2604220429 | 22.88 | 27.91 | |
| Non più disponibile, nessuna sostituzione | ||||
| 803 | 1614010039 | |||
| Cavo di alimentazione | ||||
| 805 | 1614460026 | 15.61 | 19.04 | |
| Ghiandaia finale | ||||
| 806 | 1900452012 | 1.32 | 1.61 | |
| Targhetta | ||||
| 808 | 160111A3H5 | 2.18 | 2.66 | |
| KIT DI SERVIZIO 115V | ||||
| 813 | 1617014134 | 7.32 | 8.93 | |
| Custodia ingranaggi NERO | ||||
| 816 | 1615806076 | 33.45 | 40.81 | |
| Manica a cricchetto | ||||
| 821 | 1617000931 | 304.15 | 371.06 | |
| Maniglia ausiliaria M10 | ||||
| 822 | 2602025070 | 12.21 | 14.90 | |
| Percussore | ||||
| 827 | 1617000338 | 26.62 | 32.48 | |
| Manicotto di Protezione | ||||
| 833 | 1617000163 | 6.53 | 7.97 | |
| CUSCINETTO A SFERE OSC 18 | ||||
| 863 | 1610905048 | 7.32 | 8.93 | |
| Fermo di profondità TSF 55 EBQ | ||||
| 879 | 1613001009 | 3.04 | 3.71 | |
| Bullone della Frizione | ||||
| 880 | 2603435015 | 1.90 | 2.32 | |
| Interruttore | ||||
| 890 | 2607200231 | 13.90 | 16.96 | |